产品资料表
1165-4 AMR/AGV-4单精密轴承活动脚轮系列(中型)
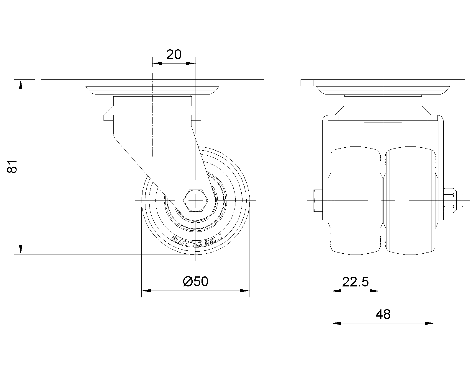
  PPR 导电轮(黑浅灰) 轮径 × 轮宽 50×22.5mm
  EAN
      KS-11650204172363
         

活动式脚轮,焊接钢板架,表面电镀
底板式安装装置,孔距80X60
耐冲击聚丙烯轮芯,热塑性弹性体(TPR)轮面
铣淺灰色,轮子轴承—精密滚珠
  轮面:热塑性弹性体(TPR)轮面
  轮芯:聚丙烯轮芯

    产品说明仅供参考一切以实体产品为主



     
      公制 英制
  轮径 50mm 

  轮宽 22.5mm 
  轮子轴承 搭配滚珠轴承的轮子 
  底板规格 103 x 76mm 
  底板孔距 80 x 60mm   
  底板孔径 129mm 
  偏心距 20mm 
  旋转干涉 127mm 
  总高 81mm 
  旋转半径 63.5mm 
  硬度 87±5° Shore A 
  荷重(动态) 40kgs 


  滚动顺畅
      ● ● ● ● ○

  静音表现      ● ● ● ● ○

  保护地板      ● ● ● ● ●

  荷重(静态) 60kgs 
  温度 -20°C to +60°C 
  脚架样式 活动 
  不锈钢
  导电 是 10^3/~10^4/Ω
  抗静电 否 
  脚轮重量 1.60kgs 
  测试标准 ISO22883
  
  
  © 版权所有 2026 得貹上好轮 www.dersheng.com
关  联  产  品
1165-4 AMR/AGV-4单精密轴承活动脚轮系列(中型)
PPR 导电轮(黑浅灰) 轮径 × 轮宽 50×22.5mm
KS-11650204452363
50 mm 40 Kgs 81 mm

活动式脚轮,焊接钢板架,表面电镀
底板式安装装置,孔距80X60
耐冲击聚丙烯轮芯,热塑性弹性体(TPR)轮面
铣淺灰色,轮子轴承—精密滚珠