产品资料表
1165-4 AMR/AGV-4单精密轴承活动脚轮系列(中型)
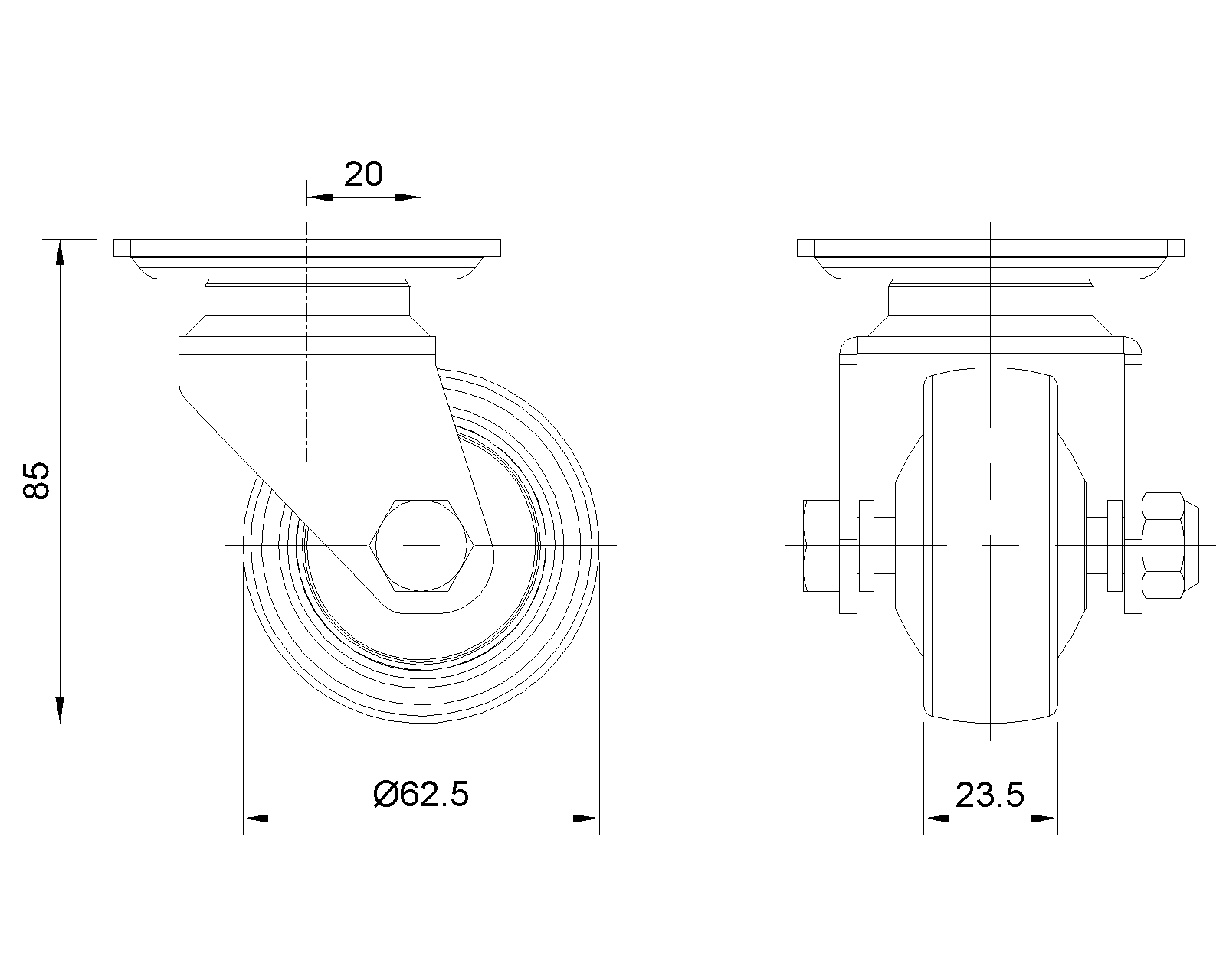
  经典全效轮(珠光深灰)轮径 × 轮宽 62.5 × 23.5mm
  EAN
      KS-11655204452233
         

活动式脚轮,焊接钢板架,表面电镀
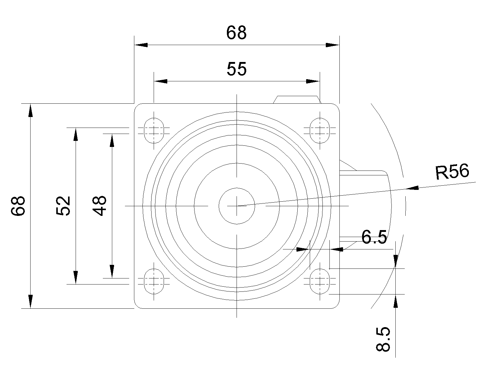
底板式安装装置,孔距55x52
耐冲击聚丙烯轮芯,热塑性弹性体(TPR)轮面
铣深灰色,轮子轴承—精密滚珠
  轮面:热塑性弹性体(TPR)轮面
  轮芯:聚丙烯轮芯

    产品说明仅供参考一切以实体产品为主



     
      公制 英制
  轮径 62.5mm 

  轮宽 23.5mm 
  轮子轴承 搭配滚珠轴承的轮子 
  底板规格 68 x 68mm 
  底板孔距 55 x 52mm   
  底板孔径 6.5 x 8.5mm 
  偏心距 20mm 
  旋转干涉 112mm 
  总高 85mm 
  旋转半径 56mm 
  硬度 72±5° Shore A 
  荷重(动态) 50kgs 


  滚动顺畅
      ● ● ● ● ●

  静音表现      ● ● ● ● ●

  保护地板      ● ● ● ● ●

  荷重(静态) 75kgs 
  温度 -20°C to +60°C 
  脚架样式 活动 
  不锈钢
  导电 否 
  抗静电 否 
  脚轮重量 1.25kgs 
  测试标准 ISO22883
  
  
  © 版权所有 2026 得貹上好轮 www.dersheng.com
关  联  产  品
1165-4 AMR/AGV-4单精密轴承活动脚轮系列(中型)
经典全效轮(珠光深灰)轮径 × 轮宽 62.5 × 23.5mm
KS-11655204452333
62.5 mm 80 Kgs 85 mm

活动式脚轮,焊接钢板架,表面电镀
底板式安装装置,孔距55x52
耐冲击聚丙烯轮芯,热塑性弹性体(TPR)轮面
铣深灰色,轮子轴承—精密滚珠