|
|
产品资料表 |
|
|
|
||
| 1165-4 AMR/AGV-4单精密轴承活动脚轮系列(中型) |
|
|
||||
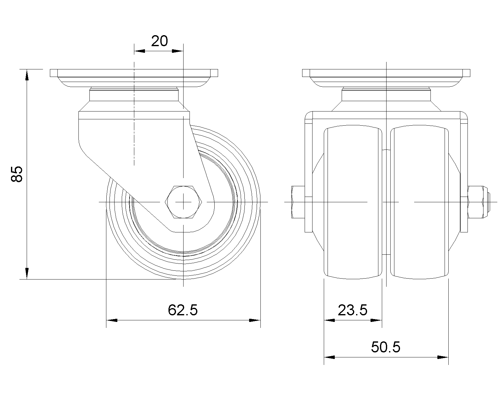
| PPR 导电轮(黑浅灰)轮径 × 轮宽 62.5 × 23.5mm |
|
|
||||
| EAN |
|
|||||
|
KS-11655204172333 |
|
|||||
|
|
|
|||||
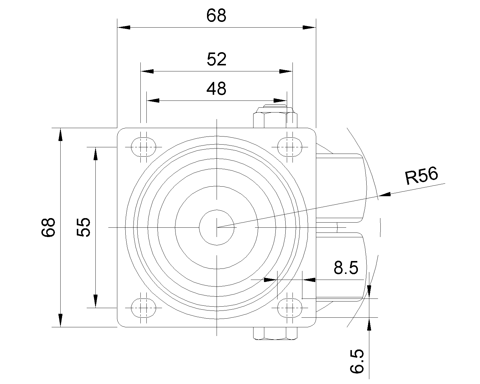
活动式脚轮,焊接钢板架,表面电镀 底板式安装装置,孔距55x52 耐冲击聚丙烯轮芯,热塑性弹性体(TPR)轮面 铣淺灰色,轮子轴承—精密滚珠 |
|
|||||
|
|
|
|||||
| 轮面:热塑性弹性体(TPR)轮面 轮芯:聚丙烯轮芯 产品说明仅供参考一切以实体产品为主 |
|
|||||
|
|
|
|||||
公制 英制
轮径
62.5mm
轮宽
23.5mm
|
|
|
||||
|
轮子轴承
搭配滚珠轴承的轮子
底板规格
68 x 68mm
底板孔距
55 x 52mm
底板孔径
6.5 x 8.5mm
偏心距
20mm
旋转干涉
112mm
总高
85mm
旋转半径
56mm
硬度
87±5° Shore A
荷重(动态)
50kgs
|
滚动顺畅 ● ● ● ● ○ 静音表现 ● ● ● ● ○ 保护地板 ● ● ● ● ● |
|||||
|
荷重(静态)
75kgs
温度
-20°C to +60°C
脚架样式
活动
|
|
|||||
|
不锈钢
否
导电
是 10^3/~10^4/Ω
抗静电
否
脚轮重量
1.72kgs
测试标准
ISO22883
|
|
|
||||
|
|
|||||
|
|
|||||
|
|
|||||
|
|
|||||
| © 版权所有 2026 得貹上好轮 www.dersheng.com | ||||||