|
|
|
|
|
|||
| 1165-5 AMR/AGV-5强化39活动轮-单轮系列(中轻型) |
|
|
||||
| HPU轮(橘黄弧)轮径×轮宽 75×30mm |
|
|
||||
| EAN |
|
|||||
|
KS-11650305752023 |
|
|||||
|
|
|
|||||
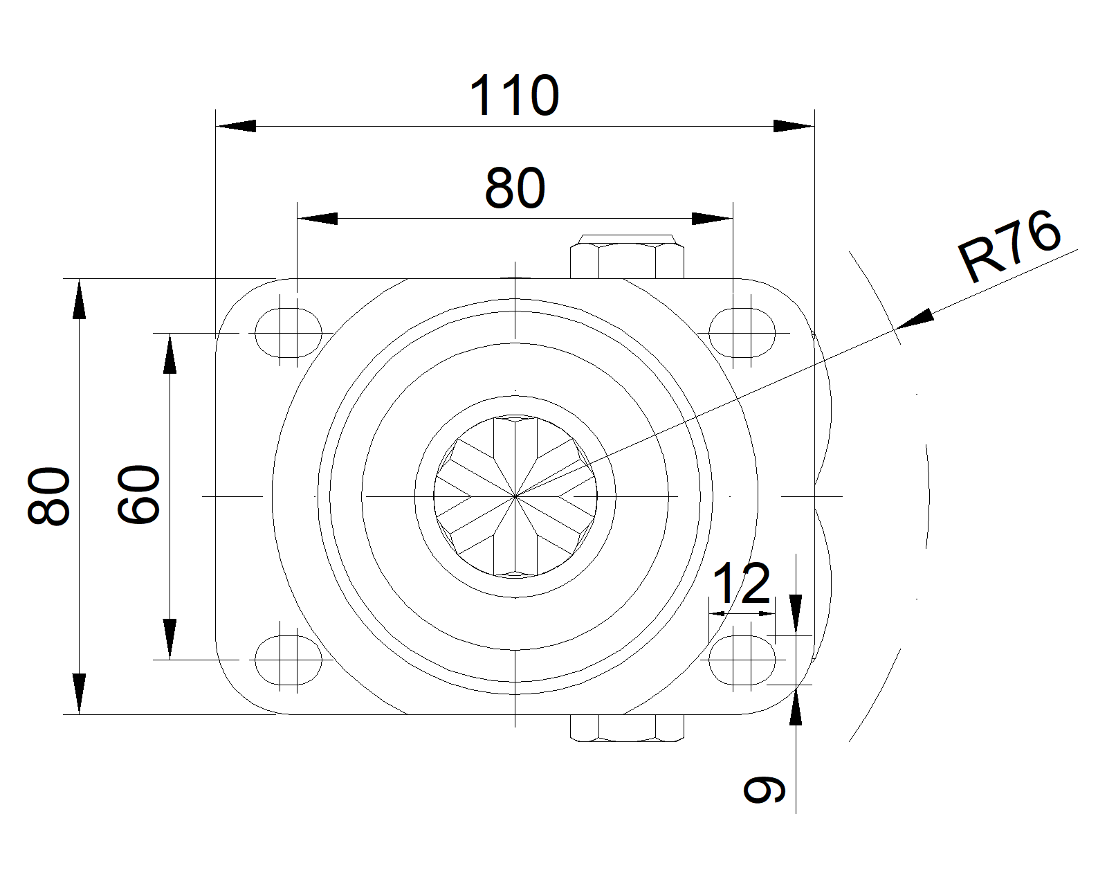
| 活动式脚轮,焊接钢板架
表面喷镀锌,底板式安装装置,孔距80 x 60 铸铁制轮芯,高品质聚氨酯轮面,铣橘黃色 轮子轴承—精密滚珠 |
|
|||||
|
|
|
|||||
| 轮面:高品质聚氨酯制成 轮芯:铁芯/铸铁 产品说明仅供参考一切以实体产品为主 |
|
|||||
|
|
|
|||||
公制 英制 轮径 75mm 轮宽 62mm |
|
|
||||
|
轮子轴承
搭配滚珠轴承的轮子
底板规格 110 x 80mm 底板孔距 80 x 60mm 底板孔径 12 x 9mm 偏心距 20.5mm 旋转干涉 152mm 总高 109mm 旋转半径 76mm 硬度 92±5° Shore A 荷重(动态) 300kgs |
滚动顺畅 ● ● ● ● ● 静音表现 ● ● ● ● ○ 保护地板 ● ● ● ● ● |
|||||
|
荷重(静态)
450kgs
温度 -20°C to +70°C 脚架样式 活动 |
|
|||||
|
不锈钢
否
导电 否 抗静电 否 脚轮重量 2.00kgs 测试标准 ISO22883 |
|
|
||||
|
|
|||||
|
|
|||||
|
|
|||||
|
|
|||||
| © 版权所有 2025 得貹上好轮 www.dersheng.com | ||||||