产品数据表
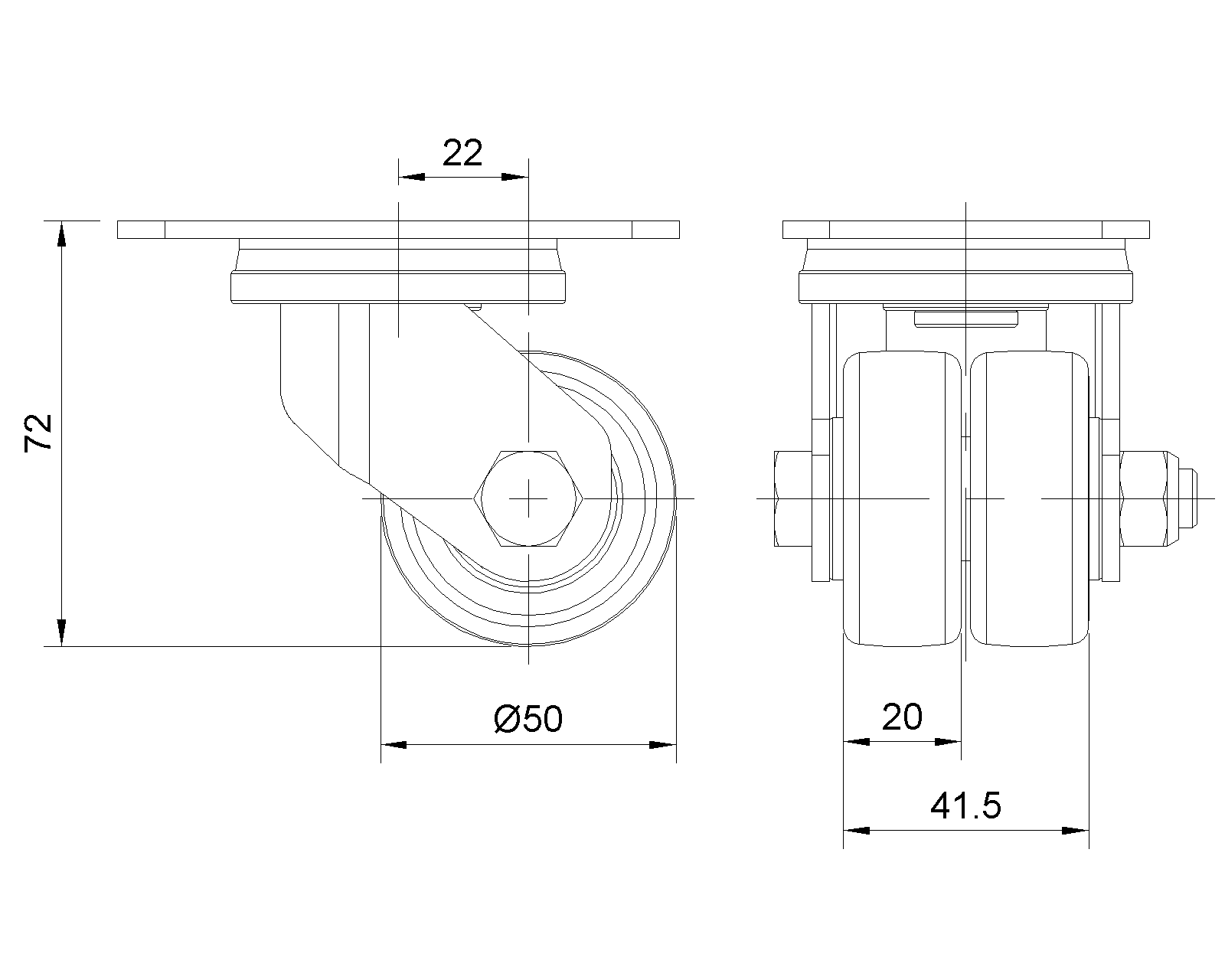
1165-3 AMR/AGV-3活動輪系列(中型) 
  ZQPU輪 (銑藍) 輪徑 × 輪寬 50 x 20(41.5)mm
  EAN
      KS-11650203802133
         

活動式腳輪,焊接鋼板架
表面鍍鋅,底板式安裝裝置,孔距70X37
鑄鐵製輪芯,高品質聚氨酯輪面,銑藍色
輪子軸承—特製的精密滾珠,降低運轉阻力
ZQPU雙輪,符合人體工學,更容易啟動和轉動
  輪面:高品質聚氨酯製成
  輪芯:鐵芯/鑄鐵

    產品說明僅供參考一切以實體產品為主



     
      公制 英制
  輪徑 50mm 

  輪寬 41.5mm 
  輪子軸承 搭配滾珠軸承的輪子 
  底板規格 95 x 62mm 
  底板孔距 75 x 45mm   
  底板孔徑 12 x 9mm 
  偏心距 22mm 
  旋轉干涉 110mm 
  總高 72mm 
  旋轉半徑 55mm 
  硬度 87±5° Shore A 
  荷重(動態) 70kgs 


  滾動順暢
      ● ● ● ● ●

  靜音表現      ● ● ● ● ●

  保護地板      ● ● ● ● ●

  荷重(靜態) 105kgs 
  溫度 -20°C to +70°C 
  腳架樣式 活動 
  不銹鋼
  導電 否 
  抗靜電 否 
  腳輪重量 0.72kgs 
  測試標準 ISO22883
  
  
  © 版權所有 2026 得貹上好輪 www.dersheng.com
關  聯  產  品
1165-4 AMR/AGV-4單精密軸承活動腳輪系列(中型)
ZQPU輪 (銑藍) 輪徑 × 輪寬 50 x 20(41.5)mm
KS-11650204802013
50 mm 70 Kgs 73 mm

活動式腳輪,焊接鋼板架,表面鍍鋅
底板式安裝裝置,孔距75X45
鑄鐵製輪芯,高品質聚氨酯輪面,銑藍色
輪子軸承—特製的精密滾珠,降低運轉阻力
ZQPU雙輪,符合人體工學,更容易啟動和轉動