|
|
產品數據表 |
|
|
|
||
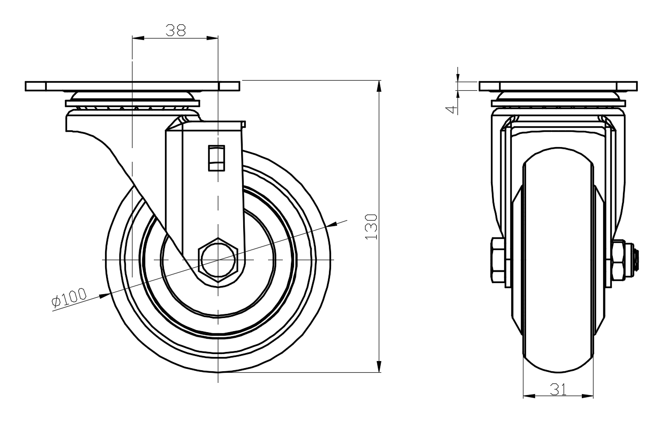
| 1165-5 AMR/AGV-5強化39活動輪-單輪系列(中輕型) |
|
|
||||
| AQPU輪(灰弧) 輪徑 × 輪寬 100 x 31mm |
|
|
||||
| EAN |
|
|||||
|
YJ-11390400602083 |
|
|||||
|
|
|
|||||
| 活動式腳輪,底板鉚合沖壓腳架—高級孔
表面鍍鋅,底板式安裝裝置 鋁芯,高品質聚氨酯輪面 灰色,輪子軸承—精密滾珠。 |
|
|||||
|
|
|
|||||
| 輪面:高品質聚氨酯製成 輪芯:鋁芯 產品說明僅供參考一切以實體產品為主 |
|
|||||
|
|
|
|||||
公制 英制
輪徑
100mm
輪寬
31mm
|
|
|
||||
|
輪子軸承
搭配滾珠軸承的輪子
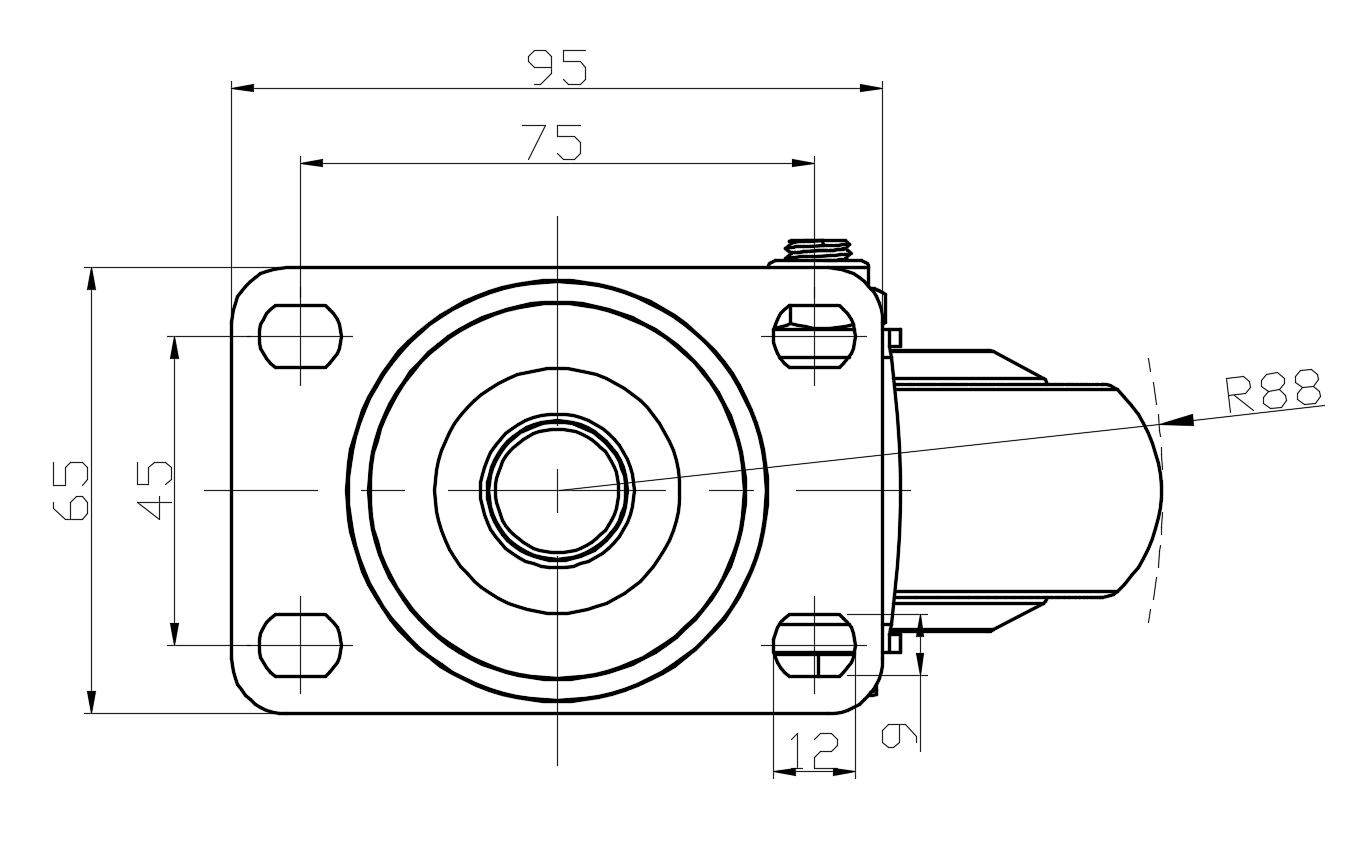
底板規格
95 x 65mm
底板孔距
75 x 45mm
底板孔徑
12 x 9mm
偏心距
38mm
旋轉干涉
176mm
總高
130mm
旋轉半徑
88mm
硬度
77±5° Shore A
荷重(動態)
200kgs
|
滾動順暢 ● ● ● ● ● 靜音表現 ● ● ● ● ● 保護地板 ● ● ● ● ● |
|||||
|
荷重(靜態)
300kgs
溫度
-20°C to +70°C
腳架樣式
活動
|
|
|||||
|
不銹鋼
否
導電
否
抗靜電
否
腳輪重量
0.98kgs
測試標準
ISO22883
|
|
|
||||
|
|
|||||
|
|
|||||
|
|
|||||
|
|
|||||
| © 版權所有 2026 得貹上好輪 www.dersheng.com | ||||||