產品數據表
1165-6 AMR/AGV-6強化美國輪-雙輪系列(中輕型)  
  AQPU輪(褐弧) 輪徑 × 輪寬 100 x 40mm
  EAN
         
  YJ-11510400602913    
活動式腳輪,底板鉚合沖壓腳架—高級孔
表面鍍鋅,底板式(4T)安裝裝置
鋁芯,高品質聚氨酯輪面
褐色,輪子軸承—精密滾珠。
  輪面:高品質聚氨酯製成
  輪芯:鋁芯

    產品說明僅供參考一切以實體產品為主



     
      公制 英制
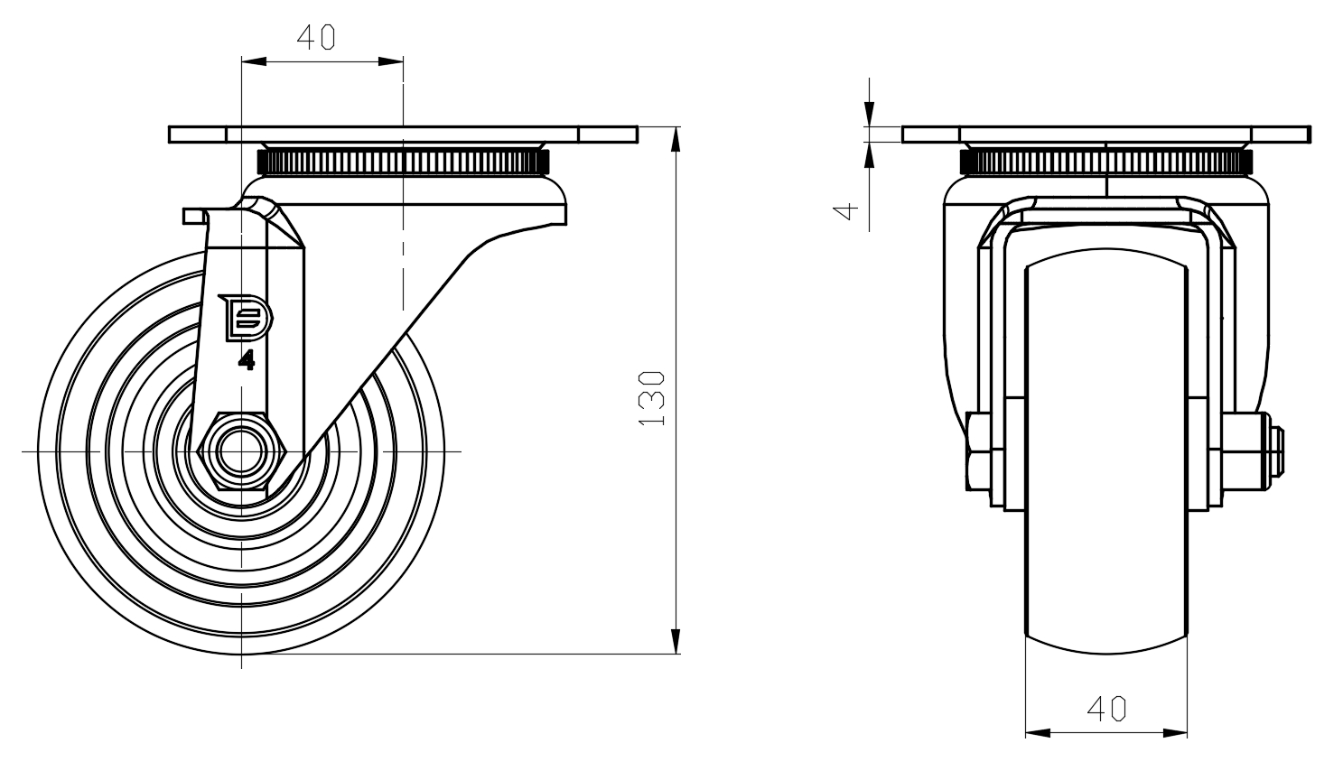
  輪徑 100mm 

  輪寬 40mm 
  輪子軸承 搭配滾珠軸承的輪子 
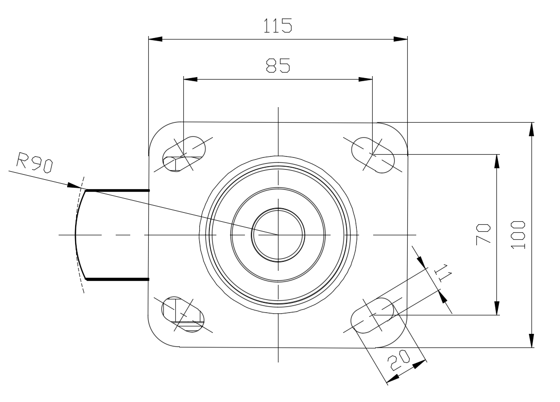
  底板規格 115 x 100mm 
  底板孔距 85 x 70mm   
  底板孔徑 20 x 11mm 
  偏心距 40mm 
  旋轉干涉 180mm 
  總高 130mm 
  旋轉半徑 90mm 
  硬度 92±5° Shore A 
  荷重(動態) 200kgs 


  滾動順暢
      ● ● ● ● ●

  靜音表現      ● ● ● ● ●

  保護地板      ● ● ● ● ●

  荷重(靜態) 300kgs 
  溫度 -20°C to +70°C 
  腳架樣式 活動 
  不銹鋼
  導電 否 
  抗靜電 否 
  腳輪重量 1.32kgs 
  測試標準 ISO22883
  
  
  © 版權所有 2026 得貹上好輪 www.dersheng.com
關  聯  產  品
1165-6 AMR/AGV-6強化美國輪-雙輪系列(中輕型)  
AQPU輪(褐弧) 輪徑 × 輪寬 100 x 40mm
YJ-11510400601913
100 mm 200 Kgs 130 mm
固定式腳輪,一體成型沖壓腳架—高級孔
表面鍍鋅,底板式安裝裝置
鋁芯,高品質聚氨酯輪面
褐色,輪子軸承—精密滾珠。