|
|
Bảng dữ liệu sản phẩm |
|
|
|
||
| 165 Series — AMR/AGV-1 BÁNH XE LÒ XO |
|
|
||||
| Chống tĩnh điện ZQPU Bánh xe (phay đen) Đường kính bánh xe × Chiều rộng bánh xe 50 x 20(41.5)mm |
|
|
||||
| EAN |
|
|||||
|
KS-11650200802723 |
|
|||||
|
|
|
|||||
| Bánh xe lò xo với khung thép hàn
Hoàn thiện mạ kẽm, lắp đế, khoảng cách lỗ 73 x 44,5" Lõi gang với gai polyurethane chất lượng cao, chống tĩnh điện Vòng bi bánh xe màu đen—vòng bi chính xác |
|
|||||
|
|
|
|||||
| Bề mặt bánh xe: Được làm bằng polyurethane chất lượng cao Lõi bánh xe: lõi sắt/gang Mô tả sản phẩm chỉ mang tính chất tham khảo. Sản phẩm thực tế sẽ được ưu tiên. |
|
|||||
|
|
|
|||||
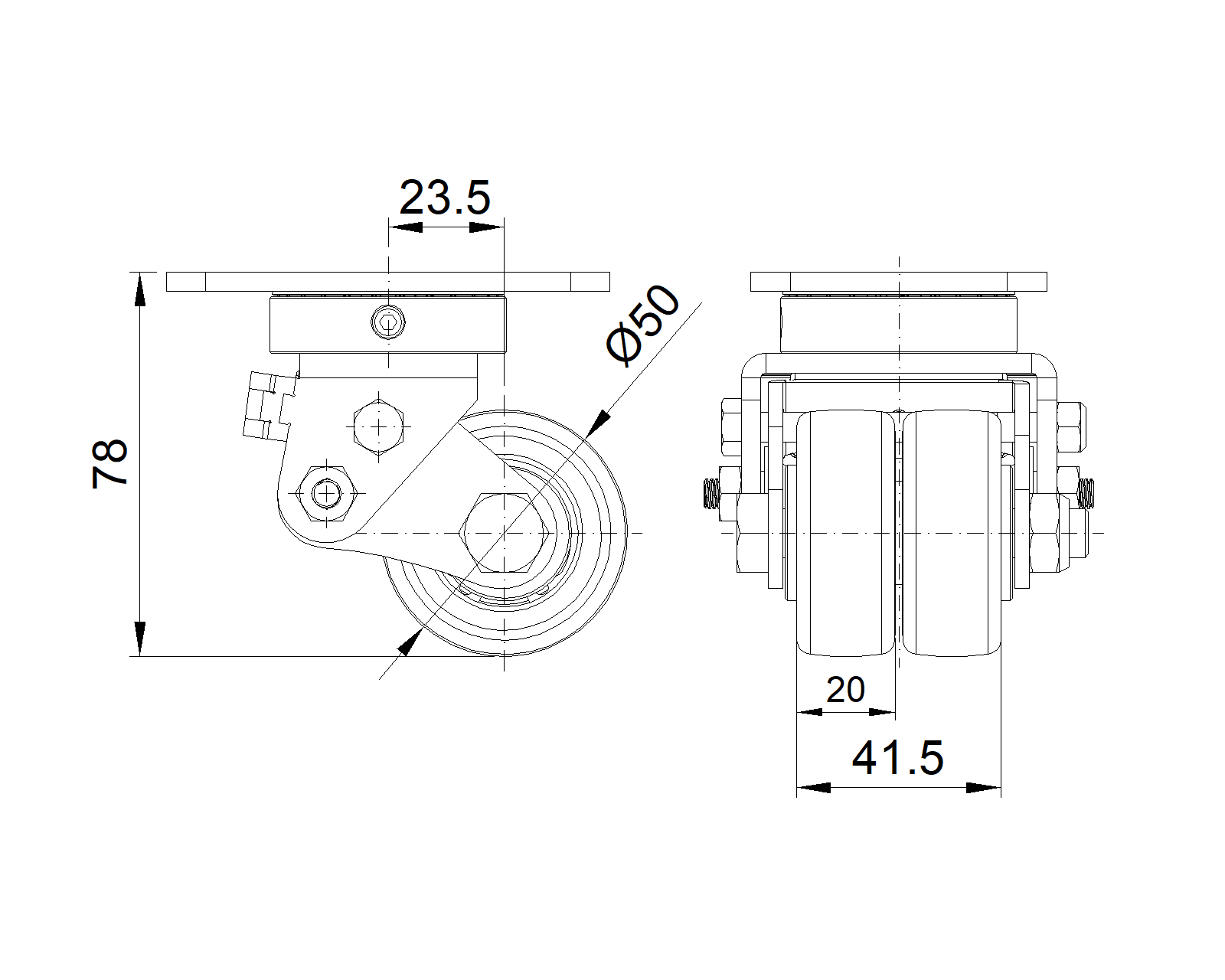
đơn vị mét đế quốc
Đường kính bánh xe
50mm
Chiều rộng bánh xe
41.5mm
|
|
|
||||
|
vòng bi bánh xe
Bánh xe trang bị vòng bi bi
Quy cách tấm lắp
90 x 60mm
khoảng cách các lỗ trên tấm nền
73 x 44mm
Khoảng cách các lỗ lắp
8.5mm
Độ lệch tâm
23.5mm
Sự can thiệp quay
110mm
Tổng chiều cao
78mm
Bán kính xoay
55mm
Độ cứng
85±5° Shore A
Tải trọng (động)
50kgs
|
Độ di chuyển mượt mà ● ● ● ● ● Chế độ im lặng ● ● ● ● ● Bảo vệ mặt sàn ● ● ● ● ● |
|||||
|
Tải trọng (tĩnh)
75kgs
Nhiệt độ
-20°C to +70°C
Càng bánh xe
Xoay
|
|
|||||
|
Thép không gỉ
N/A
Dẫn điện
N/A
Chống tĩnh điện
Y 10^6/~10^9/02
Trọng lượng bánh xe đẩy
1.44kgs
Tiêu chuẩn kiểm nghiệm
ISO22883
|
|
|
||||
|
|
|||||
|
|
|||||
|
|
|||||
|
|
|||||
| © Bản quyền thuộc về 2026 DershengInternational www.dersheng.com | ||||||