Bảng dữ liệu sản phẩm
1165 Series — AMR/AGV-2 BÁNH XE CÀNG XOAY TẢI NẶNG
  Lốp ZQPU (Milled Blue)đường kính lốp × chiều rộng lốp 62.5 × 20(41.5) mm
  EAN
      KS-11655202801033
         
Bánh xe cố định với khung thép hàn
Bề mặt mạ kẽm, lắp đế, khoảng cách lỗ 80x60
Lõi bánh xe bằng gang, gai polyurethane chất lượng cao, phay màu xanh
Vòng bi bánh xe—vòng bi chính xác đặc biệt giúp giảm lực cản khi vận hành
Bánh xe đôi ZQPU, được thiết kế công thái học giúp khởi động và quay đầu dễ dàng hơn
  Bề mặt bánh xe: Được làm bằng polyurethane chất lượng cao
  Lõi bánh xe: lõi sắt/lõi gang

    Mô tả sản phẩm chỉ mang tính chất tham khảo. Sản phẩm thực tế sẽ được ưu tiên.



     
      đơn vị mét đế quốc
  Đường kính bánh xe 62.5mm 

  Chiều rộng bánh xe 42.5mm 
  vòng bi bánh xe Bánh xe trang bị vòng bi bi
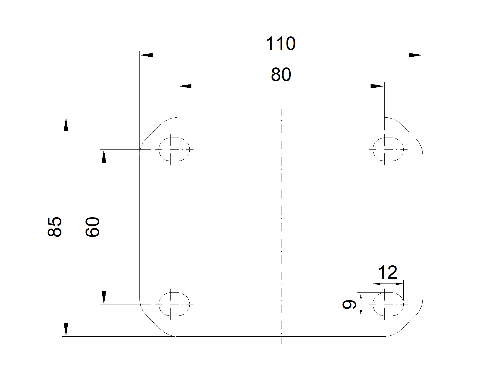
  Quy cách tấm lắp 110 x 85mm 
  khoảng cách các lỗ trên tấm nền 80 x 60mm 
  Khoảng cách các lỗ lắp 12 x 9mm 
  Tổng chiều cao 87mm 
  Độ cứng 87±5° Shore A 
  Tải trọng (động) 250kgs 


  Độ di chuyển mượt mà 
    ● ● ● ● ●

  Chế độ im lặng        ● ● ● ● ●

  Bảo vệ mặt sàn       ● ● ● ● ●

  Tải trọng (tĩnh) 375kgs 
  Nhiệt độ -20°C to +70°C 
  Càng bánh xe Cố định 
  Thép không gỉ N/A
  Dẫn điện N/A 
  Chống tĩnh điện N/A 
  Trọng lượng bánh xe đẩy 0.94kgs 
  Tiêu chuẩn kiểm nghiệm ISO22883
  
  
  © Bản quyền thuộc về 2026 DershengInternational www.dersheng.com
Sản phẩm liên quan
1165 Series — AMR/AGV-2 BÁNH XE CÀNG XOAY TẢI NẶNG
Bánh ZQPU (Xanh Phay) Đường Kính Bánh × Độ Rộng Bánh 62,5 × 20 (41,5) mm
KS-11655202802033
62.5 mm 250 Kgs 87 mm
Bánh xe xoay với khung thép hàn
Bề mặt mạ kẽm, lắp đế, khoảng cách lỗ 80x60
Lõi bánh xe bằng gang, gai polyurethane chất lượng cao, phay màu xanh
Vòng bi bánh xe—vòng bi chính xác đặc biệt giúp giảm lực cản khi vận hành
Bánh xe đôi ZQPU, được thiết kế công thái học giúp khởi động và quay đầu dễ dàng hơn
1165 Series — AMR/AGV-3 Bánh xe càng xoay (tải vừa) ổ bi chính xác đôi
Bánh ZQPU (Xanh Phay) Đường Kính Bánh × Độ Rộng Bánh 62,5 × 20 (41,5) mm
KS-11655203802023
62.5 mm 200 Kgs 87 mm

Bánh xe xoay với khung thép hàn, hoàn thiện mạ kẽm
Lắp đế, khoảng cách lỗ 80x60
Lõi bánh xe bằng gang, gai polyurethane chất lượng cao, phay màu xanh
Vòng bi bánh xe—vòng bi chính xác đặc biệt giúp giảm lực cản khi vận hành
Bánh xe đôi ZQPU, được thiết kế công thái học giúp khởi động và quay đầu dễ dàng hơn