Bảng dữ liệu sản phẩm
1165 Series — AMR/AGV-3 Bánh xe càng xoay (tải vừa) ổ bi chính xác đôi
  AQPU Bánh xe (Xám vòng cung) đường kính bánh xe × chiều rộng bánh xe 75 x 30mm
  EAN
      KS-11650303602013
         

Bánh xe xoay với khung thép hàn và lớp mạ điện
Lắp đế, khoảng cách lỗ 75x45
Lõi gang với gai polyurethane chất lượng cao, màu xám phay
Vòng bi bánh xe—vòng bi chính xác với nắp chống quấn đặc biệt
  Mặt bánh xe: Được làm bằng polyurethane chất lượng cao
  Lõi bánh xe: lõi sắt/gang

    Mô tả sản phẩm chỉ mang tính chất tham khảo. Sản phẩm thực tế sẽ được ưu tiên.



     
      đơn vị mét đế quốc
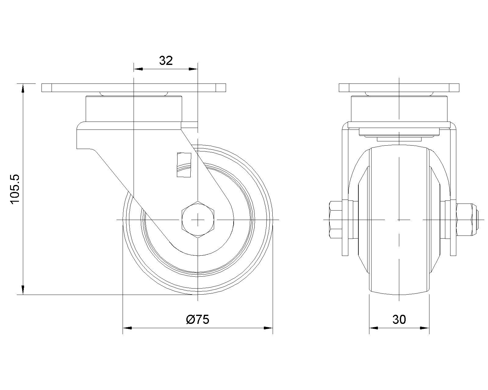
  Đường kính bánh xe 75mm 

  Chiều rộng bánh xe 30mm 
  vòng bi bánh xe Bánh xe trang bị vòng bi bi
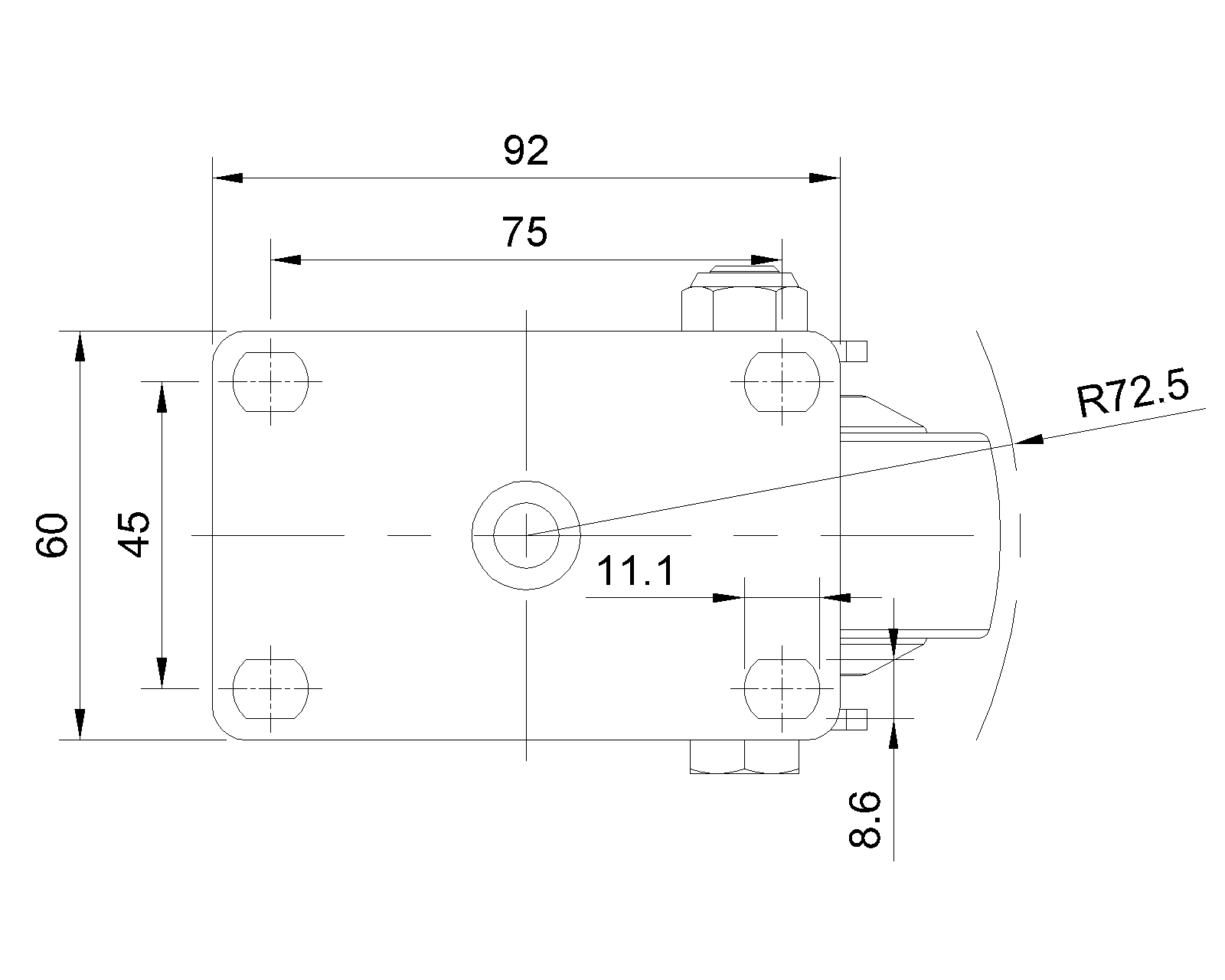
  Quy cách tấm lắp 92 x 60mm 
  khoảng cách các lỗ trên tấm nền 75 x 45mm 
  Khoảng cách các lỗ lắp 11.1 x 8.6mm 
  Độ lệch tâm 32mm 
  Sự can thiệp quay 145mm 
  Tổng chiều cao 105.5mm 
  Bán kính xoay 72.5mm 
  Độ cứng 77±5° Shore A 
  Tải trọng (động) 150kgs 


  Độ di chuyển mượt mà 
    ● ● ● ● ●

  Chế độ im lặng        ● ● ● ● ●

  Bảo vệ mặt sàn       ● ● ● ● ●

  Tải trọng (tĩnh) 225kgs 
  Nhiệt độ -20°C to +70°C 
  Càng bánh xe Xoay 
  Thép không gỉ N/A
  Dẫn điện N/A 
  Chống tĩnh điện N/A 
  Trọng lượng bánh xe đẩy 1.22kgs 
  Tiêu chuẩn kiểm nghiệm ISO22883
  
  
  © Bản quyền thuộc về 2026 DershengInternational www.dersheng.com
Sản phẩm liên quan
1165 Series — AMR/AGV-3 Bánh xe càng xoay (tải vừa) ổ bi chính xác đôi
AQPU Bánh xe (Xám vòng cung) đường kính bánh xe × chiều rộng bánh xe 75 x 30mm
KS-11650303601023
75 mm 150 Kgs 105.5 mm
Bánh xe cố định
Lớp mạ vàng, lắp đế, khoảng cách lỗ 75x45
Lõi nhôm, mặt lốp polyurethane chất lượng cao
Màu xám nhôm, vòng bi bánh xe—vòng bi chính xác
1165 Series — AMR/AGV-5 BÁNH XE CÀNG XOAY THÉP CƯỜNG LỰC- BÁNH ĐƠN(TẢI VỪA/NHẸ)
AQPU Bánh xe (Xám vòng cung) đường kính bánh xe × chiều rộng bánh xe 75 x 30mm
YJ-11390300602083
75 mm 160 Kgs 105.5 mm
Bánh xe xoay có đế đinh tán và khung dập – lỗ cao cấp
Hoàn thiện mạ kẽm, hệ thống lắp đặt trên đế (4T)
Lõi nhôm, mặt lốp polyurethane chất lượng cao
Vòng bi bánh xe màu xám – vòng bi chính xác.