|
|
Bảng dữ liệu sản phẩm |
|
|
|
||
| 1165 Series — AMR/AGV-3 Bánh xe càng xoay (tải vừa) ổ bi chính xác đôi |
|
|
||||
| AQPU Bánh xe (Xanh dương vòng cung) đường kính bánh xe × chiều rộng bánh xe 100 x 36mm |
|
|
||||
| EAN |
|
|||||
|
KS-11650403602043 |
|
|||||
|
|
|
|||||
| Bánh xe xoay có đế đinh tán và đế dập—lỗ chất lượng cao
Lớp mạ vàng, lắp trên đế, khoảng cách lỗ 80 x 60 Lõi nhôm, mặt đế bằng polyurethane chất lượng cao Vòng bi bánh xe màu xanh—vòng bi chính xác. |
|
|||||
|
|
|
|||||
| Mặt bánh xe: Được làm bằng polyurethane chất lượng cao Lõi bánh xe: lõi sắt/gang Mô tả sản phẩm chỉ mang tính chất tham khảo. Sản phẩm thực tế sẽ được ưu tiên. |
|
|||||
|
|
|
|||||
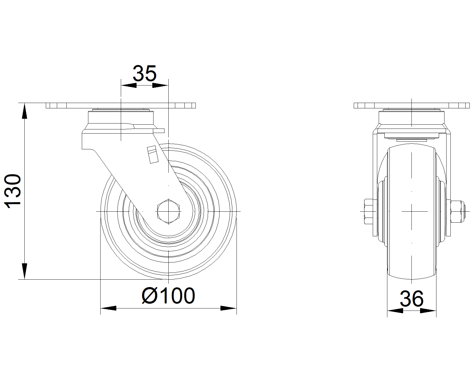
đơn vị mét đế quốc
Đường kính bánh xe
100mm
Chiều rộng bánh xe
36mm
|
|
|
||||
|
vòng bi bánh xe
Bánh xe trang bị vòng bi bi
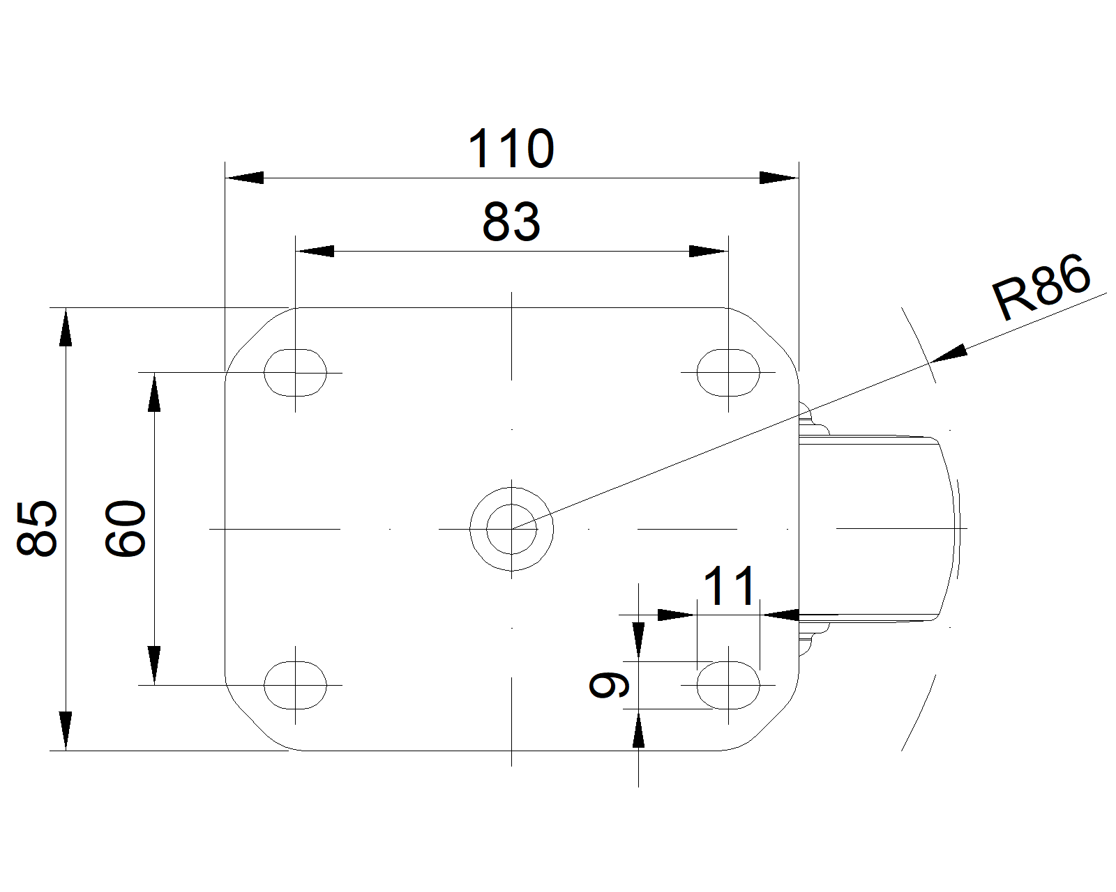
Quy cách tấm lắp
110 x 85mm
khoảng cách các lỗ trên tấm nền
80 x 60mm
Khoảng cách các lỗ lắp
11.1 x 8.6mm
Độ lệch tâm
35mm
Sự can thiệp quay
172mm
Tổng chiều cao
130mm
Bán kính xoay
86mm
Độ cứng
87±5° Shore A
Tải trọng (động)
200kgs
|
Độ di chuyển mượt mà ● ● ● ● ● Chế độ im lặng ● ● ● ● ● Bảo vệ mặt sàn ● ● ● ● ● |
|||||
|
Tải trọng (tĩnh)
300kgs
Nhiệt độ
-20°C to +70°C
Càng bánh xe
Xoay
|
|
|||||
|
Thép không gỉ
N/A
Dẫn điện
N/A
Chống tĩnh điện
N/A
Trọng lượng bánh xe đẩy
1.11kgs
Tiêu chuẩn kiểm nghiệm
ISO22883
|
|
|
||||
|
|
|||||
|
|
|||||
|
|
|||||
|
|
|||||
| © Bản quyền thuộc về 2026 DershengInternational www.dersheng.com | ||||||