|
|
Bảng dữ liệu sản phẩm |
|
|
|
||
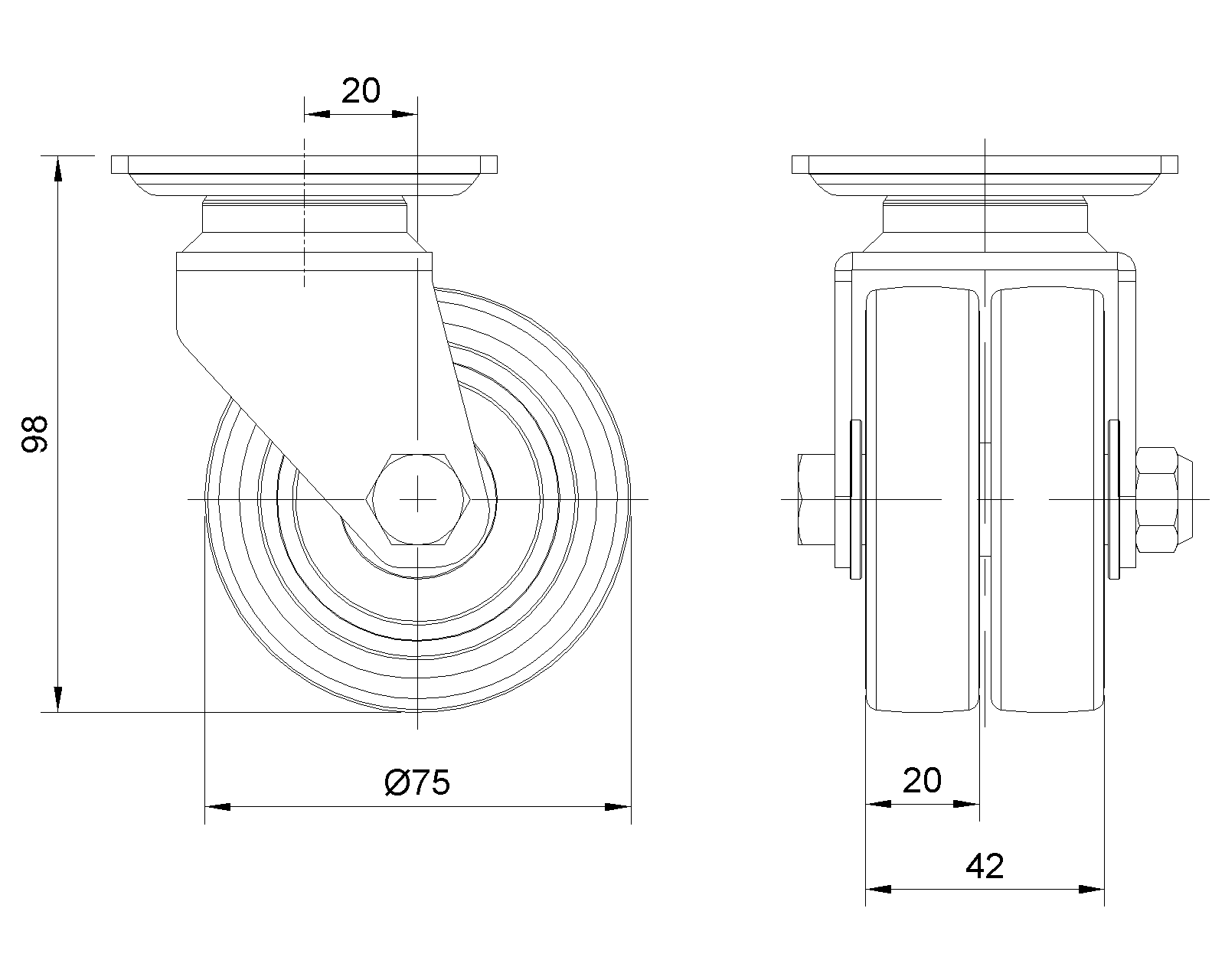
| 1165 Series — AMR/AGV-4 BÁNH XE CÀNG XOAY (TẢI VỪA) Ổ BI CHÍNH XÁC ĐƠN |
|
|
||||
| Lốp ZQPU (màu x) Đường kính lốp × Chiều rộng lốp 75×20 (41.5) mm |
|
|
||||
| EAN |
|
|||||
|
KS-11650304802033 |
|
|||||
|
|
|
|||||
Bánh xe xoay với khung thép hàn Bề mặt mạ kẽm, lắp đế, khoảng cách lỗ 55x52 Lõi bánh xe bằng gang, gai polyurethane chất lượng cao, phay màu xanh Vòng bi bánh xe—vòng bi chính xác đặc biệt giúp giảm lực cản khi vận hành Bánh xe đôi ZQPU, được thiết kế công thái học giúp khởi động và quay đầu dễ dàng hơn |
|
|||||
|
|
|
|||||
| Mặt bánh xe: Được làm bằng polyurethane chất lượng cao Lõi bánh xe: lõi sắt/gang Mô tả sản phẩm chỉ mang tính chất tham khảo. Sản phẩm thực tế sẽ được ưu tiên. |
|
|||||
|
|
|
|||||
đơn vị mét đế quốc
Đường kính bánh xe
75mm
Chiều rộng bánh xe
41.5mm
|
|
|
||||
|
vòng bi bánh xe
Bánh xe trang bị vòng bi bi
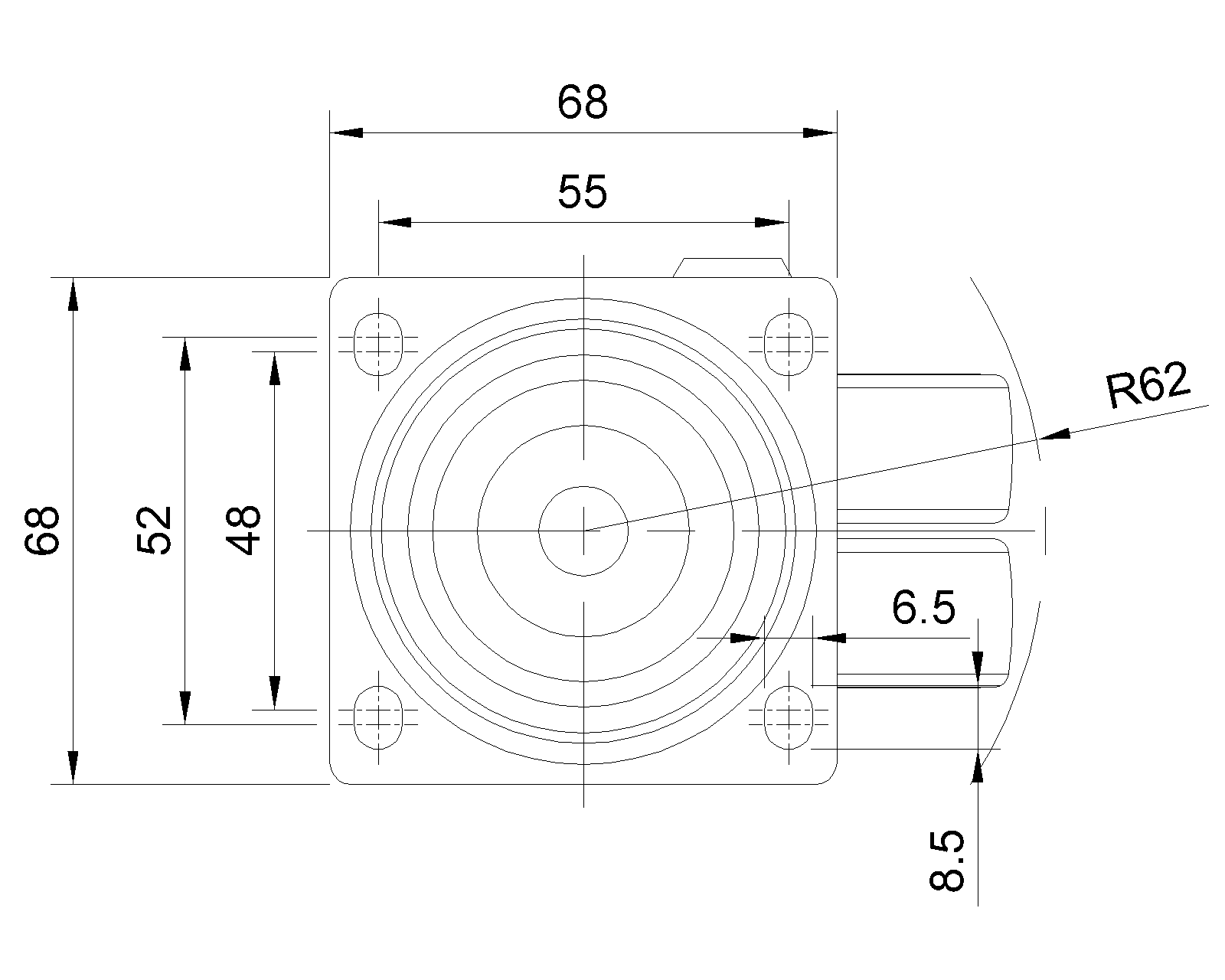
Quy cách tấm lắp
68 x 68mm
khoảng cách các lỗ trên tấm nền
55 x 52mm
Khoảng cách các lỗ lắp
8.5 x 6.5mm
Độ lệch tâm
20mm
Sự can thiệp quay
124mm
Tổng chiều cao
98mm
Bán kính xoay
62mm
Độ cứng
87±5° Shore A
Tải trọng (động)
200kgs
|
Độ di chuyển mượt mà ● ● ● ● ● Chế độ im lặng ● ● ● ● ● Bảo vệ mặt sàn ● ● ● ● ● |
|||||
|
Tải trọng (tĩnh)
300kgs
Nhiệt độ
-20°C to +70°C
Càng bánh xe
Xoay
|
|
|||||
|
Thép không gỉ
N/A
Dẫn điện
N/A
Chống tĩnh điện
N/A
Trọng lượng bánh xe đẩy
2.21kgs
Tiêu chuẩn kiểm nghiệm
ISO22883
|
|
|
||||
|
|
|||||
|
|
|||||
|
|
|||||
|
|
|||||
| © Bản quyền thuộc về 2026 DershengInternational www.dersheng.com | ||||||