|
|
Phiếu thông tin sản phẩm |
|
|
|
||
| 1165 Series — AMR/AGV-5 BÁNH XE CÀNG XOAY THÉP CƯỜNG LỰC- BÁNH ĐƠN(TẢI VỪA/NHẸ) |
|
|
||||
| Chống tĩnh điện HPU Bánh xe (hồ quang đen) Đường kính bánh xe × Chiều rộng bánh xe 72 × 30 mm |
|
|
||||
| EAN |
|
|||||
|
KS-11650305752233 |
|
|||||
|
|
|
|||||
| Bánh xe di động, đế đinh tán và dập - lỗ cao cấp
Bề mặt mạ điện, thiết bị lắp đế, khoảng cách lỗ 85x75mm Lõi bánh xe bằng nhôm, bề mặt bánh xe bằng polyurethane chất lượng cao Vòng bi bánh xe màu đen phay - vòng bi bi chính xác |
|
|||||
|
|
|
|||||
| Bề mặt bánh xe: Được làm bằng polyurethane chất lượng cao Lõi bánh xe: Lõi sắt/gang Mô tả sản phẩm chỉ mang tính chất tham khảo. Sản phẩm thực tế sẽ được ưu tiên. |
|
|||||
|
|
|
|||||
đơn vị mét đế quốc
Đường kính bánh xe
72mm
Chiều rộng bánh xe
62mm
|
|
|
||||
|
vòng bi bánh xe
Bánh xe trang bị vòng bi bi
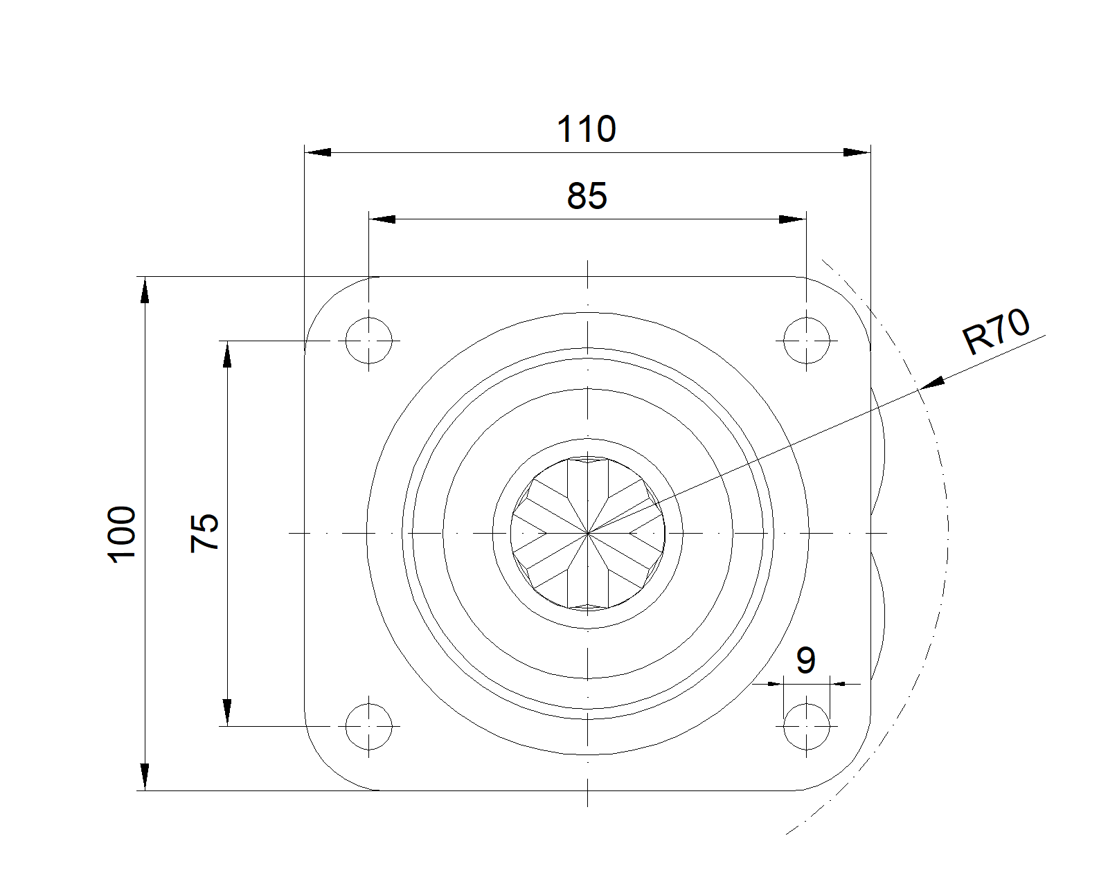
Quy cách tấm lắp
110 x 100mm
khoảng cách các lỗ trên tấm nền
85 x 75mm
Khoảng cách các lỗ lắp
9mm
Độ lệch tâm
21.7mm
Sự can thiệp quay
140mm
Tổng chiều cao
100mm
Bán kính xoay
70mm
Độ cứng
92±5° Shore A
Tải trọng (động)
300kgs
|
Độ di chuyển mượt mà ● ● ● ● ● Chế độ im lặng ● ● ● ● ○ Bảo vệ mặt sàn ● ● ● ● ● |
|||||
|
Tải trọng (tĩnh)
450kgs
Nhiệt độ
-20°C to +70°C
Càng bánh xe
Xoay
|
|
|||||
|
Thép không gỉ
N/A
Dẫn điện
N/A
Chống tĩnh điện
Y 10^6/~10^9/02
Trọng lượng bánh xe đẩy
2.31kgs
Tiêu chuẩn kiểm nghiệm
ISO22883
|
|
|
||||
|
|
|||||
|
|
|||||
|
|
|||||
|
|
|||||
| © Bản quyền thuộc về 2026 DershengInternational www.dersheng.com | ||||||