|
|
Bảng dữ liệu sản phẩm |
|
|
|
||
| AMR/AGV- 7 BÁNH XE GIẢM CHẤN (TẢI VỪA) |
|
|
||||
| AQPU Bánh xe (Xám vòng cung) đường kính bánh xe × chiều rộng bánh xe 100 x 31mm |
|
|
||||
| EAN |
|
|||||
|
KS-11650407602113 |
|
|||||
|
|
|
|||||
| Bánh xe lò xo với khung thép hàn
Hoàn thiện mạ kẽm, lắp đế, khoảng cách lỗ 75x45 Lõi gang với gai polyurethane chất lượng cao, màu xám nhôm Vòng bi bánh xe—vòng bi chính xác |
|
|||||
|
|
|
|||||
| Mặt bánh xe: Được làm bằng polyurethane chất lượng cao Lõi bánh xe: lõi sắt/gang Mô tả sản phẩm chỉ mang tính chất tham khảo. Sản phẩm thực tế sẽ được ưu tiên. |
|
|||||
|
|
|
|||||
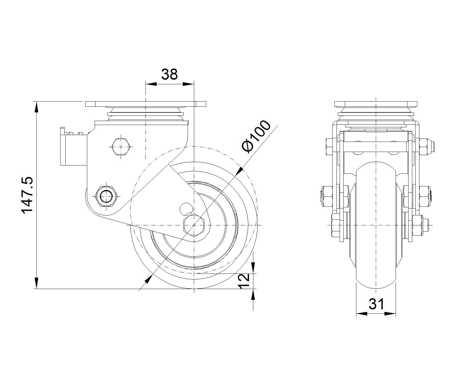
đơn vị mét đế quốc
Đường kính bánh xe
100mm
Chiều rộng bánh xe
31mm
|
|
|
||||
|
vòng bi bánh xe
Bánh xe trang bị vòng bi bi
Quy cách tấm lắp
95 x 65mm
khoảng cách các lỗ trên tấm nền
75 x 45mm
Khoảng cách các lỗ lắp
12 x 9mm
Độ lệch tâm
38mm
Sự can thiệp quay
182mm
Tổng chiều cao
147.5mm
Bán kính xoay
91mm
Độ cứng
77±5° Shore A
Tải trọng (động)
180kgs
|
Độ di chuyển mượt mà ● ● ● ● ● Chế độ im lặng ● ● ● ● ● Bảo vệ mặt sàn ● ● ● ● ● |
|||||
|
Tải trọng (tĩnh)
270kgs
Nhiệt độ
-20°C to +70°C
Càng bánh xe
Xoay
|
|
|||||
|
Thép không gỉ
N/A
Dẫn điện
N/A
Chống tĩnh điện
N/A
Trọng lượng bánh xe đẩy
2.55kgs
Tiêu chuẩn kiểm nghiệm
ISO22883
|
|
|
||||
|
|
|||||
|
|
|||||
|
|
|||||
|
|
|||||
| © Bản quyền thuộc về 2026 DershengInternational www.dersheng.com | ||||||