Bảng dữ liệu sản phẩm
AMR/AGV- 7 BÁNH XE GIẢM CHẤN (TẢI VỪA)
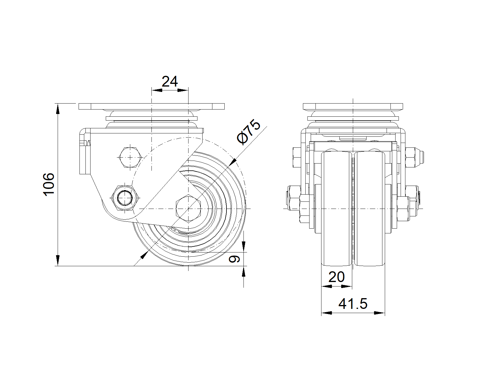
  Lốp ZQPU (màu x) Đường kính lốp × Chiều rộng lốp 75×20 (41.5) mm
  EAN
      KS-11650307802013
         
Bánh xe lò xo với khung thép hàn
Hoàn thiện mạ kẽm, lắp đế, khoảng cách lỗ 75x45
Lõi gang với gai polyurethane chất lượng cao
Hoàn thiện màu xanh, ổ trục bánh xe—ổ trục bi chính xác
  Bề mặt bánh xe: Được làm bằng polyurethane chất lượng cao
  Lõi bánh xe: lõi sắt/lõi gang

    Mô tả sản phẩm chỉ mang tính chất tham khảo. Sản phẩm thực tế sẽ được ưu tiên.



     
      đơn vị mét đế quốc
  Đường kính bánh xe 75mm 

  Chiều rộng bánh xe 41.5mm 
  vòng bi bánh xe Bánh xe trang bị vòng bi bi
  Quy cách tấm lắp 95 x 65mm 
  khoảng cách các lỗ trên tấm nền 75 x 45mm 
  Khoảng cách các lỗ lắp 12 x 9mm 
  Độ lệch tâm 24mm 
  Sự can thiệp quay 130mm 
  Tổng chiều cao 106mm 
  Bán kính xoay 65mm 
  Độ cứng 87±5° Shore A 
  Tải trọng (động) 200kgs 


  Độ di chuyển mượt mà 
    ● ● ● ● ●

  Chế độ im lặng        ● ● ● ● ●

  Bảo vệ mặt sàn       ● ● ● ● ●

  Tải trọng (tĩnh) 300kgs 
  Nhiệt độ -20°C to +70°C 
  Càng bánh xe Xoay 
  Thép không gỉ N/A
  Dẫn điện N/A 
  Chống tĩnh điện N/A 
  Trọng lượng bánh xe đẩy 2.10kgs 
  Tiêu chuẩn kiểm nghiệm ISO22883
  
  
  © Bản quyền thuộc về 2026 DershengInternational www.dersheng.com
Sản phẩm liên quan
1165 Series — AMR/AGV-3 Bánh xe càng xoay (tải vừa) ổ bi chính xác đôi
Lốp ZQPU (màu x) Đường kính lốp × Chiều rộng lốp 75×20 (41.5) mm
KS-11650303801033
75 mm 200 Kgs 105.5 mm
Bánh xe cố định với khung thép hàn
Bề mặt mạ kẽm, lắp đế, khoảng cách lỗ 75x45
Lõi bánh xe bằng gang, gai polyurethane chất lượng cao, phay màu xanh
Vòng bi bánh xe—vòng bi chính xác đặc biệt giúp giảm lực cản khi vận hành
Bánh xe đôi ZQPU, thiết kế công thái học giúp khởi động và quay đầu dễ dàng hơn
1165 Series — AMR/AGV-3 Bánh xe càng xoay (tải vừa) ổ bi chính xác đôi
Lốp ZQPU (màu x) Đường kính lốp × Chiều rộng lốp 75×20 (41.5) mm
KS-11650303802033
75 mm 200 Kgs 105.5 mm

Bánh xe xoay với khung thép hàn, hoàn thiện mạ kẽm
Lắp đế, khoảng cách lỗ 75x45
Lõi bánh xe bằng gang, gai polyurethane chất lượng cao, phay màu xanh
Vòng bi bánh xe—vòng bi chính xác đặc biệt giúp giảm lực cản khi vận hành
Bánh xe đôi ZQPU, được thiết kế công thái học giúp khởi động và quay đầu dễ dàng hơn
1165 Series — AMR/AGV-3 Bánh xe càng xoay (tải vừa) ổ bi chính xác đôi
Lốp ZQPU (màu x) Đường kính lốp × Chiều rộng lốp 75×20 (41.5) mm
KS-11650303802023
75 mm 200 Kgs 105.5 mm

Bánh xe xoay với khung thép hàn
Bề mặt mạ kẽm, lắp đế, khoảng cách lỗ 75x45
Lõi bánh xe bằng gang, gai polyurethane chất lượng cao, phay màu xanh
Vòng bi bánh xe—vòng bi chính xác đặc biệt giúp giảm lực cản khi vận hành
Bánh xe đôi ZQPU, được thiết kế công thái học giúp khởi động và quay đầu dễ dàng hơn