Product Data Sheet
1168 Levelling Caster Series
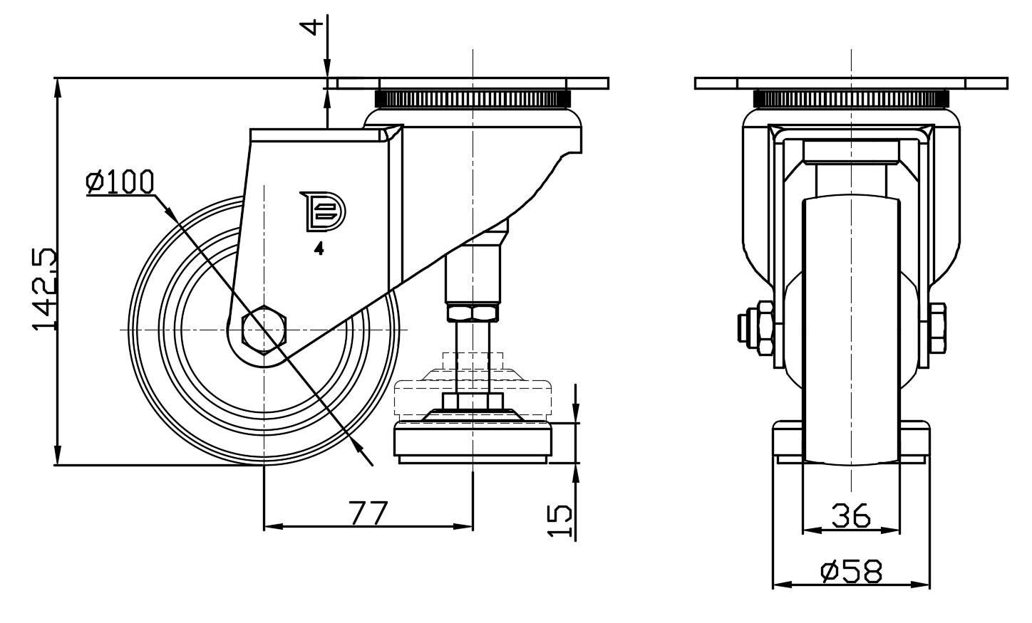
  MRC (Black) Wheel Diameter × Wheel Width 100×36mm
  EAN
         
  YJ-11680400072153    
Swivel Caster with Riveted Fork and Stamping Fork with 85 x 70mm (3-3/8" x 2-3/4") Bolt Hole Spacing. Zine-Plated, Fork-mounted Mounting Type with Height Adjustable Stand. Reinforced Polypropylene and tread. Black, Bearing with Ball Bearing.
  Wheel Tread: Thermoplastic (PA6)
  Wheel Center: Thermoplastic (PA6)

    Drawings are for reference only and may differ from the product



     
      Metric Imperial
  Wheel Diameter 100mm 

  Wheel Width 36mm 
  Wheel Bearing Wheels With Ball Bearings
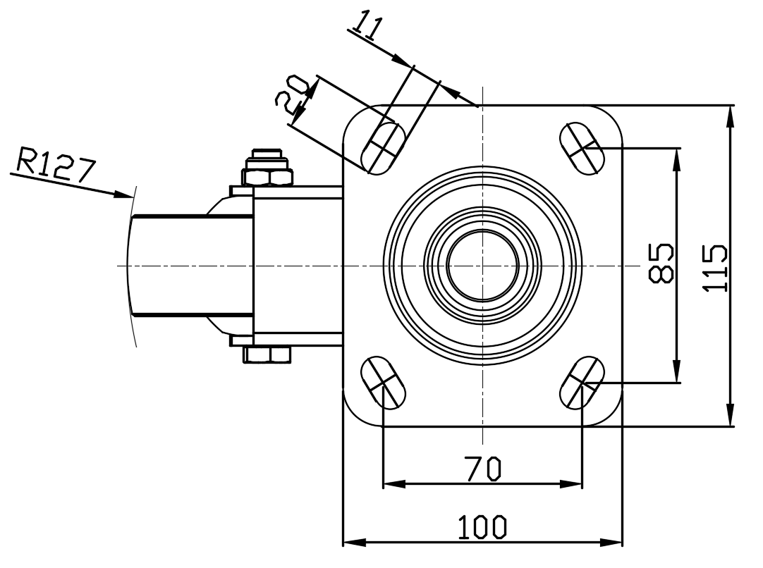
  Plate Size 115 x 100mm 
  Bolt Hole Spacing 85 x 70mm 
  Plate Hole 20 x 11mm 
  Offset 77mm 
  Swivel Interference 254mm 
  Overall Height 142.5mm 
  Swivel Radius 127mm 
  Hardness Of Tread 75±5° Shore D 
  Load Capacity (Dynamic) 250kgs 


  Rolling Resistance
        ● ● ● ● ●

  Operating Noise        ● ● ○ ○ ○

  Floor Surface Preservation  ● ● ○ ○ ○

  Load Capacity (Static) 1000kgs 
  Temperature -20°C to +80°C 
  Fork Type Swivel Caster 
  Stainless N/A
  Electrical Conductivity N/A 
  Anti-Static N/A 
  Weight 1.7kgs 
  Standard ISO22883
  
  
  © Copyright 2026 DershengInternational www.dersheng.com
Related  Products  
1168 Levelling Caster Series
MRC (Black) Wheel Diameter × Wheel Width 100×36mm
YJ-11680400071043
100 mm 250 Kgs 142.5 mm
Rigid castor, Stamping Fabricated Caster Fork - D-shaped hole Extended control lever surface, Mounting Type - Top Plate Reinforced Polypropylene and Wheel Tread Black, Bearing - Ball Bearing.
1168 Levelling Caster Series
MRC (Black) Wheel Diameter × Wheel Width 100×36mm
YJ-11680400072133
100 mm 250 Kgs 142.5 mm
Swivel Caster with Riveted Fork and Stamping Fork—D-shaped hole. Zine-Plated, Fork-mount Mounting Type. Reinforced Polypropylene and tread. Black. Bearing—Ball Bearing.
1168 Levelling Caster Series
MRC (Black) Wheel Diameter × Wheel Width 100×36mm
YJ-11680400072073
100 mm 250 Kgs 142.5 mm
Adjustable lift Caster with Riveted, Stamping Fork 85 x 70mm (3-3/8" x 2-3/4") Bolt Hole Spacing and Long Pedal. Zine-Plated, Mounting Type - Top Plate, and adjustable support. Reinforced Polypropylene and tread. Black, Bearing with Ball Bearing.
1168 Levelling Caster Series
MRC (Black) Wheel Diameter × Wheel Width 100×36mm
YJ-11680400072083
100 mm 250 Kgs 142.5 mm
Adjustable lift Caster with Riveted, Stamping Fork and 85 x 70mm (3-3/8" x 2-3/4") Bolt Hole Spacing, Short Pedal. Zine-Plated, Mounting Type - Top Plate, Height Adjustable Stand. Reinforced Polypropylene and tread. Black, Bearing with Ball Bearing.