產品資料表
1168 支撐升降輪系列  
  金鋼輪(黑色) 輪徑 × 輪寬 75×45 mm
  EAN
         
  YJ-11680250711013    
固定式腳輪,腳片焊接式腳架—歐規孔 表面鍍鋅,底板式(4T)安裝裝置 熱可塑性塑膠輪芯、輪面 黑色,輪子軸承—精密滾珠。
  輪面:熱塑性塑膠(POK )
  輪芯:熱塑性塑膠(POK )

    產品說明僅供參考一切以實體產品為主



     
      公制 英制
  輪徑 75mm 

  輪寬 45mm 
  輪子軸承 搭配滾珠軸承的輪子 
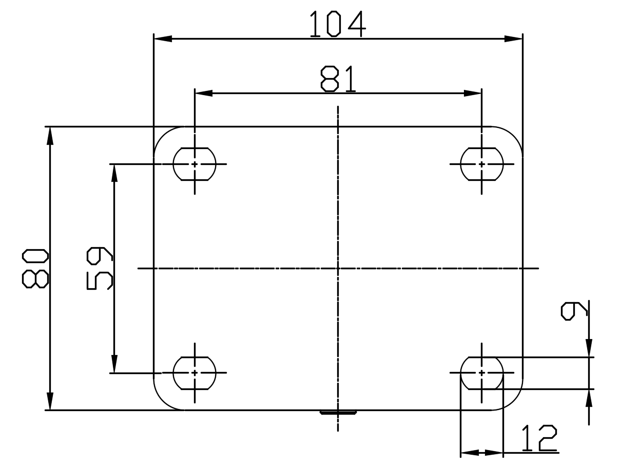
  底板規格 104 x 80mm 
  底板孔距 81 x 59mm   歐規孔
  底板孔徑 12 x 9mm 
  總高 102mm 
  硬度 75±5° Shore D 
  荷重(動態) 500kgs 


  滾動順暢
      ● ● ● ● ●

  靜音表現      ● ● ○ ○ ○

  保護地板      ● ● ○ ○ ○

  荷重(靜態) 750kgs 
  溫度 -20°C to +80°C 
  腳架樣式 固定 
  不銹鋼
  導電 否 
  抗靜電 否 
  腳輪重量 0.87kgs 
  測試標準 ISO22883
  
  
  © 版權所有 2026 得貹上好輪 www.dersheng.com
關  聯  產  品
1168 支撐升降輪系列  
金鋼輪(黑色) 輪徑 × 輪寬 75×45 mm
YJ-11680250712053
75 mm 400 Kgs 102 mm
活動式腳輪,底板鉚合沖壓腳架—歐規孔 表面鍍鋅,底板式(4T)安裝裝置 熱可塑性塑膠輪芯、輪面 黑色,輪子軸承—精密滾珠。