Bảng dữ liệu sản phẩm
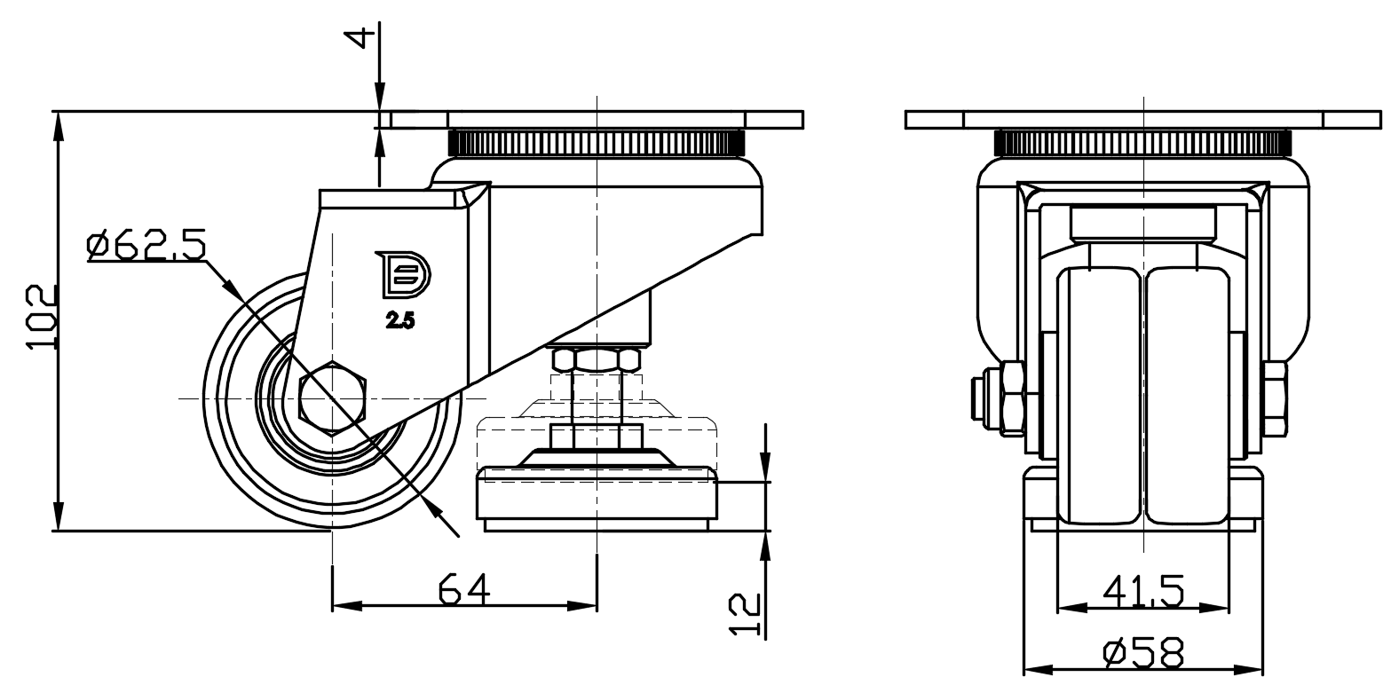
1168 Series — BÁNH XE CHÂN TĂNG CHỈNH
  Lốp ZQPU (Milled Blue)đường kính lốp × chiều rộng lốp 62.5 × 20(41.5) mm
  EAN
         
  YJ-11680250802073    
Bánh xe xoay có đế đinh tán và đế dập—lỗ hình chữ D.
Hoàn thiện mạ kẽm, cơ cấu lắp đặt gắn trên đế (4T) với đế đỡ có thể điều chỉnh.
Lõi gang với mặt đế polyurethane chất lượng cao.
Màu xanh lam. Vòng bi bánh xe—vòng bi chính xác.
  Bề mặt bánh xe: polyurethane chất lượng cao
  Lõi bánh xe: lõi gang

    Mô tả sản phẩm chỉ mang tính chất tham khảo. Sản phẩm thực tế sẽ được ưu tiên.



     
      đơn vị mét đế quốc
  Đường kính bánh xe 62.5mm 

  Chiều rộng bánh xe 41.5mm 
  vòng bi bánh xe Bánh xe trang bị vòng bi bi
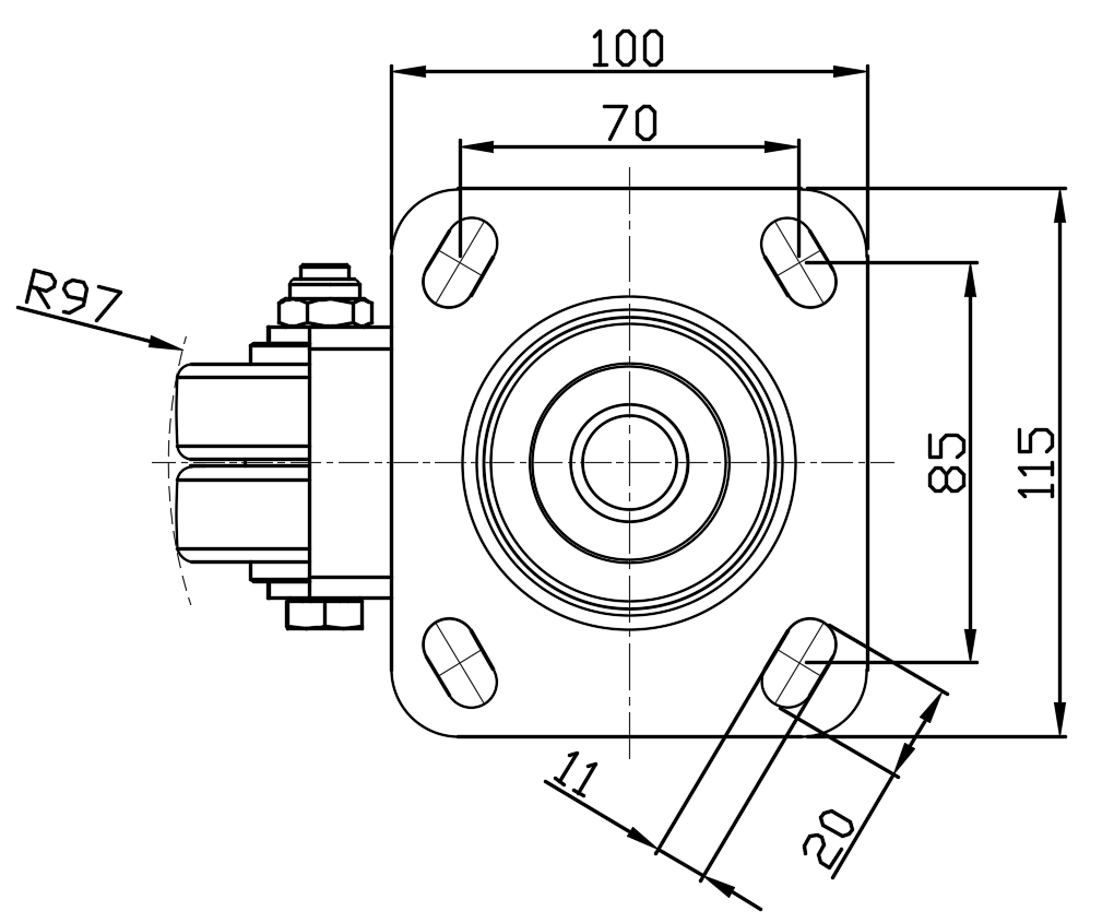
  Quy cách tấm lắp 115 x 100mm 
  khoảng cách các lỗ trên tấm nền 85 x 70mm 
  Khoảng cách các lỗ lắp 20 x 11mm 
  Độ lệch tâm 64mm 
  Sự can thiệp quay 194mm 
  Tổng chiều cao 102mm 
  Bán kính xoay 97mm 
  Độ cứng 87±5° Shore A 
  Tải trọng (động) 200kgs 


  Độ di chuyển mượt mà 
    ● ● ● ● ●

  Chế độ im lặng        ● ● ● ● ●

  Bảo vệ mặt sàn       ● ● ● ● ●

  Tải trọng (tĩnh) 1000kgs 
  Nhiệt độ -20°C to +70°C 
  Càng bánh xe Xoay 
  Thép không gỉ N/A
  Dẫn điện N/A 
  Chống tĩnh điện N/A 
  Trọng lượng bánh xe đẩy 1.81kgs 
  Tiêu chuẩn kiểm nghiệm ISO22883
  
  
  © Bản quyền thuộc về 2026 DershengInternational www.dersheng.com
Sản phẩm liên quan
1168 Series — BÁNH XE CHÂN TĂNG CHỈNH
Bánh ZQPU (Xanh Phay) Đường Kính Bánh × Độ Rộng Bánh 62,5 × 20 (41,5) mm
YJ-11680250802043
62.5 mm 200 Kgs 102 mm
Bánh xe nâng có thể điều chỉnh. Đế được tán đinh và dập lỗ chữ D, bàn đạp ngắn.
Hoàn thiện mạ kẽm, cơ cấu lắp đế (4T) với đế đỡ có thể điều chỉnh.
Lõi bánh xe bằng gang với gai polyurethane chất lượng cao.
Màu xanh lam, vòng bi bánh xe—vòng bi chính xác.