Bảng dữ liệu sản phẩm
1168 Series — BÁNH XE CHÂN TĂNG CHỈNH
  Lốp kim cương (màu đen) Đường kính lốp × Chiều rộng lốp 75×45 mm
  EAN
         
  YJ-11680300712053    
Bánh xe xoay có đế đinh tán và giá đỡ dập—lỗ tiêu chuẩn Châu Âu
Hoàn thiện mạ kẽm, lắp đế
Lõi bánh xe và mặt bánh xe bằng nhựa nhiệt dẻo
Vòng bi bánh xe màu đen—vòng bi chính xác.
  Bề mặt bánh xe: Nhựa nhiệt dẻo (POK)
  Lõi bánh xe: Nhựa nhiệt dẻo (POK)

    Mô tả sản phẩm chỉ mang tính chất tham khảo. Sản phẩm thực tế sẽ được ưu tiên.



     
      đơn vị mét đế quốc
  Đường kính bánh xe 75mm 

  Chiều rộng bánh xe 45mm 
  vòng bi bánh xe Bánh xe trang bị vòng bi bi
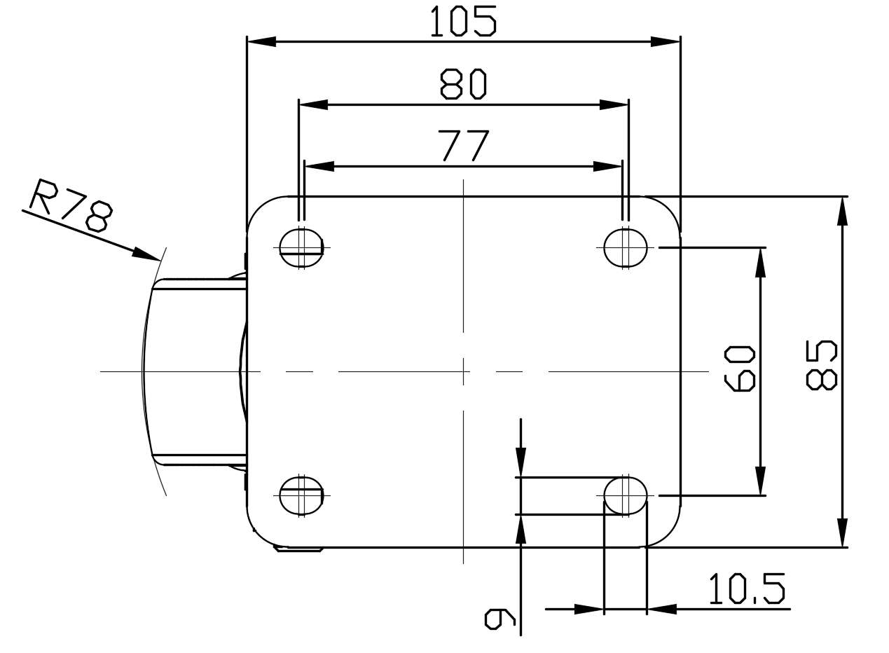
  Quy cách tấm lắp 105 x 85mm 
  khoảng cách các lỗ trên tấm nền 80 x 60mm 
  Khoảng cách các lỗ lắp 10.5 x 9mm 
  Độ lệch tâm 40mm 
  Sự can thiệp quay 156mm 
  Tổng chiều cao 120mm 
  Bán kính xoay 78mm 
  Độ cứng 75±5° Shore D 
  Tải trọng (động) 400kgs 


  Độ di chuyển mượt mà 
    ● ● ● ● ●

  Chế độ im lặng        ● ● ○ ○ ○

  Bảo vệ mặt sàn       ● ● ○ ○ ○

  Tải trọng (tĩnh) 600kgs 
  Nhiệt độ -20°C to +80°C 
  Càng bánh xe Xoay 
  Thép không gỉ N/A
  Dẫn điện N/A 
  Chống tĩnh điện N/A 
  Trọng lượng bánh xe đẩy 1.36kgs 
  Tiêu chuẩn kiểm nghiệm ISO22883
  
  
  © Bản quyền thuộc về 2026 DershengInternational www.dersheng.com
Sản phẩm liên quan
1168 Series — BÁNH XE CHÂN TĂNG CHỈNH
Lốp kim cương (màu đen) Đường kính lốp × Chiều rộng lốp 75×45 mm
YJ-11680300712073
75 mm 220 Kgs 120 mm
Bánh xe xoay có đế đinh tán và giá đỡ dập—lỗ tiêu chuẩn Châu Âu.
Hoàn thiện mạ kẽm, lắp đặt trên đế, đế đỡ có thể điều chỉnh.
Lõi bánh xe và gai bánh xe bằng nhựa nhiệt dẻo.
Vòng bi bánh xe màu đen—vòng bi chính xác.
1168 Series — BÁNH XE CHÂN TĂNG CHỈNH
Lốp kim cương (màu đen) Đường kính lốp × Chiều rộng lốp 75×45 mm
YJ-11680300712013
75 mm 260 Kgs 120 mm
Bánh xe nâng có thể điều chỉnh, đế bánh xe có chân đế đinh tán và lỗ tiêu chuẩn Châu Âu, bàn đạp dài
Hoàn thiện mạ kẽm, lắp đế bánh xe, đế đỡ có thể điều chỉnh
Lõi bánh xe và mặt bánh xe bằng nhựa nhiệt dẻo
Vòng bi bánh xe màu đen với vòng bi chính xác.
1168 Series — BÁNH XE CHÂN TĂNG CHỈNH
Lốp kim cương (màu đen) Đường kính lốp × Chiều rộng lốp 75×45 mm
YJ-11680300712023
75 mm 260 Kgs 120 mm
Bánh xe nâng có thể điều chỉnh, đế bánh xe có chân đế đinh tán và lỗ tiêu chuẩn Châu Âu, bàn đạp ngắn
Hoàn thiện mạ kẽm, lắp đế bánh xe, đế đỡ có thể điều chỉnh
Lõi bánh xe và mặt bánh xe bằng nhựa nhiệt dẻo
Đen, ổ trục bánh xe với ổ trục bi chính xác.
1168 Series — BÁNH XE CHÂN TĂNG CHỈNH
Lốp kim cương (màu đen) Đường kính lốp × Chiều rộng lốp 75×45 mm
TW-4116803002010
YJ-11680300712113
75 mm 260 Kgs 120 mm
Bánh xe nâng điều chỉnh được, tấm đế được tán đinh và dập khuôn với các lỗ tiêu chuẩn Châu Âu, bàn đạp dài
Bề mặt mạ kẽm, thiết bị lắp đặt tấm đế, với đế đỡ điều chỉnh được
Lõi bánh xe và bề mặt bánh xe bằng nhựa nhiệt dẻo, lớp bảo vệ bề mặt bánh xe bằng chất bịt kín nhiệt dẻo
Màu đen, vòng bi bánh xe—vòng bi cầu chính xác.