Bảng dữ liệu sản phẩm
1168 Series — BÁNH XE CHÂN TĂNG CHỈNH
  Lốp ZQPU (màu x) Đường kính lốp × Chiều rộng lốp 75×20 (41.5) mm
  EAN
         
  YJ-11680300802013    
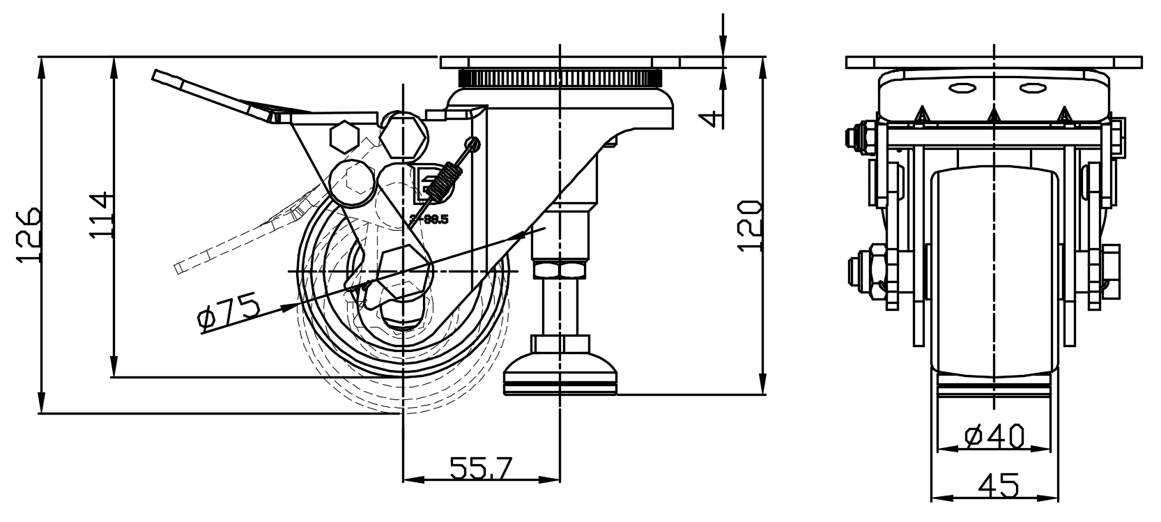
Bánh xe nâng có thể điều chỉnh, đế bánh xe có chân đế đinh tán và lỗ tiêu chuẩn Châu Âu, bàn đạp dài
Hoàn thiện mạ kẽm, lắp đế bánh xe, đế đỡ có thể điều chỉnh
Lõi bánh xe bằng gang với gai polyurethane chất lượng cao
Màu xanh lam, ổ trục bánh xe với ổ bi chính xác.
  Bề mặt bánh xe: polyurethane chất lượng cao
  Lõi bánh xe: lõi gang

    Mô tả sản phẩm chỉ mang tính chất tham khảo. Sản phẩm thực tế sẽ được ưu tiên.



     
      đơn vị mét đế quốc
  Đường kính bánh xe 75mm 

  Chiều rộng bánh xe 41.5mm 
  vòng bi bánh xe Bánh xe trang bị vòng bi bi
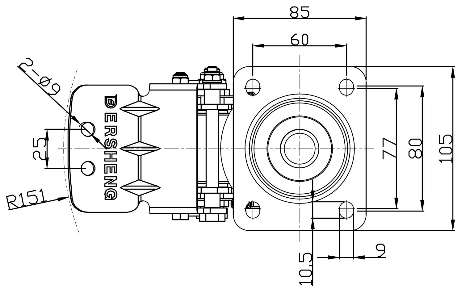
  Quy cách tấm lắp 105 x 85mm 
  khoảng cách các lỗ trên tấm nền 80 x 60mm 
  Khoảng cách các lỗ lắp 10.5 x 9mm 
  Độ lệch tâm 56mm 
  Sự can thiệp quay 302mm 
  Tổng chiều cao 120mm 
  Bán kính xoay 151mm 
  Độ cứng 87±5° Shore A 
  Tải trọng (động) 260kgs 


  Độ di chuyển mượt mà 
    ● ● ● ● ●

  Chế độ im lặng        ● ● ● ● ●

  Bảo vệ mặt sàn       ● ● ● ● ●

  Tải trọng (tĩnh) 1000kgs 
  Nhiệt độ -20°C to +70°C 
  Càng bánh xe Xoay 
  Thép không gỉ N/A
  Dẫn điện N/A 
  Chống tĩnh điện N/A 
  Trọng lượng bánh xe đẩy 2.38kgs 
  Tiêu chuẩn kiểm nghiệm ISO22883
  
  
  © Bản quyền thuộc về 2026 DershengInternational www.dersheng.com
Sản phẩm liên quan
1168 Series — BÁNH XE CHÂN TĂNG CHỈNH
Lốp ZQPU (màu x) Đường kính lốp × Chiều rộng lốp 75×20 (41.5) mm
YJ-11680300801013
75 mm 300 Kgs 120 mm
Bánh xe cố định với đế dập liền khối và lỗ tiêu chuẩn Châu Âu.
Hoàn thiện mạ kẽm, lắp đế.
Lõi gang với gai polyurethane chất lượng cao.
Màu xanh. Vòng bi bánh xe: vòng bi bi chính xác.
1168 Series — BÁNH XE CHÂN TĂNG CHỈNH
Lốp ZQPU (màu x) Đường kính lốp × Chiều rộng lốp 75×20 (41.5) mm
YJ-11680300802053
75 mm 300 Kgs 120 mm
Bánh xe xoay có đế đinh tán và giá đỡ dập - lỗ tiêu chuẩn Châu Âu
Hoàn thiện mạ kẽm, lắp đế
Lõi gang, mặt đế bằng polyurethane chất lượng cao
Màu xanh, ổ trục bánh xe - ổ trục bi chính xác.
1168 Series — BÁNH XE CHÂN TĂNG CHỈNH
Lốp ZQPU (màu x) Đường kính lốp × Chiều rộng lốp 75×20 (41.5) mm
YJ-11680300802073
75 mm 220 Kgs 120 mm
Bánh xe xoay với đế đinh tán, dập và lỗ tiêu chuẩn Châu Âu.
Hoàn thiện mạ kẽm, lắp đế, đế đỡ có thể điều chỉnh.
Lõi gang với mặt đế polyurethane chất lượng cao.
Màu xanh dương. Vòng bi bánh xe: vòng bi bi chính xác.
1168 Series — BÁNH XE CHÂN TĂNG CHỈNH
Lốp ZQPU (màu x) Đường kính lốp × Chiều rộng lốp 75×20 (41.5) mm
YJ-11680300802023
75 mm 220 Kgs 120 mm
Bánh xe nâng có thể điều chỉnh, đế bánh xe có chân đế đinh tán và lỗ tiêu chuẩn Châu Âu, bàn đạp ngắn
Hoàn thiện mạ kẽm, lắp đế bánh xe, đế đỡ có thể điều chỉnh
Lõi bánh xe bằng gang với gai polyurethane chất lượng cao
Màu xanh lam, ổ trục bánh xe với ổ bi chính xác.