Bảng dữ liệu sản phẩm
1168 Series — BÁNH XE CHÂN TĂNG CHỈNH
  Bánh MRC (đen) Đường kính bánh × Chiều rộng bánh 100×36mm
  EAN
         
  YJ-11680400072083    
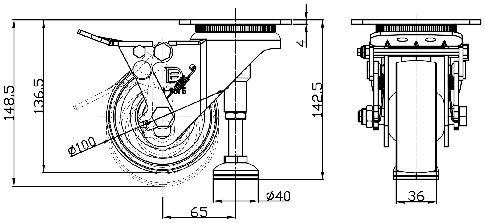
Bánh xe nâng có thể điều chỉnh được với đế đinh tán, dập và lỗ chữ D, bàn đạp ngắn.
Hoàn thiện mạ kẽm, lắp đế, đế đỡ có thể điều chỉnh được.
Lõi bánh xe và mặt bánh xe bằng nhựa nhiệt dẻo.
Vòng bi bánh xe màu đen với vòng bi chính xác.
  Bề mặt bánh xe: Nhựa nhiệt dẻo (PA6)
  Lõi bánh xe: Nhựa nhiệt dẻo (PA6)

    Mô tả sản phẩm chỉ mang tính chất tham khảo. Sản phẩm thực tế sẽ được ưu tiên.



     
      đơn vị mét đế quốc
  Đường kính bánh xe 100mm 

  Chiều rộng bánh xe 36mm 
  vòng bi bánh xe Bánh xe trang bị vòng bi bi
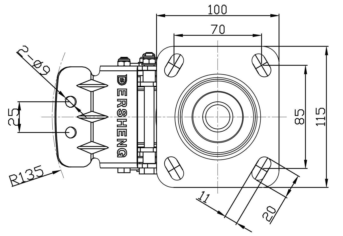
  Quy cách tấm lắp 115 x 100mm 
  khoảng cách các lỗ trên tấm nền 85 x 70mm 
  Khoảng cách các lỗ lắp 20 x 11mm 
  Độ lệch tâm 65mm 
  Sự can thiệp quay 270mm 
  Tổng chiều cao 142.5mm 
  Bán kính xoay 135mm 
  Độ cứng 75±5° Shore D 
  Tải trọng (động) 250kgs 


  Độ di chuyển mượt mà 
    ● ● ● ● ●

  Chế độ im lặng        ● ● ○ ○ ○

  Bảo vệ mặt sàn       ● ● ○ ○ ○

  Tải trọng (tĩnh) 1000kgs 
  Nhiệt độ -20°C to +80°C 
  Càng bánh xe Xoay 
  Thép không gỉ N/A
  Dẫn điện N/A 
  Chống tĩnh điện N/A 
  Trọng lượng bánh xe đẩy 2kgs 
  Tiêu chuẩn kiểm nghiệm ISO22883
  
  
  © Bản quyền thuộc về 2026 DershengInternational www.dersheng.com
Sản phẩm liên quan
1168 Series — BÁNH XE CHÂN TĂNG CHỈNH
Bánh MRC (đen) Đường kính bánh × Chiều rộng bánh 100×36mm
YJ-11680400071043
100 mm 250 Kgs 142.5 mm
Bánh xe cố định, khung chân dập liền khối - Lỗ hình chữ D
Bề mặt mạ kẽm, thiết bị lắp tấm đế
Lõi bánh xe và bề mặt bánh xe bằng nhựa nhiệt dẻo
Đen, ổ trục bánh xe - bi chính xác.
1168 Series — BÁNH XE CHÂN TĂNG CHỈNH
Bánh MRC (đen) Đường kính bánh × Chiều rộng bánh 100×36mm
YJ-11680400072133
100 mm 250 Kgs 142.5 mm
Bánh xe xoay có đế đinh tán và đế dập—lỗ hình chữ D.
Hoàn thiện mạ kẽm, lắp đặt trên đế.
Lõi bánh xe và mặt bánh xe bằng nhựa nhiệt dẻo.
Màu đen. Vòng bi bánh xe—vòng bi chính xác.
1168 Series — BÁNH XE CHÂN TĂNG CHỈNH
Bánh MRC (đen) Đường kính bánh × Chiều rộng bánh 100×36mm
YJ-11680400072153
100 mm 250 Kgs 142.5 mm
Bánh xe xoay có đế đinh tán và đế dập có lỗ hình chữ D.
Hoàn thiện mạ kẽm, lắp đặt trên đế với đế đỡ có thể điều chỉnh.
Lõi bánh xe và mặt bánh xe bằng nhựa nhiệt dẻo.
Vòng bi bánh xe màu đen với vòng bi chính xác.
1168 Series — BÁNH XE CHÂN TĂNG CHỈNH
Bánh MRC (đen) Đường kính bánh × Chiều rộng bánh 100×36mm
YJ-11680400072073
100 mm 250 Kgs 142.5 mm
Bánh xe nâng có thể điều chỉnh được với đế đinh tán, có lỗ chữ D và bàn đạp dài.
Hoàn thiện mạ kẽm, lắp đế và giá đỡ có thể điều chỉnh được.
Lõi bánh xe và gai bánh xe bằng nhựa nhiệt dẻo.
Vòng bi bánh xe màu đen với vòng bi chính xác.