Product Data Sheet
1102 B Type Caster Series
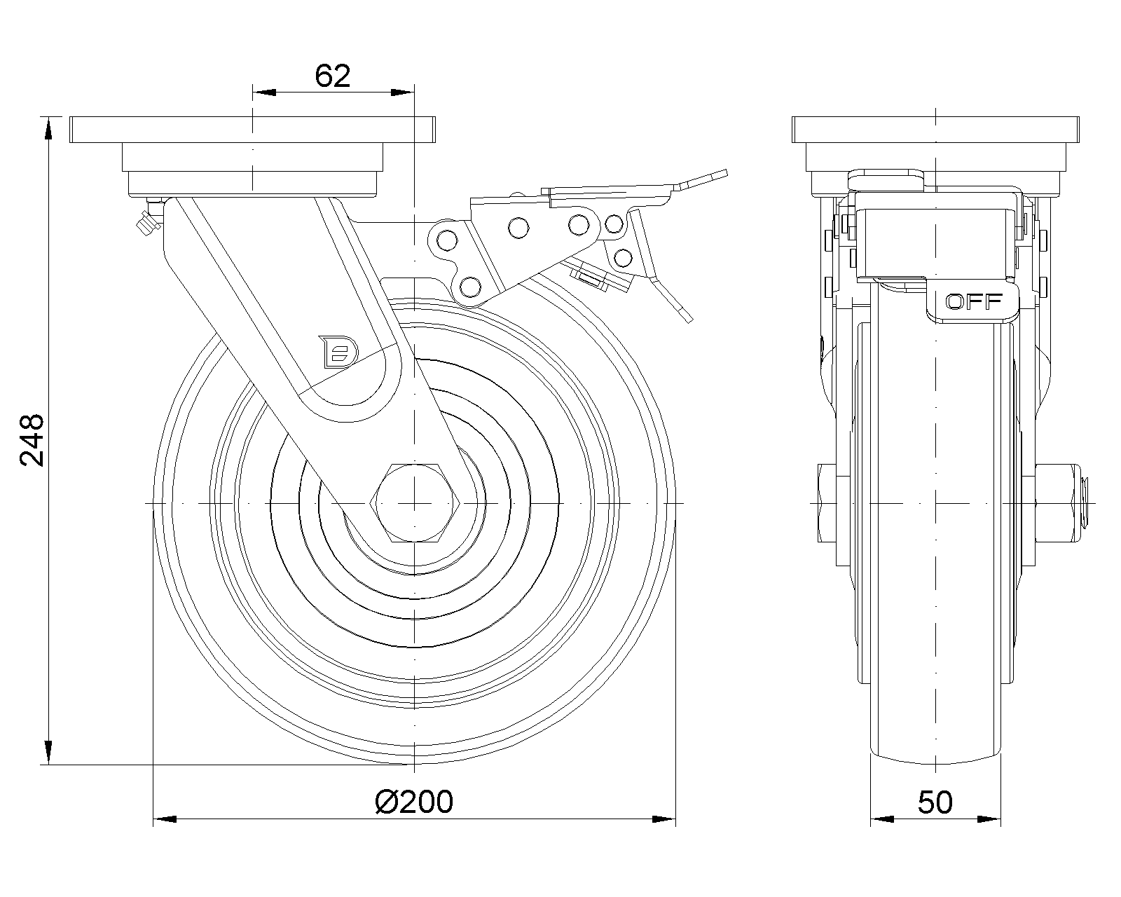
  CPD Wheel Diameter x Wheel Width 200 x 50mm
  D
      KS-11020800294061
         
Casters with front brake and With locking system, Welded Caster Fork Blue-painted finish, Mounting Type - Top Plate, 110x75 Bolt Hole Spacing Reinforced Polypropylene Wheel Center, natural Wheel Tread Bearings—Ball Bearings
  Wheel tread: Thermoplastic (PA6)
  Wheel Center: Thermoplastic (PA6)

    Drawings are for reference only and may differ from the product



     
      Metric Imperial
  Wheel Diameter 200mm 

  Wheel Width 50mm 
  Wheel Bearing Wheels With Ball Bearings
  Plate Size 140 x 110mm 
  Bolt Hole Spacing 110x75mm 
  Plate Hole 2213mm 
  Offset 62mm 
  Swivel Interference 368mm 
  Overall Height 248mm 
  Swivel Radius 184mm 
  Hardness Of Tread 72±5° Shore D 
  Load Capacity (Dynamic) 400kgs 


  Rolling Resistance
        ● ● ● ● ●

  Operating Noise        ● ● ● ○ ○

  Floor Surface Preservation  ● ● ● ○ ○

  Load Capacity (Static) 600kgs 
  Temperature -12°C to +60°C 
  Fork Type Swivel Caster With Front Brake
  Stainless N/A
  Electrical Conductivity N/A 
  Anti-Static N/A 
  Weight 4.82kgs 
  Standard ISO22883
  
  
  © Copyright 2025 DershengInternational www.dersheng.com
關  聯  產  品
1102 B Type Caster Series
CPD Wheel Diameter x Wheel Width 200 x 50mm
KS-11020800291011
200 mm 400 Kgs 248 mm
Rigid Caster, Welded Caster Fork, blue paint finish Mounting Type - Top Plate, 110x75 Bolt Hole Spacing Polypropylene Wheel Center, Natural Color wheel tread Bearing—Ball Bearing
1102 B Type Caster Series
CPD Wheel Diameter x Wheel Width 200 x 50mm
KS-11020800294071
200 mm 400 Kgs 248 mm
Casters with front brake and With locking system, Welded Caster Fork Blue-painted finish, Mounting Type - Top Plate, 110x75 Bolt Hole Spacing Reinforced Polypropylene Wheel Center, natural Wheel Tread Bearings—Ball Bearings with special Anti-thread wheel cover
1102 B Type Caster Series
CPD Wheel Diameter x Wheel Width 200 x 50mm
KS-11020800294071
200 mm 400 Kgs 248 mm
Casters with Front Brake locking system, Welded Caster Fork, blue paint finish Mounting Type - Top Plate, 110x75 Bolt Hole Spacing Polypropylene Wheel Center, natural wheel tread Bearing—Ball Bearing with special Anti-thread wheel cover
1102 B Type Caster Series
CPD Wheel Diameter x Wheel Width 200 x 50mm
KS-11020800291021
200 mm 400 Kgs 248 mm
Rigid Caster with Welded Caster Fork and blue paint finish.
Mounting Type - Top Plate, 110x75 Bolt Hole Spacing
Polypropylene Wheel Center, natural Wheel Tread
Bearings—Ball Bearings with special anti-twist wheel covers