Product Data Sheet
1110-2 Light Duty Wire & Shelving/Display Series
  PU (Black Transparent) Wheel Diameter × Wheel Width 76 × 23.5mm
  EAN
         
  YJ-11100300952014    
Swivel Caster with Riveted Fork and Stamping Fork with 85 x 70mm (3-3/8" x 2-3/4") Bolt Hole Spacings.
Electroplated surface, Mounting Type - Top Plate.
Polypropylene core with High Quality Polyurethane Wheel Tread.
Translucent black finish. Bearings: Ball Bearings.
  Wheel surface: high quality polyurethane
  Wheel Center:Polypropylene

    Drawings are for reference only and may differ from the product



     
      Metric Imperial
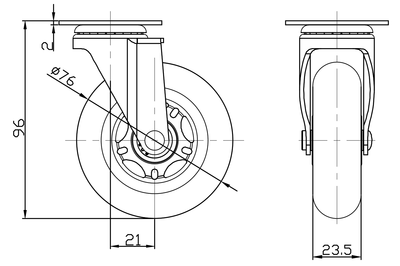
  Wheel Diameter 76mm 

  Wheel Width 23.5mm 
  Wheel Bearing Wheels With Ball Bearings
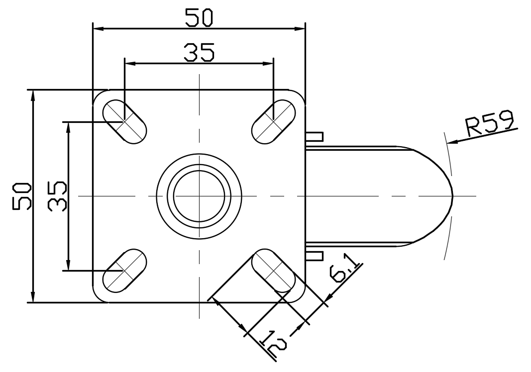
  Plate Size 50 x 50mm 
  Bolt Hole Spacing 35 x 35mm 
  Plate Hole 12 x 6.1mm 
  Offset 21mm 
  Swivel Interference 118mm 
  Overall Height 96mm 
  Swivel Radius 59mm 
  Hardness Of Tread 80±5° Shore A 
  Load Capacity (Dynamic) 50kgs 


  Rolling Resistance
        ● ● ● ● ●

  Operating Noise        ● ● ● ● ●

  Floor Surface Preservation  ● ● ● ● ●

  Load Capacity (Static) 75kgs 
  Temperature -20°C to +70°C 
  Fork Type Swivel Caster 
  Stainless N/A
  Electrical Conductivity N/A 
  Anti-Static N/A 
  Weight 0.23kgs 
  Standard ISO22883
  
  
  © Copyright 2026 DershengInternational www.dersheng.com
Related  Products  
1110-2 Light Duty Wire & Shelving/Display Series
PU (Black Transparent) Wheel Diameter × Wheel Width 76 × 23.5mm
YJ-11100300954013
76 mm 50 Kgs 96 mm
Casters with a single-brake With locking system. Top Plate with Riveted, Stamping Fork and 85 x 70mm (3-3/8" x 2-3/4") Bolt Hole Spacings.
Electroplated surface, Mounting Type - Top Plate.
Polypropylene core with High Quality Polyurethane Wheel Tread.
Translucent black finish. Bearings with Ball Bearings.