Product Data Sheet
1111 Institutional Caster Series
  PPR (Pearlescent dark gray) Wheel Diameter × Wheel Width 125 x 31mm
  EAN
         
  YJ-11110500262013    
Swivel castor, Top Plate Riveted Stamping Fork - 75 x 45 mm (3" x 1-3/4") Bolt Hole Spacing Surface Zine-Plated, Top Plate Mounting Type Impact resistant High-quality Impact Resistance Polypropylene Wheel Center,High-Quality Thermoplastic Rubber (TPR) Wheel Tread Pearl grey, Bearing - Ball Bearing.
  Wheel tread: Thermoplastic rubber elastomer (TPR)
  Wheel Center: Made of high-quality impact-resistant polypropylene

    Drawings are for reference only and may differ from the product



     
      Metric Imperial
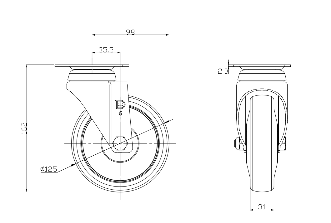
  Wheel Diameter 125mm 

  Wheel Width 31mm 
  Wheel Bearing Wheels With Ball Bearings
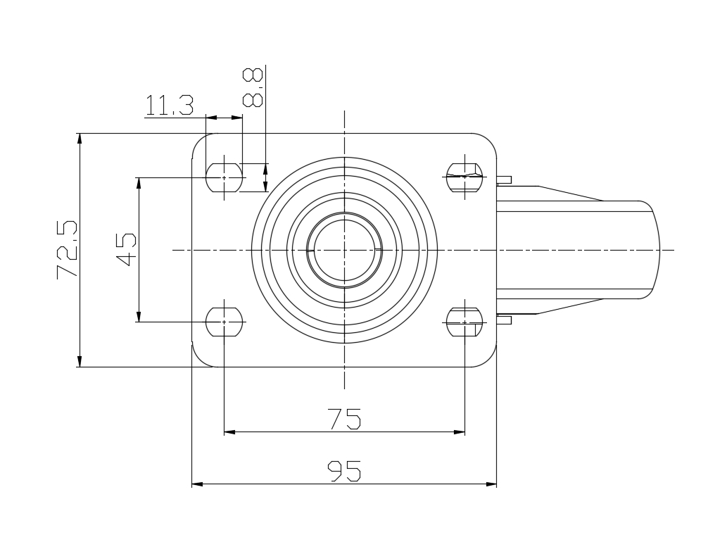
  Plate Size 95 x 72.5mm 
  Bolt Hole Spacing 75 x 45mm 
  Plate Hole 11.3 x 8.8mm 
  Offset 35.5mm 
  Swivel Interference 196mm 
  Overall Height 162mm 
  Swivel Radius 98mm 
  Hardness Of Tread 82±5° Shore A 
  Load Capacity (Dynamic) 110kgs 


  Rolling Resistance
        ● ● ● ● ○

  Operating Noise        ● ● ● ● ○

  Floor Surface Preservation  ● ● ● ● ●

  Load Capacity (Static) 165kgs 
  Temperature -20°C to +60°C 
  Fork Type Swivel Caster 
  Stainless N/A
  Electrical Conductivity N/A 
  Anti-Static N/A 
  Weight 0.85kgs 
  Standard ISO22883
  
  
  © Copyright 2026 DershengInternational www.dersheng.com
Related  Products  
1111 Institutional Caster Series
Classic PPR Wheel (Pearlescent Dark Gray Arc) Wheel Diameter × Wheel Width 125×31mm
YJ-11110500262053
125 mm 110 Kgs 162 mm
Swivel Caster, Top Plate Riveted Stamping Fork - high-grade hole Surface Zine-Plated, Mounting Type - Top Plate High-quality Impact Resistance Polypropylene Wheel Center,High-Quality Thermoplastic Rubber (TPR) Wheel Tread (Wheel Tread added thermoplastic shrink film protection) Pearl dark gray, Bearing - Ball Bearing.
1111 Institutional Caster Series
Classic PPR Wheel (Pearlescent Dark Gray Arc) Wheel Diameter × Wheel Width 125×31mm
YJ-11110500261013
125 mm 110 Kgs 162 mm
Rigid castor, Stamping Fabricated Caster Fork - 75 x 45 mm (3" x 1-3/4") Bolt Hole Spacing Surface Zine-Plated, Mounting Type - Top Plate High-quality Impact Resistance Polypropylene Wheel Center,High-Quality Thermoplastic Rubber (TPR) Wheel Tread Pearl-finish dark grey, Bearing - Ball Bearing.
1111 Institutional Caster Series
Classic PPR Wheel (Pearlescent Dark Gray Arc) Wheel Diameter × Wheel Width 125×31mm
YJ-11110500264913
125 mm 110 Kgs 162 mm
Castors with Total Brake locking system. Top Plate Riveted Fork - 75 x 45 mm (3" x 1-3/4") Bolt Hole Spacing Surface Zine-Plated, Top Plate Mounting Type Impact resistant High-quality Impact Resistance Polypropylene Wheel Center,High-Quality Thermoplastic Rubber (TPR) Wheel Tread Pearl grey, Bearing - Ball Bearing.
1111 Institutional Caster Series
Classic PPR Wheel (Pearlescent Dark Gray Arc) Wheel Diameter × Wheel Width 125×31mm
YJ-11110500264093
125 mm 110 Kgs 162 mm
Castors with Total Brakes and Locking system. Top Plate Riveted Fork - 75 x 45 mm (3" x 1-3/4") Bolt Hole Spacing Surface Zine-Plated, Top Plate Mounting Type High-quality Impact Resistance Polypropylene Wheel Center,High-Quality Thermoplastic Rubber (TPR) Wheel Tread (Wheel Tread Added thermoplastic shrink film protection) Pearl dark gray, Bearing - Ball Bearing.
1111 Institutional Caster Series
Classic PPR Wheel (Pearlescent Dark Gray Arc) Wheel Diameter × Wheel Width 125×31mm
YJ-11110500264013
125 mm 110 Kgs 162 mm
Side brake, Locking system castor. Top Plate Riveted Fork - 75 x 45 mm (3" x 1-3/4") Bolt Hole Spacing Surface Zine-Plated, Top Plate Mounting Type Impact resistant High-quality Impact Resistance Polypropylene Wheel Center,High-Quality Thermoplastic Rubber (TPR) Wheel Tread Pearl grey, Bearing - Ball Bearing.