Product Data Sheet
1111 Institutional Caster Series
  Phenolic (black) Wheel Diameter × Wheel Width 100 x 34mm
  EAN
         
  YJ-11110400251033    
Rigid castor, Stamping Fabricated Caster Fork - 75 x 45 mm (3" x 1-3/4") Bolt Hole Spacing Surface Zine-Plated, Mounting Type - Top Plate Wheel Tread And Wheel Center Made Of Compression Molded Phenolic Resin Filled With Macerated fabric Black, wheel - Anti-thread wheel cover.
  Tread: Compressed synthetic resin impregnated with fabric
  Wheel Center: Compressed synthetic resin impregnated with fabric

    Drawings are for reference only and may differ from the product



     
      Metric Imperial
  Wheel Diameter 100mm 

  Wheel Width 34mm 
  Wheel Bearing Wheel With Plain Bearing
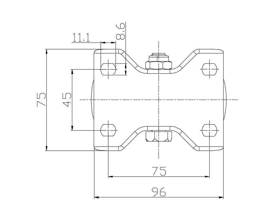
  Plate Size 96 x 75mm 
  Bolt Hole Spacing 75 x 45mm 
  Plate Hole 11.1 x 8.6mm 
  Overall Height 137mm 
  Hardness Of Tread 80±5° Shore D 
  Load Capacity (Dynamic) 135kgs 


  Rolling Resistance
        ● ● ● ● ●

  Operating Noise        ● ● ○ ○ ○

  Floor Surface Preservation  ● ● ○ ○ ○

  Load Capacity (Static) 202.5kgs 
  Temperature -20°C to +150°C 
  Fork Type Rigid Caster 
  Stainless N/A
  Electrical Conductivity N/A 
  Anti-Static N/A 
  Weight 0.52kgs 
  Standard ISO22883
  
  
  © Copyright 2026 DershengInternational www.dersheng.com
Related  Products  
1111 Institutional Caster Series
Phenolic (black) Wheel Diameter × Wheel Width 100 x 34mm
YJ-11110400252013
100 mm 135 Kgs 137 mm
Swivel Caster, Top Plate Riveted Stamping Fork - high-grade hole Surface Zine-Plated, Mounting Type - Top Plate Wheel Tread And Wheel Center Made Of Compression Molded Phenolic Resin Filled With Macerated fabric Black, wheel - Anti-thread wheel cover.
1111 Institutional Caster Series
Phenolic (black) Wheel Diameter × Wheel Width 100 x 34mm
YJ-11110400254013
100 mm 135 Kgs 137 mm
Castors with Total Brake locking system. Top Plate Riveted Fork - 75 x 45 mm (3" x 1-3/4") Bolt Hole Spacing Surface Zine-Plated, Top Plate Mounting Type Compressed synthetic resin Wheel Center and Wheel Tread with impregnated fabric Black, wheels - Plain Bearing.