Product Data Sheet
1112 2" Wide General Purposes Caster Series
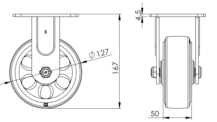
  WHDR (red and black) Wheel Diameter × Wheel Width 127 x 50mm
  EAN
  TW-4111205001068    
         
Rigid Caster with Welded Caster Fork Electrodeposited surface, Mounting Type - Top Plate High-Quality Impact-Resistant Polypropylene Wheel Center with High-Quality Reinforced Polypropylene Rubber (TPR) Wheel Tread Red and black, Bearing—Annual Ball Bearing.
  Wheel tread: Thermoplastic rubber elastomer (TPR)
  Wheel Center: Made of high-quality impact-resistant polypropylene

    Drawings are for reference only and may differ from the product



     
      Metric Imperial
  Wheel Diameter 127mm 

  Wheel Width 50mm 
  Wheel Bearing Wheel With Annual Ball Bearing
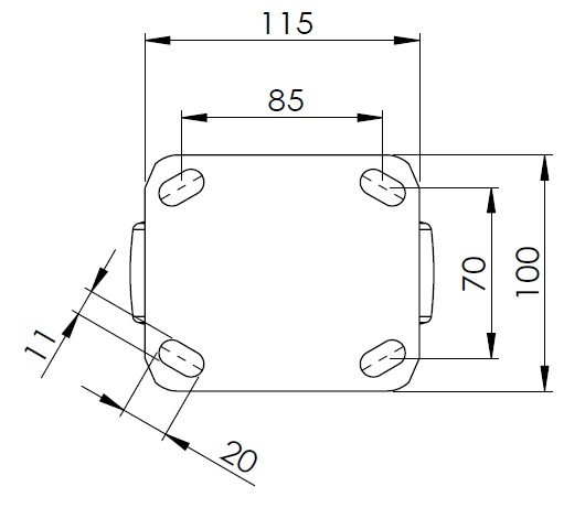
  Plate Size 115 x 100mm 
  Bolt Hole Spacing 85 x 70mm 
  Plate Hole 20 x 11mm 
  Overall Height 167mm 
  Hardness Of Tread 95±5° Shore A 
  Load Capacity (Dynamic) 340kgs 


  Rolling Resistance
        ● ● ● ● ●

  Operating Noise        ● ● ● ○ ○

  Floor Surface Preservation  ● ● ● ○ ○

  Load Capacity (Static) 510kgs 
  Temperature -20°C to +60°C 
  Fork Type Rigid Caster 
  Stainless N/A
  Electrical Conductivity N/A 
  Anti-Static N/A 
  Weight 1.75kgs 
  Standard ISO22883
  
  
  © Copyright 2026 DershengInternational www.dersheng.com
Related  Products  
1112 2" Wide General Purposes Caster Series
WHDR (red and black) Wheel Diameter × Wheel Width 127 x 50mm
TW-4111205004058
127 mm 340 Kgs 167 mm
Casters with a front brake and With locking system. Welded Caster Fork. Electroplated surface. Mounting Type - Top Plate. High-Quality Impact-Resistant Polypropylene Wheel Center with High-Quality Reinforced Polypropylene Rubber (TPR) Wheel Tread. Red and black. Bearings—Annual Ball Bearing.