|
|
产品资料表 |
|
|
|
||
| 1116-SS-MI 仪器不锈钢脚轮系列 |
|
|
||||
| PPR导电轮 轮径 × 轮宽 125 x 31mm |
|
|
||||
| EAN |
|
|||||
|
TW-4111605002068
|
|
|||||
|
|
|
|||||
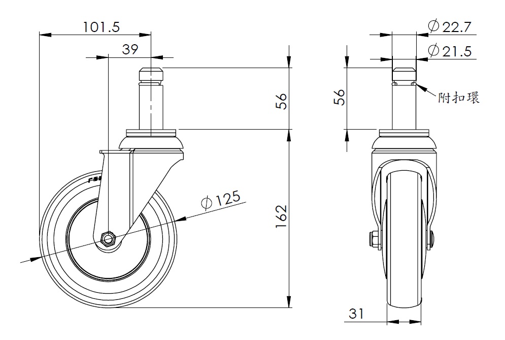
| 活動式腳輪,插心鉚合沖壓腳架—Ø21.5x56L 表面振動,插心式安裝裝置,附扣環 耐衝擊聚丙烯輪芯,熱塑性彈性体(TPR)輪面 灰色,輪子軸承—精密滾珠。 |
|
|||||
|
|
|
|||||
| 輪面:熱塑性橡膠彈性体(TPR) 輪芯:採用優質耐衝擊聚丙烯 产品说明仅供参考一切以实体产品为主 |
|
|||||
|
|
|
|||||
公制 英制
轮径
125mm
轮宽
31mm
|
|
|
||||
|
轮子轴承
搭配滚珠轴承的轮子
插杆直径
21.5mm
插杆长度
56mm
偏心距
39mm
旋转干涉
203mm
总高
162mm
旋转半径
101.5mm
硬度
82±5° Shore A
荷重(动态)
110kgs
|
滚动顺畅 ● ● ● ● ○ 静音表现 ● ● ● ● ○ 保护地板 ● ● ● ● ● |
|||||
|
荷重(静态)
165kgs
温度
-20°C to +60°C
脚架样式
活动
|
|
|||||
|
不锈钢
是
导电
是 導電值10^4~10^6
抗静电
否
脚轮重量
0.85kgs
测试标准
ISO22883
|
|
|
||||
|
|
|||||
|
|
|||||
|
|
|||||
|
|
|||||
| © 版权所有 2026 得貹上好轮 www.dersheng.com | ||||||