Phiếu thông tin sản phẩm
1116-SS-MI Series — BÁNH XE ĐẨY THIẾT BỊ CÀNG INOX (Chuẩn Mỹ)
  Bánh xe PPR (màu đỏ) đường kính bánh xe × chiều rộng bánh xe 75 x 31mm
  EAN
  TW-4111603001011    
         
Bánh xe cố định, chân đúc liền khối — lỗ đục cao cấp Chống rung bề mặt, lắp đế (có nắp nhựa) Lõi bánh xe bằng polypropylene chống va đập, bề mặt bánh xe bằng nhựa nhiệt dẻo đàn hồi (TPR) Đỏ, ổ bi bánh xe — ổ bi chính xác.
  Bề mặt bánh xe: Cao su nhiệt dẻo đàn hồi (TPR)
  Lõi bánh xe: Được làm bằng polypropylen chống va đập chất lượng cao

    Mô tả sản phẩm chỉ mang tính chất tham khảo. Sản phẩm thực tế sẽ được ưu tiên.



     
      đơn vị mét đế quốc
  Đường kính bánh xe 75mm 

  Chiều rộng bánh xe 31mm 
  vòng bi bánh xe Bánh xe trang bị vòng bi bi
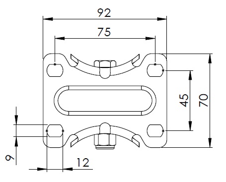
  Quy cách tấm lắp 92 x 70mm 
  khoảng cách các lỗ trên tấm nền 75 x 45mm 
  Khoảng cách các lỗ lắp 12 x 9mm 
  Tổng chiều cao 112.5mm 
  Độ cứng 82±5° Shore A 
  Tải trọng (động) 90kgs 


  Độ di chuyển mượt mà 
    ● ● ● ● ○

  Chế độ im lặng        ● ● ● ● ○

  Bảo vệ mặt sàn       ● ● ● ● ●

  Tải trọng (tĩnh) 135kgs 
  Nhiệt độ -20°C to +60°C 
  Càng bánh xe Cố định 
  Thép không gỉ Y
  Dẫn điện N/A 
  Chống tĩnh điện N/A 
  Trọng lượng bánh xe đẩy 0.40kgs 
  Tiêu chuẩn kiểm nghiệm ISO22883
  
  
  © Bản quyền thuộc về 2026 DershengInternational www.dersheng.com
Sản phẩm liên quan
1116-SS-MI Series — BÁNH XE ĐẨY THIẾT BỊ CÀNG INOX (Chuẩn Mỹ)
Bánh xe PPR (màu đỏ) đường kính bánh xe × chiều rộng bánh xe 75 x 31mm
TW-4111603002017
75 mm 90 Kgs 113 mm
Bánh xe di động, đế được tán đinh và dập khuôn. Đế có khả năng chống rung. Lõi bánh xe bằng polypropylene chịu va đập, bề mặt bánh xe bằng chất đàn hồi nhiệt dẻo (TPR) (chịu được nhiệt độ thấp). Vòng bi bánh xe màu đỏ - vòng bi cầu chính xác.
1116-SS-MI Series — BÁNH XE ĐẨY THIẾT BỊ CÀNG INOX (Chuẩn Mỹ)
Bánh xe PPR (màu đỏ) đường kính bánh xe × chiều rộng bánh xe 75 x 31mm
TW-4111603004015
75 mm 90 Kgs 113 mm
Trang bị bánh xe có khóa phanh kép. Chân đế được tán đinh và dập khuôn với các lỗ đục chất lượng cao. Giảm chấn rung động bề mặt, lắp đặt đế chắc chắn. Lõi bánh xe bằng polypropylene chịu va đập, bề mặt bánh xe bằng chất đàn hồi nhiệt dẻo (TPR). Vòng bi bánh xe màu đỏ - vòng bi cầu chính xác.