Phiếu thông tin sản phẩm
1116-SS-MI Series — BÁNH XE ĐẨY THIẾT BỊ CÀNG INOX (Chuẩn Mỹ)
  Bánh xe PPR (màu đỏ) đường kính bánh xe × chiều rộng bánh xe 75 x 31mm
  EAN
  TW-4111603002017    
         
Bánh xe di động, đế được tán đinh và dập khuôn. Đế có khả năng chống rung. Lõi bánh xe bằng polypropylene chịu va đập, bề mặt bánh xe bằng chất đàn hồi nhiệt dẻo (TPR) (chịu được nhiệt độ thấp). Vòng bi bánh xe màu đỏ - vòng bi cầu chính xác.
  Mặt lốp: Cao su đàn hồi nhiệt dẻo (TPR)
  Lõi bánh xe: Được làm từ polypropylene chất lượng cao, chịu va đập tốt.

    Mô tả sản phẩm chỉ mang tính chất tham khảo. Sản phẩm thực tế sẽ được ưu tiên.



     
      đơn vị mét đế quốc
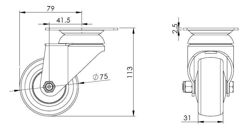
  Đường kính bánh xe 75mm 

  Chiều rộng bánh xe 31mm 
  vòng bi bánh xe Bánh xe trang bị vòng bi bi
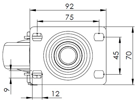
  Quy cách tấm lắp 92 x 70mm 
  khoảng cách các lỗ trên tấm nền 75 x 45mm 
  Khoảng cách các lỗ lắp 12 x 9mm 
  Độ lệch tâm 41.5mm 
  Sự can thiệp quay 158mm 
  Tổng chiều cao 113mm 
  Bán kính xoay 79mm 
  Độ cứng 82±5° Shore A 
  Tải trọng (động) 90kgs 


  Độ di chuyển mượt mà 
    ● ● ● ● ○

  Chế độ im lặng        ● ● ● ● ○

  Bảo vệ mặt sàn       ● ● ● ● ●

  Tải trọng (tĩnh) 135kgs 
  Nhiệt độ -20°C to +60°C 
  Càng bánh xe Xoay 
  Thép không gỉ Y
  Dẫn điện N/A 
  Chống tĩnh điện N/A 
  Trọng lượng bánh xe đẩy 0.60kgs 
  Tiêu chuẩn kiểm nghiệm ISO22883
  
  
  © Bản quyền thuộc về 2026 DershengInternational www.dersheng.com
Sản phẩm liên quan
1116-SS-MI Series — BÁNH XE ĐẨY THIẾT BỊ CÀNG INOX (Chuẩn Mỹ)
Bánh xe PPR (màu đỏ) đường kính bánh xe × chiều rộng bánh xe 75 x 31mm
TW-4111603001011
75 mm 90 Kgs 112.5 mm
Bánh xe cố định, chân đúc liền khối — lỗ đục cao cấp Chống rung bề mặt, lắp đế (có nắp nhựa) Lõi bánh xe bằng polypropylene chống va đập, bề mặt bánh xe bằng nhựa nhiệt dẻo đàn hồi (TPR) Đỏ, ổ bi bánh xe — ổ bi chính xác.
1116-SS-MI Series — BÁNH XE ĐẨY THIẾT BỊ CÀNG INOX (Chuẩn Mỹ)
Bánh xe PPR (màu đỏ) đường kính bánh xe × chiều rộng bánh xe 75 x 31mm
TW-4111603004015
75 mm 90 Kgs 113 mm
Trang bị bánh xe có khóa phanh kép. Chân đế được tán đinh và dập khuôn với các lỗ đục chất lượng cao. Giảm chấn rung động bề mặt, lắp đặt đế chắc chắn. Lõi bánh xe bằng polypropylene chịu va đập, bề mặt bánh xe bằng chất đàn hồi nhiệt dẻo (TPR). Vòng bi bánh xe màu đỏ - vòng bi cầu chính xác.