Product Data Sheet
1117 Blue Fork Pneumatic Caster Series
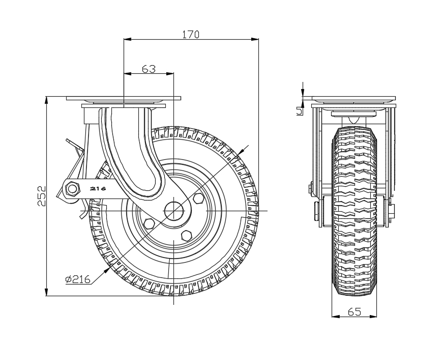
  Pneumatic (Black) Wheel Diameter × Wheel Width 216 x 65mm
  
         
  YJ-11170800014071    
Center Brake Locking system. Top Plate Riveted and Stamping. Blue-painted finish, Top Plate (5T) Mounting Type system. Cast Iron Wheel Center, High-Quality Resilient Rubber tread, Wheel Tread is both Compression Resistance and Abrasion Resistance. Black, Bearing—Ball Bearing.
  Wheel surface: high-quality elastic rubber
  Wheel Center: iron core

    Drawings are for reference only and may differ from the product



     
      Metric Imperial
  Wheel Diameter 216mm 

  Wheel Width 65mm 
  Wheel Bearing Wheels With Ball Bearings
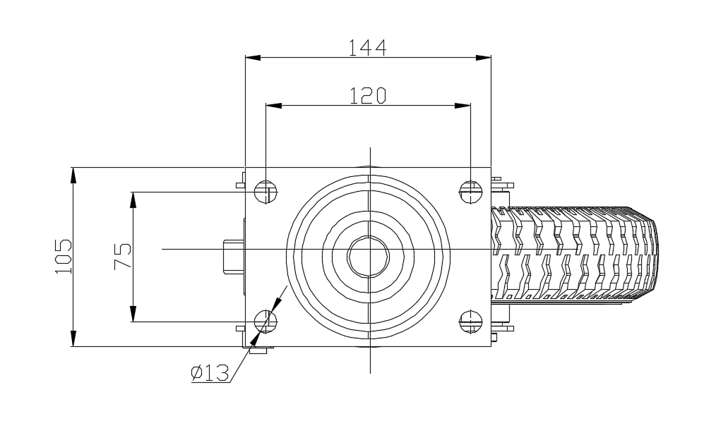
  Plate Size 144 x 105mm 
  Bolt Hole Spacing 120 x 75mm 
  Plate Hole 13mm 
  Offset 63mm 
  Swivel Interference 340mm 
  Overall Height 252mm 
  Swivel Radius 170mm 
  Hardness Of Tread 75±5° Shore A 
  Load Capacity (Dynamic) 100kgs 


  Rolling Resistance
        ● ● ● ● ○

  Operating Noise        ● ● ● ● ●

  Floor Surface Preservation  ● ● ● ● ●

  Load Capacity (Static) 150kgs 
  Temperature -20°C to +70°C 
  Fork Type Swivel Caster With Rear Brake
  Stainless N/A
  Electrical Conductivity N/A 
  Anti-Static N/A 
  Weight 3.14kgs 
  Standard ISO22883
  
  
  © Copyright 2026 DershengInternational www.dersheng.com
Related  Products  
1117 Blue Fork Pneumatic Caster Series
Pneumatic (Black) Wheel Diameter × Wheel Width 216 x 65mm
YJ-11170800011011
216 mm 100 Kgs 252 mm
Rigid Caster with Welded Caster Fork. Blue-painted finish, Top Plate (5T) Mounting Type system. Cast Iron Wheel Center with High-Quality Resilient Rubber Wheel Tread for superior pressure and Abrasion Resistance. Black, Bearing—Ball Bearing.
1117 Blue Fork Pneumatic Caster Series
Pneumatic (Black) Wheel Diameter × Wheel Width 216 x 65mm
YJ-11170800012011
216 mm 100 Kgs 252 mm
Swivel Caster with Riveted Fork and Stamping Fork. Blue-painted finish, Top Plate (5T) Mounting Type system. Cast Iron Wheel Center, High-Quality Resilient Rubber tread; Wheel Tread provides Compression Resistance and Abrasion Resistance. Black, Bearing—Ball Bearing.