产品资料表
1121 25系列
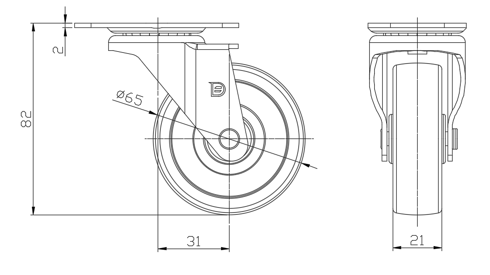
  橡胶轮 轮径 × 轮宽 65×21 mm
  EAN
         
  YJ-11210250062013    
活动式脚轮,底板铆合冲压脚架—孔距56x28
表面镀锌,底板式(2T)安装装置
热可塑性塑料轮芯,高品质的弹力橡胶轮面
黑色,轮子—中管式。
  轮面:高品质的弹力橡胶
  轮芯:热塑性塑料(PA6)

    产品说明仅供参考一切以实体产品为主



     
      公制 英制
  轮径 65mm 

  轮宽 21mm 
  轮子轴承 搭配中管的轮子 
  底板规格 70 x 42mm 
  底板孔距 56x28mm   
  底板孔径 6mm 
  偏心距 31mm 
  旋转干涉 127mm 
  总高 82mm 
  旋转半径 63.5mm 
  硬度 80±5° Shore A 
  荷重(动态) 40kgs 


  滚动顺畅
      ● ● ● ○ ○

  静音表现      ● ● ● ● ○

  保护地板      ● ● ● ● ○

  荷重(静态) 60kgs 
  温度 -20°C to +120°C 
  脚架样式 活动 
  不锈钢
  导电 否 
  抗静电 否 
  脚轮重量 0.25kgs 
  测试标准 ISO22883
  
  
  © 版权所有 2026 得貹上好轮 www.dersheng.com
关  联  产  品
1121 25系列
橡胶轮 轮径 × 轮宽 65×21 mm
YJ-11210250061013
65 mm 40 Kgs 82 mm
固定式脚轮,一体成型冲压脚架—孔距56x28
表面镀锌,底板式(2T)安装装置
热可塑性塑料轮芯,高品质的弹力橡胶轮面
黑色,轮子—中管式。