产品资料表
1121 25系列
  PPR 轮(黑黑平)- 轮径 × 轮宽 75×21mm
  EAN
         
  YJ-11210300264013    
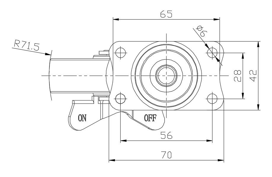
配有侧(轮)煞式,锁定系统的脚轮。底板铆合冲压脚架—孔距56x28
表面镀锌,底板式(2T)安装装置
耐冲击聚丙 烯轮芯,热塑性弹性体(TPR)轮面
黑色,轮子—中管式。
  轮面:热塑性橡胶弹性体(TPR)
  轮芯:採用优质耐冲击聚丙烯

    产品说明仅供参考一切以实体产品为主



     
      公制 英制
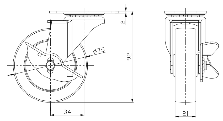
  轮径 75mm 

  轮宽 21mm 
  轮子轴承 搭配中管的轮子 
  底板规格 70 x 42mm 
  底板孔距 56x28mm   
  底板孔径 6mm 
  偏心距 34mm 
  旋转干涉 143mm 
  总高 92mm 
  旋转半径 71.5mm 
  硬度 82±5° Shore A 
  荷重(动态) 40kgs 


  滚动顺畅
      ● ● ● ● ○

  静音表现      ● ● ● ● ○

  保护地板      ● ● ● ● ●

  荷重(静态) 60kgs 
  温度 -20°C to +60°C 
  脚架样式 侧煞(单)
  不锈钢
  导电 否 
  抗静电 否 
  脚轮重量 0.23kgs 
  测试标准 ISO22883
  
  
  © 版权所有 2026 得貹上好轮 www.dersheng.com
关  联  产  品
1121 25系列
PPR 轮(黑黑平)- 轮径 × 轮宽 75×21mm
YJ-11210300261013
75 mm 40 Kgs 92 mm
固定式脚轮,一体成型冲压脚架—孔距56x28
表面镀锌,底板式(2T)安装装置
耐冲击聚丙烯轮芯,热塑性弹性体(TPR)轮面
黑色,轮子—中管式。