|
|
产品资料表 |
|
|
|
||
| 1121 25系列 |
|
|
||||
| PVC(黑)轮径 × 轮宽 100×25 mm |
|
|
||||
| EAN |
|
|||||
|
YJ-11210400271423 |
|
|||||
|
|
|
|||||
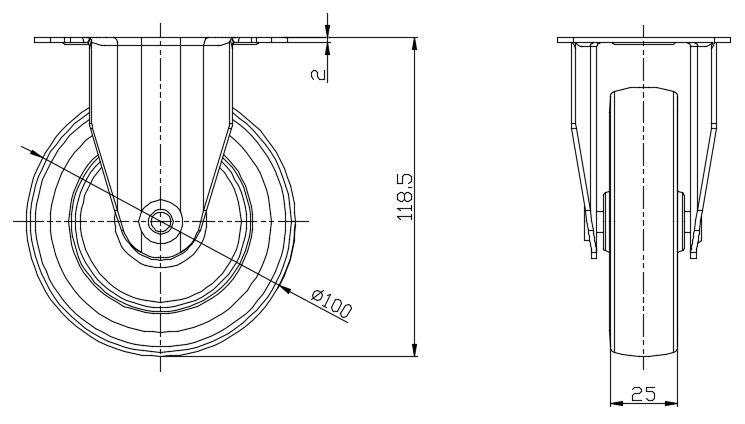
| 固定式脚轮,一体成型冲压脚架—孔距79x44
表面镀锌,底板式(2.5T)安装装置 热塑性塑料轮芯、高品质聚氯乙烯轮面 黑色,轮子—中管式。 |
|
|||||
|
|
|
|||||
| 轮面:高品质聚氯乙烯 轮芯:热塑性塑料(PA6) 产品说明仅供参考一切以实体产品为主 |
|
|||||
|
|
|
|||||
公制 英制
轮径
100mm
轮宽
25mm
|
|
|
||||
|
轮子轴承
搭配中管的轮子
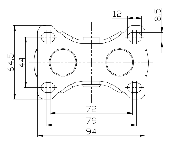
底板规格
94 x 64.5mm
底板孔距
79x44mm
底板孔径
12 x 8.5mm
总高
118.5mm
硬度
90±5° Shore A
荷重(动态)
70kgs
|
滚动顺畅 ● ● ● ● ○ 静音表现 ● ● ● ● ○ 保护地板 ● ● ● ● ○ |
|||||
|
荷重(静态)
105kgs
温度
-20°C to +70°C
脚架样式
固定
|
|
|||||
|
不锈钢
否
导电
否
抗静电
否
脚轮重量
0.34kgs
测试标准
ISO22883
|
|
|
||||
|
|
|||||
|
|
|||||
|
|
|||||
|
|
|||||
| © 版权所有 2026 得貹上好轮 www.dersheng.com | ||||||