Product Data Sheet
1129 Medical Caster Series
  W Resolute Wheel Diameter × Wheel Width 75 x 31mm
  EAN
  TW-4112903004023    
         
Casters with Side Brakes and With locking system. Base plate Riveted and Stamping with 72 x 53.5 mm (2-7/8" x 2-1/8") Bolt Hole Spacing. Zine-Plated, Mounting Type - Top Plate. Reinforced, impact-resistant polypropylene Wheel Center with High-Quality Reinforced Polypropylene Rubber (TPR) Wheel Tread. Dark gray, Bearing with Ball Bearings.
  Wheel tread: Thermoplastic rubber elastomer (TPR)
  Wheel Center: high-quality impact-resistant polypropylene

    Drawings are for reference only and may differ from the product



     
      Metric Imperial
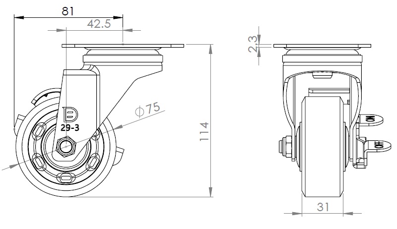
  Wheel Diameter 75mm 

  Wheel Width 31mm 
  Wheel Bearing Wheels With Ball Bearings
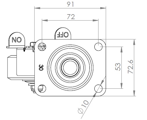
  Plate Size 91 x 72.6mm 
  Bolt Hole Spacing 72 x 53mm 
  Plate Hole 10mm 
  Offset 42.5mm 
  Swivel Interference 162mm 
  Overall Height 114mm 
  Swivel Radius 81mm 
  Hardness Of Tread 72±5° Shore A 
  Load Capacity (Dynamic) 90kgs 


  Rolling Resistance
        ● ● ● ● ●

  Operating Noise        ● ● ● ● ●

  Floor Surface Preservation  ● ● ● ● ●

  Load Capacity (Static) 135kgs 
  Temperature -20°C to +60°C 
  Fork Type Swivel Caster With Side Brake
  Stainless N/A
  Electrical Conductivity N/A 
  Anti-Static N/A 
  Weight 0.68kgs 
  Standard ISO22883
  
  
  © Copyright 2026 DershengInternational www.dersheng.com
Related  Products  
1129 Medical Caster Series
W Resolute Wheel Diameter × Wheel Width 75 x 31mm
TW-4112903001011
75 mm 90 Kgs 113.5 mm
Rigid Caster with Stamping Fabricated Caster Fork 72 x 53.5 mm (2-7/8" x 2-1/8") Bolt Hole Spacing.
Zine-Plated, Mounting Type - Top Plate.
Reinforced, impact-resistant polypropylene Wheel Center with High-Quality Reinforced Polypropylene Rubber (TPR) Wheel Tread.
Dark gray, Bearing with Ball Bearings.
1129 Medical Caster Series
W Resolute Wheel Diameter × Wheel Width 75 x 31mm
TW-4112903004024
75 mm 90 Kgs 114 mm
Casters with Total Brakes and a With locking system. Top Plate Riveted and Stamping - instrument Fork. Hole Zine-Plated, Mounting Type - Top Plate. High-Quality Impact-Resistant Polypropylene Wheel Center, High-Quality Reinforced Polypropylene Rubber (TPR) Wheel Tread. Dark gray, Bearing - Ball Bearings.
1129 Medical Caster Series
W Resolute Wheel Diameter × Wheel Width 75 x 31mm
TW-4112903002012
75 mm 90 Kgs 114 mm
Swivel Casters, Riveted Fork and Stamping Fork Surface plating, Top Plate Mounting Type device Reinforced impact-resistant High-quality Impact Resistance Polypropylene Wheel Center, thermoplastic elastomer (TPR) Wheel Tread Dark grey, Bearing - precision ball.