Product Data Sheet
1139 Medium Duty General Purposes Caster Series
  AQPU (Blue round) Wheel Diameter × wWheel Width 75 x 30mm
  EAN
         
  YJ-11390300602023    
Swivel Caster with Riveted Fork and Stamping Fork—75 x 45 mm (3" x 1-3/4") Bolt Hole Spacing
Zine-Plated, Top Plate (4T) Mounting Type system
Aluminum core, High Quality Polyurethane Wheel Tread
Blue color, Bearing—Ball Bearing.
  Wheel tread: Made of high-quality polyurethane
  Wheel Center: aluminum core

    Drawings are for reference only and may differ from the product



     
      Metric Imperial
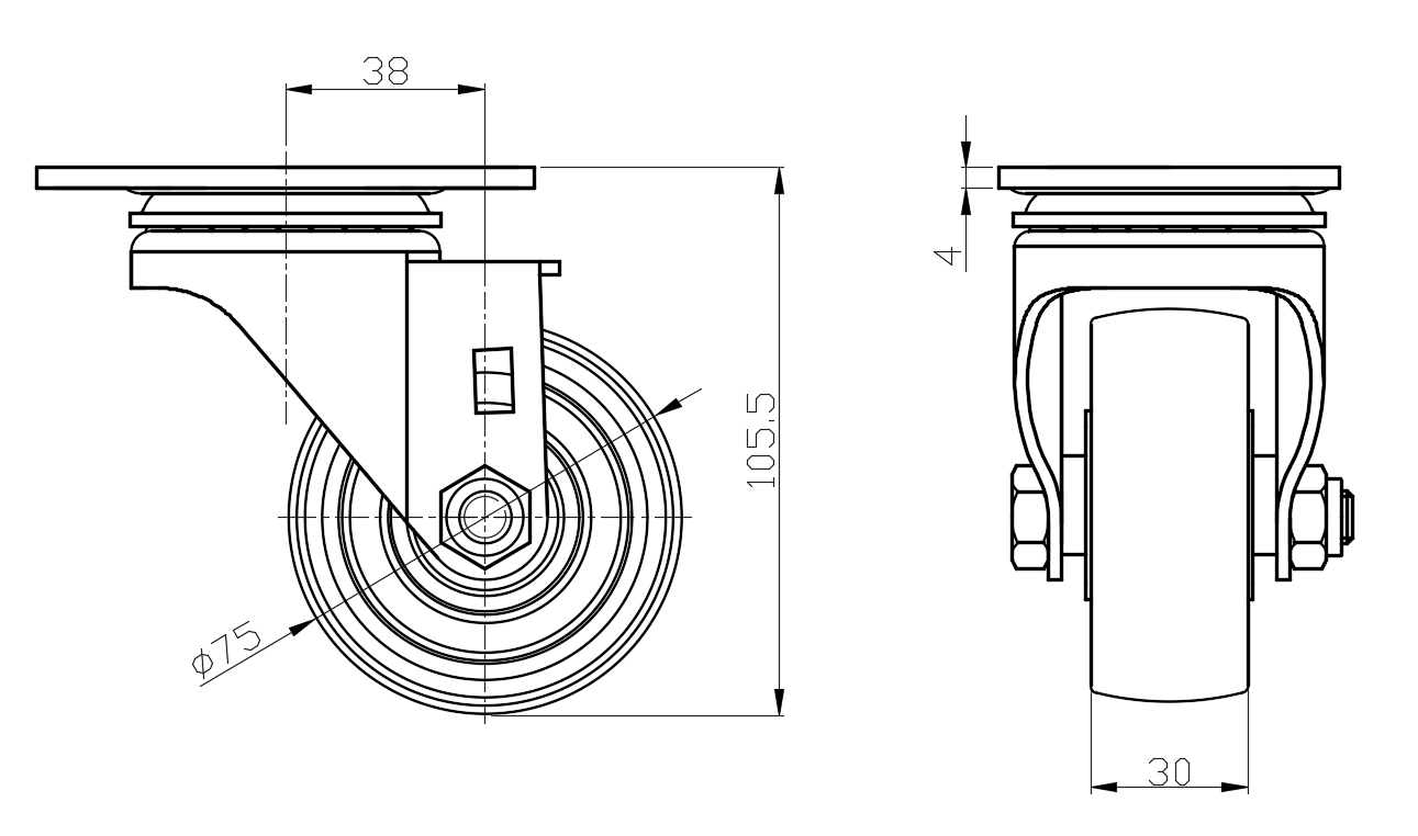
  Wheel Diameter 75mm 

  Wheel Width 30mm 
  Wheel Bearing Wheels With Ball Bearings
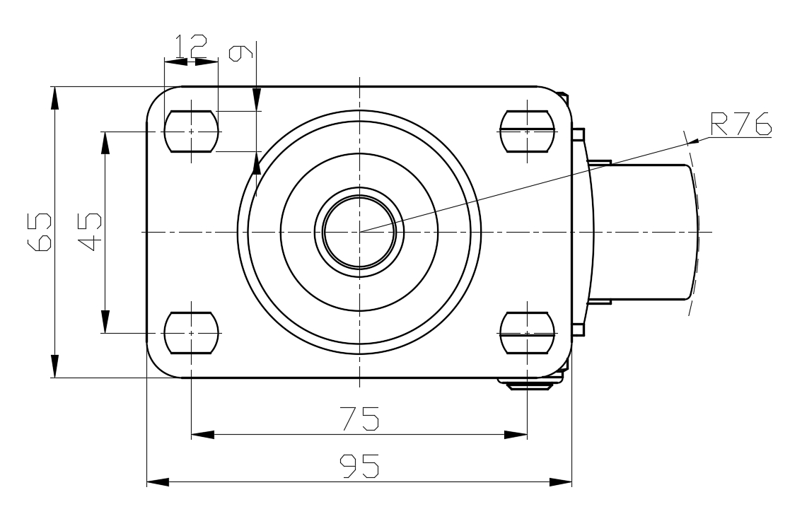
  Plate Size 95 x 65mm 
  Bolt Hole Spacing 75 x 45mm 
  Plate Hole 12 x 9mm 
  Offset 38mm 
  Swivel Interference 152mm 
  Overall Height 105.5mm 
  Swivel Radius 76mm 
  Hardness Of Tread 87±5° Shore A 
  Load Capacity (Dynamic) 160kgs 


  Rolling Resistance
        ● ● ● ● ●

  Operating Noise        ● ● ● ● ●

  Floor Surface Preservation  ● ● ● ● ●

  Load Capacity (Static) 240kgs 
  Temperature -20°C to +70°C 
  Fork Type Swivel Caster 
  Stainless N/A
  Electrical Conductivity N/A 
  Anti-Static N/A 
  Weight 0.75kgs 
  Standard ISO22883
  
  
  © Copyright 2026 DershengInternational www.dersheng.com
Related  Products  
1139 Medium Duty General Purposes Caster Series
AQPU (Blue round) Wheel Diameter × wWheel Width 75 x 30mm
YJ-11390300601033
75 mm 160 Kgs 105.5 mm
Rigid Caster with Stamping Fabricated Caster Fork and 75 x 45 mm (3" x 1-3/4") Bolt Hole Spacing.
Zine-Plated, Mounting Type - Top Plate.
Aluminum core, High Quality Polyurethane Wheel Tread.
Blue color, Bearing—Ball Bearings.
1139 Medium Duty General Purposes Caster Series
AQPU (Blue round) Wheel Diameter × wWheel Width 75 x 30mm
YJ-11390300602043
75 mm 160 Kgs 105.5 mm
Swivel Caster with Riveted Fork and Stamping Fork—75 x 45 mm (3" x 1-3/4") Bolt Hole Spacing
Zine-Plated, Top Plate (4T) Mounting Type system
Aluminum core, High Quality Polyurethane Wheel Tread
Blue color, Bearing—Ball Bearing.
1139 Medium Duty General Purposes Caster Series
AQPU (Blue round) Wheel Diameter × wWheel Width 75 x 30mm
YJ-11390300604083
75 mm 160 Kgs 105.5 mm
Casters with Side Brakes and With locking system. Top Plate Riveted and Fork – 75 x 45 mm (3" x 1-3/4") Bolt Hole Spacing.
Zine-Plated, Top Plate (4T) Mounting Type system.
Aluminum core, High Quality Polyurethane Wheel Tread.
Blue color, Bearing – Ball Bearings.
1139 Medium Duty General Purposes Caster Series
AQPU (Blue round) Wheel Diameter × wWheel Width 75 x 30mm
YJ-11390300601023
75 mm 160 Kgs 105.5 mm
Rigid Caster with Stamping Fabricated Caster Fork and 75 x 45 mm (3" x 1-3/4") Bolt Hole Spacing.
Zine-Plated, Mounting Type - Top Plate.
Aluminum core, High Quality Polyurethane Wheel Tread.
Blue color, Bearing—Ball Bearings.
1139 Medium Duty General Purposes Caster Series
AQPU (Blue round) Wheel Diameter × wWheel Width 75 x 30mm
YJ-11390300604033
75 mm 160 Kgs 105.5 mm
Casters with Side Brakes and With locking system. Top Plate Riveted and Fork – 75 x 45 mm (3" x 1-3/4") Bolt Hole Spacing.
Zine-Plated, Top Plate (4T) Mounting Type system.
Aluminum core, High Quality Polyurethane Wheel Tread.
Blue color, Bearing – Ball Bearings.