Product Data Sheet
1139-1 Series — Medium Duty General Purposes Caster (American Style)
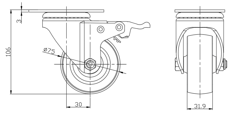
  MRC Wheel (Black) Wheel Diameter × Width 75 × 31.9 mm
  D
         
  YJ-11390300074913    
Casters with Total Brakes and With locking system. Top Plate with Riveted, Fork and 75 x 45 mm (3" x 1-3/4") Bolt Hole Spacing.
Zine-Plated, Mounting Type - Top Plate.
Polypropylene Wheel Center and Wheel Tread.
Pearl-finish dark gray. Bearings with Ball Bearings.
  Tread:Polypropylene
  Wheel Center:Polypropylene

    Drawings are for reference only and may differ from the product



     
      Metric Imperial
  Wheel Diameter 75mm 

  Wheel Width 31.9mm 
  Wheel Bearing Wheels With Ball Bearings
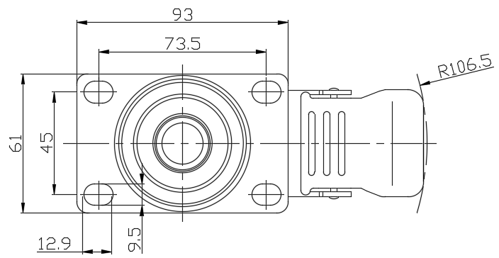
  Plate Size 93 x 61mm 
  Bolt Hole Spacing 73.5 x 45mm 
  Plate Hole 12.9 x 9.5mm 
  Offset 30mm 
  Swivel Interference 213mm 
  Overall Height 106mm 
  Swivel Radius 106.5mm 
  Hardness Of Tread 75±5° Shore D 
  Load Capacity (Dynamic) 90kgs 


  Rolling Resistance
        ● ● ● ● ●

  Operating Noise        ● ● ○ ○ ○

  Floor Surface Preservation  ● ● ○ ○ ○

  Load Capacity (Static) 135kgs 
  Temperature -20°C to +80°C 
  Fork Type Swivel Caster With Total Brake 
  Stainless N/A
  Electrical Conductivity N/A 
  Anti-Static N/A 
  Weight 0.68kgs 
  Standard ISO22883
  
  
  © Copyright 2026 DershengInternational www.dersheng.com
Related  Products  
1139-1 Series — Medium Duty General Purposes Caster (American Style)
Nylon Wheel (Natural Color) Wheel Diameter × Width 75 × 32 mm
YJ-11390300074913
75 mm 100 Kgs 106 mm
Casters with Total Brakes and With locking system. Top Plate Riveted and Stamping with 75 x 45 mm (3" x 1-3/4") Bolt Hole Spacing.
Zine-Plated, Mounting Type - Top Plate.
Reinforced Polypropylene Wheel Center and Wheel Tread.
Bearings—Ball Bearings.