Product Data Sheet
1141 Kingpinless Caster Series
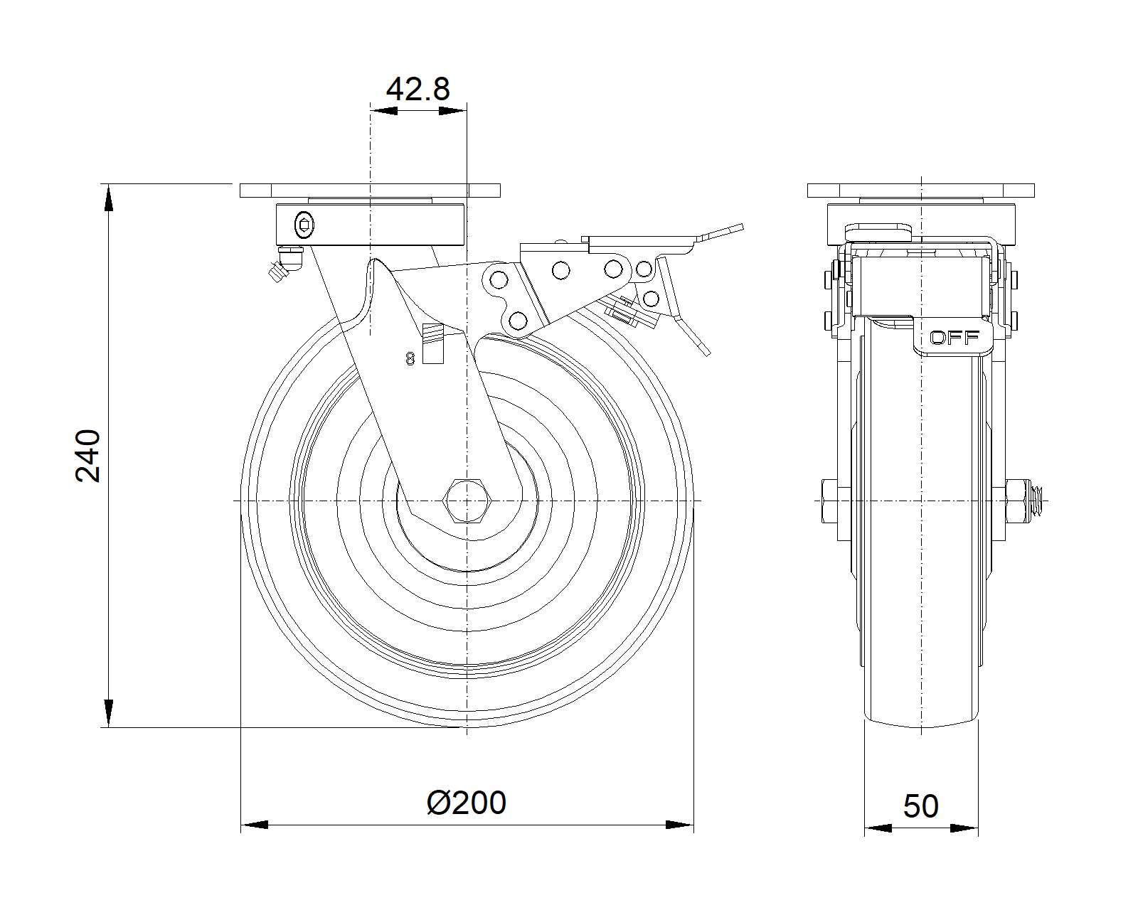
  CPD Wheel Diameter x Wheel Width 200 x 50mm
  EAN
      KS-11410800294121
         
Castors with Front Brake locking system, Welded Caster Fork Extended control lever surface, Top Plate Mounting Type, Hole spacing 85x70 Polypropylene Wheel Center, Wheel Tread Natural Color Bearing - Ball Bearing
  Wheel Tread: PP polypropylene
  Wheel Center: PP polypropylene

    Drawings are for reference only and may differ from the product



     
      Metric Imperial
  Wheel Diameter 200mm 

  Wheel Width 50mm 
  Wheel Bearing Wheels With Ball Bearings
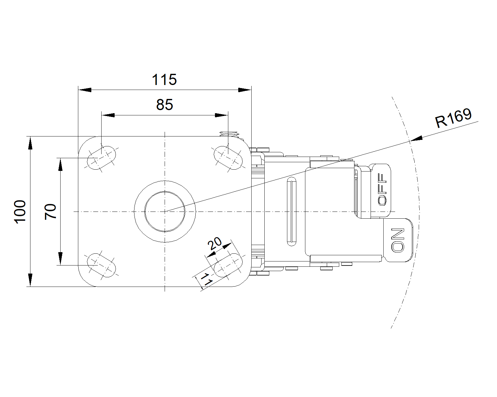
  Plate Size 115 x 100mm 
  Bolt Hole Spacing 85 x 70mm 
  Plate Hole 20 x 11mm 
  Offset 42.8mm 
  Swivel Interference 338mm 
  Overall Height 240mm 
  Swivel Radius 169mm 
  Hardness Of Tread 72±5° Shore D 
  Load Capacity (Dynamic) 400kgs 


  Rolling Resistance
        ● ● ● ● ●

  Operating Noise        ● ● ● ○ ○

  Floor Surface Preservation  ● ● ● ○ ○

  Load Capacity (Static) 600kgs 
  Temperature -12°C to +60°C 
  Fork Type Swivel Caster With Front Brake
  Stainless N/A
  Electrical Conductivity N/A 
  Anti-Static N/A 
  Weight 3.76kgs 
  Standard ISO22883
  
  
  © Copyright 2026 DershengInternational www.dersheng.com
Related  Products  
1141 Kingpinless Caster Series
CPD Wheel Diameter x Wheel Width 200 x 50mm
KS-11410800294021
200 mm 400 Kgs 240 mm
Casters with Side Brakes and Locking system, Welded Caster Fork Zine-Plated, Mounting Type - Top Plate, 85x70 Bolt Hole Spacing Polypropylene Wheel Center, natural wheel tread Bearing—Ball Bearing
1141 Kingpinless Caster Series
CPD Wheel Diameter x Wheel Width 200 x 50mm
KS-11410800291021
200 mm 400 Kgs 240 mm
Rigid Caster, Welded Caster Fork Extended control lever surface, Top Plate Mounting Type, Hole spacing 85x70 Polypropylene Wheel Center, Wheel Tread Natural Color Bearing - Ball Bearing
1141 Kingpinless Caster Series
CPD Wheel Diameter x Wheel Width 200 x 50mm
KS-11410800291031
200 mm 400 Kgs 240 mm
Rigid Caster, Welded Caster Fork Extended control lever surface, Top Plate Mounting Type, Hole spacing 85x70 Polypropylene Wheel Center, Wheel Tread Natural Color Bearing - Ball Bearing, with special Anti-thread wheel cover
1141 Kingpinless Caster Series
CPD Wheel Diameter x Wheel Width 200 x 50mm
KS-11410800292021
200 mm 400 Kgs 240 mm
Swivel Caster, Welded Caster Fork Extended control lever surface, Top Plate Mounting Type, Hole spacing 85x70 Polypropylene Wheel Center and Wheel Tread, Natural Color Bearing - Ball Bearing
1141 Kingpinless Caster Series
CPD Wheel Diameter x Wheel Width 200 x 50mm
KS-11410800292031
200 mm 400 Kgs 240 mm
Swivel Caster, Welded Caster Fork Extended control lever surface, Top Plate Mounting Type, Hole spacing 85x70 Polypropylene Wheel Center and Wheel Tread, Natural Color Bearing - Ball Bearing, with special Anti-thread wheel cover