Bảng dữ liệu sản phẩm
1157 Series — SERIES 57
  Bánh xe QPU (nâu phẳng) Đường kính bánh xe × Chiều rộng bánh xe 200 x 50mm
  EAN
      KS-11570800531041
         
Bánh xe cố định với khung thép hàn
Hoàn thiện sơn đỏ, lắp đế, khoảng cách lỗ 110x75
Lõi gang với gai polyurethane chất lượng cao, phay màu nâu
Vòng bi bánh xe—vòng bi chính xác với nắp chống quấn đặc biệt
  Lốp xe: Lốp xe làm từ polyurethane chất lượng cao
  Lõi bánh xe: lõi sắt/lõi gang

    Mô tả sản phẩm chỉ mang tính chất tham khảo. Sản phẩm thực tế sẽ được ưu tiên.



     
      đơn vị mét đế quốc
  Đường kính bánh xe 200mm 
  Chiều rộng bánh xe 50mm 
  vòng bi bánh xe Bánh xe trang bị vòng bi bi
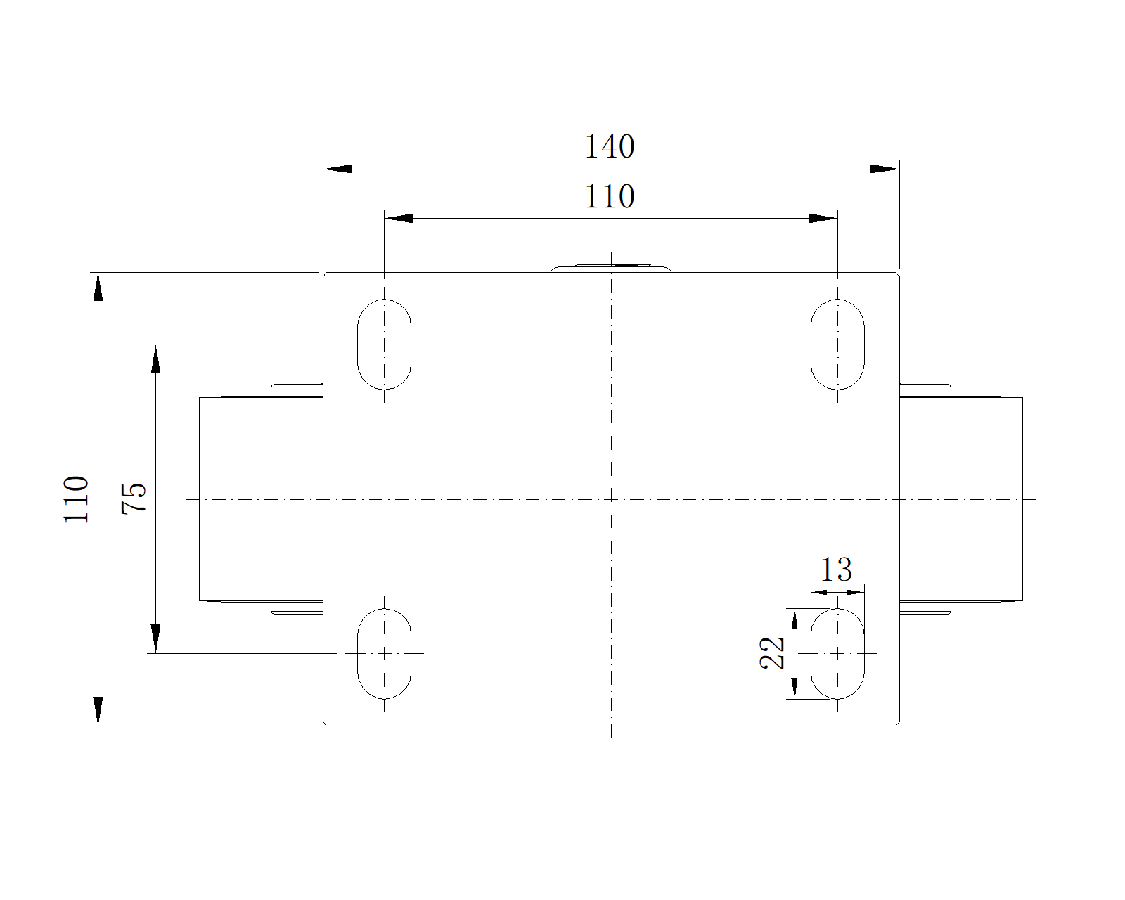
  Quy cách tấm lắp 140 x 110mm 
  khoảng cách các lỗ trên tấm nền 110x75mm 
  Khoảng cách các lỗ lắp 22 x 13mm 
  Tổng chiều cao 248mm 
  Độ cứng 92±5° Shore A 
  Tải trọng (động) 720kgs 


  Độ di chuyển mượt mà 
    ● ● ● ● ●

  Chế độ im lặng        ● ● ● ● ●

  Bảo vệ mặt sàn       ● ● ● ● ●

  Tải trọng (tĩnh) 1080kgs 
  Nhiệt độ -20°C to +70°C 
  Càng bánh xe Cố định 
  Thép không gỉ N/A
  Dẫn điện N/A 
  Chống tĩnh điện N/A 
  Trọng lượng bánh xe đẩy 5.09kgs 
  Tiêu chuẩn kiểm nghiệm ISO22883
  
  
  © Bản quyền thuộc về 2025 DershengInternational www.dersheng.com


            關  聯  產  品



  1157 Series — SERIES 57
   Bánh xe QPU (nâu phẳng) Đường kính bánh xe × Chiều rộng bánh xe 200 x 50mm

     KS-11570800531021
       

         200 mm         720 Kgs         248 mm    

Bánh xe cố định, khung thép hàn
Bề mặt phun sơn đỏ, thiết bị lắp đặt tấm đáy, khoảng cách lỗ 110x75
Lõi bánh xe làm bằng gang, bề mặt bánh xe bằng polyurethane chất lượng cao, phay màu nâu
Vòng bi bánh xe—vòng bi bi chính xác




  1157 Series — SERIES 57
   Bánh xe QPU (nâu phẳng) Đường kính bánh xe × Chiều rộng bánh xe 200 x 50mm

     KS-11570800534021
       

         200 mm         720 Kgs         248 mm    

Bánh xe có phanh trước và hệ thống khóa, khung thép hàn Sơn đỏ, lắp đế, khoảng cách lỗ 110x75 Lõi bánh xe bằng gang, gai polyurethane chất lượng cao, màu nâu phay Vòng bi bánh xe – vòng bi bi chính xác




  1157 Series — SERIES 57
   Bánh xe QPU (nâu phẳng) Đường kính bánh xe × Chiều rộng bánh xe 200 x 50mm

     KS-11570800534031
       

         200 mm         720 Kgs         248 mm    

Bánh xe có phanh trước và hệ thống khóa, khung thép hàn Sơn đỏ, lắp đế, khoảng cách lỗ 110x75 Lõi gang, gai polyurethane chất lượng cao, phay màu nâu Vòng bi bánh xe—vòng bi chính xác với nắp chống quấn đặc biệt




  1157 Series — SERIES 57
   Bánh xe QPU (nâu phẳng) Đường kính bánh xe × Chiều rộng bánh xe 200 x 50mm

     KS-11570800532011
       

         200 mm         720 Kgs         248 mm    

Bánh xe xoay, khung thép hàn, sơn đỏ
Lắp đế, khoảng cách lỗ 110 x 75
Lõi bánh xe bằng gang, gai bánh xe bằng polyurethane chất lượng cao, màu nâu phay
Ổ trục bánh xe - bi chính xác




  1157 Series — SERIES 57
   Bánh xe QPU (nâu phẳng) Đường kính bánh xe × Chiều rộng bánh xe 200 x 50mm

     KS-11570800532031
       

         200 mm         720 Kgs         248 mm    

Bánh xe di chuyển, khung thép hàn, bề mặt sơn đỏ
Lắp đế, khoảng cách lỗ 110x75
Lõi bánh xe bằng gang, bề mặt bánh xe bằng polyurethane chất lượng cao, phay màu nâu
Ổ trục bánh xe - bi chính xác, có nắp bánh xe chống xoắn đặc biệt