Bảng dữ liệu sản phẩm
1157 Series — SERIES 57
  Bánh xe QPU (nâu phẳng) Đường kính bánh xe × Chiều rộng bánh xe 200 x 50mm
  EAN
      KS-11570800534031
         

Trang bị phanh trước, bánh xe có hệ thống khóa, khung thép hàn
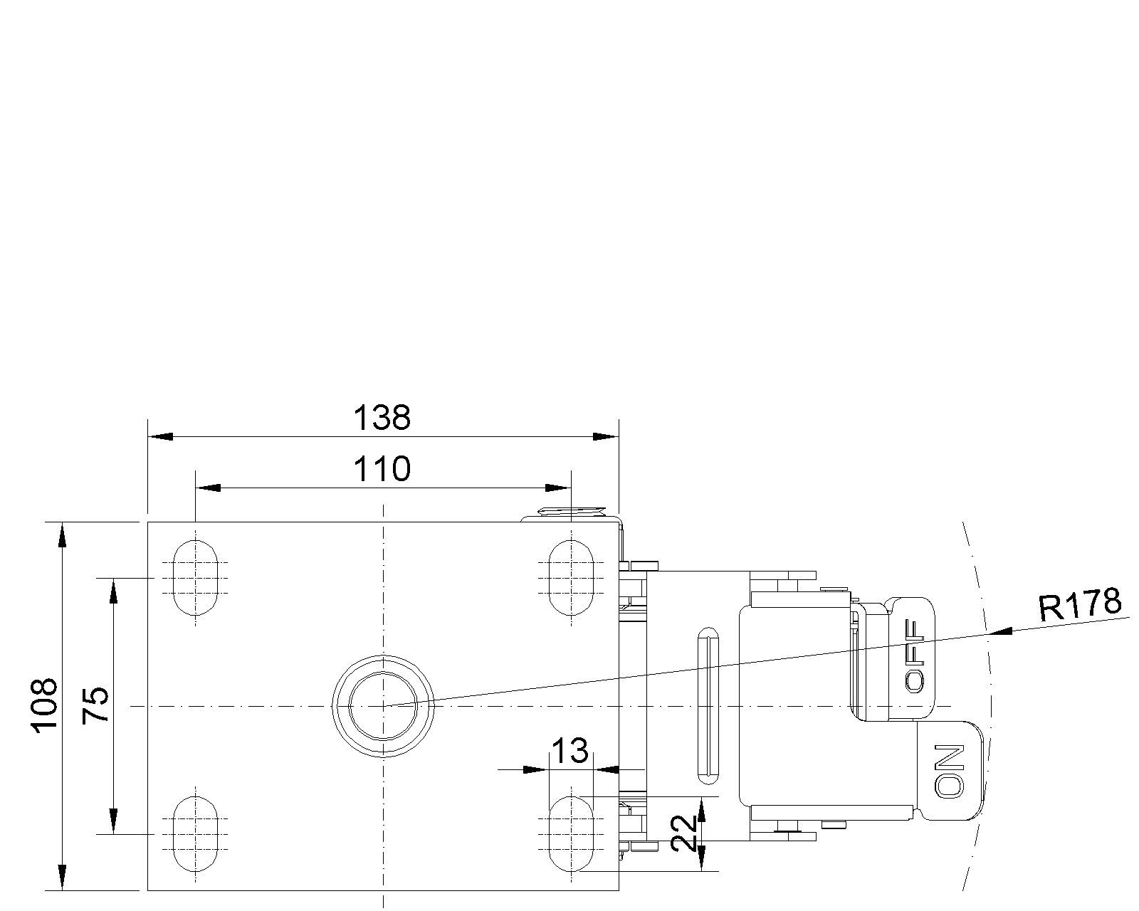
Sơn màu đỏ, lắp đặt bằng tấm đế, khoảng cách lỗ 110x75mm
Lõi bánh xe bằng gang, bề mặt bánh xe bằng polyurethane chất lượng cao, màu nâu phay
Vòng bi cầu chính xác, với nắp bánh xe chống xoắn được thiết kế đặc biệt
  Bề mặt bánh xe: Được làm từ polyurethane chất lượng cao.
  Lõi bánh xe: Lõi sắt / Lõi gang

    Mô tả sản phẩm chỉ mang tính chất tham khảo. Sản phẩm thực tế sẽ được ưu tiên.



     
      đơn vị mét đế quốc
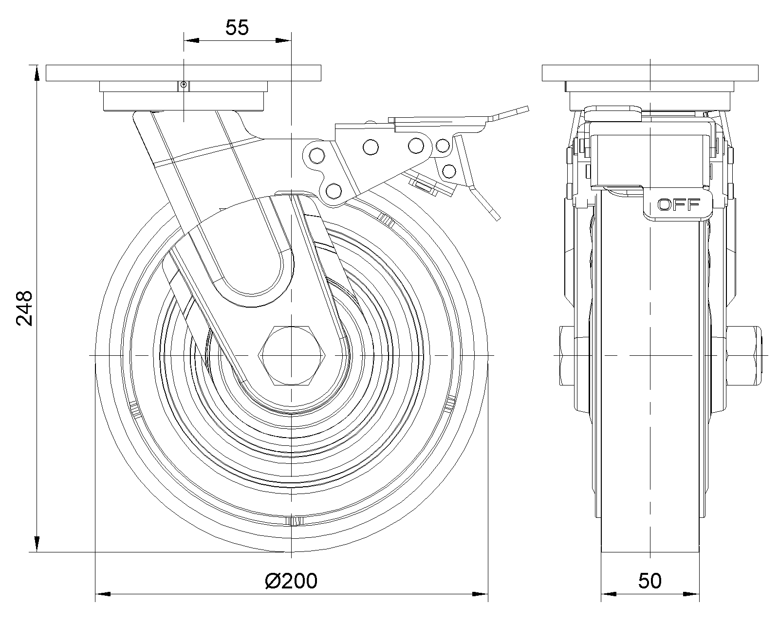
  Đường kính bánh xe 200mm 

  Chiều rộng bánh xe 050mm 
  vòng bi bánh xe Bánh xe trang bị vòng bi bi
  Quy cách tấm lắp 138 x 108mm 
  khoảng cách các lỗ trên tấm nền 110x75mm 
  Khoảng cách các lỗ lắp 22 x 13mm 
  Độ lệch tâm 55mm 
  Sự can thiệp quay 356mm 
  Tổng chiều cao 248mm 
  Bán kính xoay 178mm 
  Độ cứng 92±5° Shore A 
  Tải trọng (động) 720kgs 


  Độ di chuyển mượt mà 
    ● ● ● ● ●

  Chế độ im lặng        ● ● ● ● ●

  Bảo vệ mặt sàn       ● ● ● ● ●

  Tải trọng (tĩnh) 1080kgs 
  Nhiệt độ -20°C to +70°C 
  Càng bánh xe Cố định 
  Thép không gỉ N/A
  Dẫn điện N/A 
  Chống tĩnh điện N/A 
  Trọng lượng bánh xe đẩy 6.28kgs 
  Tiêu chuẩn kiểm nghiệm ISO22883
  
  
  © Bản quyền thuộc về 2026 DershengInternational www.dersheng.com
Sản phẩm liên quan
1157 Series — SERIES 57
Bánh xe QPU (nâu phẳng) Đường kính bánh xe × Chiều rộng bánh xe 200 x 50mm
KS-11570800531021
200 mm 720 Kgs 248 mm
Bánh xe cố định, khung thép hàn
Bề mặt phun sơn đỏ, thiết bị lắp đặt tấm đáy, khoảng cách lỗ 110x75
Lõi bánh xe làm bằng gang, bề mặt bánh xe bằng polyurethane chất lượng cao, phay màu nâu
Vòng bi bánh xe—vòng bi bi chính xác
1157 Series — SERIES 57
Bánh xe QPU (nâu phẳng) Đường kính bánh xe × Chiều rộng bánh xe 200 x 50mm
KS-11570800531041
200 mm 720 Kgs 248 mm
Bánh xe cố định với khung thép hàn
Hoàn thiện sơn đỏ, lắp đế, khoảng cách lỗ 110x75
Lõi gang với gai polyurethane chất lượng cao, phay màu nâu
Vòng bi bánh xe—vòng bi chính xác với nắp chống quấn đặc biệt
1157 Series — SERIES 57
Bánh xe QPU (nâu phẳng) Đường kính bánh xe × Chiều rộng bánh xe 200 x 50mm
KS-11570800534021
200 mm 720 Kgs 248 mm

Đặc điểm: Phanh trước, bánh xe có khóa; khung thép hàn.
Sơn màu đỏ; lắp đặt bằng tấm đế; khoảng cách lỗ 110x75mm.
Trục bánh xe bằng gang; bề mặt bánh xe bằng polyurethane chất lượng cao; hoàn thiện màu nâu phay.
Vòng bi bánh xe—vòng bi cầu chính xác.
1157 Series — SERIES 57
Bánh xe QPU (nâu phẳng) Đường kính bánh xe × Chiều rộng bánh xe 200 x 50mm
KS-11570800532011
200 mm 720 Kgs 248 mm
Bánh xe di động, khung thép hàn, sơn màu đỏ
Thiết bị gắn đế, khoảng cách lỗ 110 x 75
Lõi bánh xe bằng gang, bề mặt bánh xe bằng polyurethane chất lượng cao, màu nâu phay
Vòng bi bánh xe—vòng bi cầu chính xác
1157 Series — SERIES 57
Bánh xe QPU (nâu phẳng) Đường kính bánh xe × Chiều rộng bánh xe 200 x 50mm
KS-11570800532031
200 mm 720 Kgs 248 mm
Bánh xe di động, khung thép hàn, sơn màu đỏ
Thiết bị gắn đế, khoảng cách lỗ 110x75mm
Lõi bánh xe bằng gang, bề mặt bánh xe bằng polyurethane chất lượng cao, màu nâu phay
Vòng bi bánh xe—vòng bi cầu chính xác, được trang bị nắp chống xoắn đặc biệt