Tờ thông tin sản phẩm
1157 Series — SERIES 57
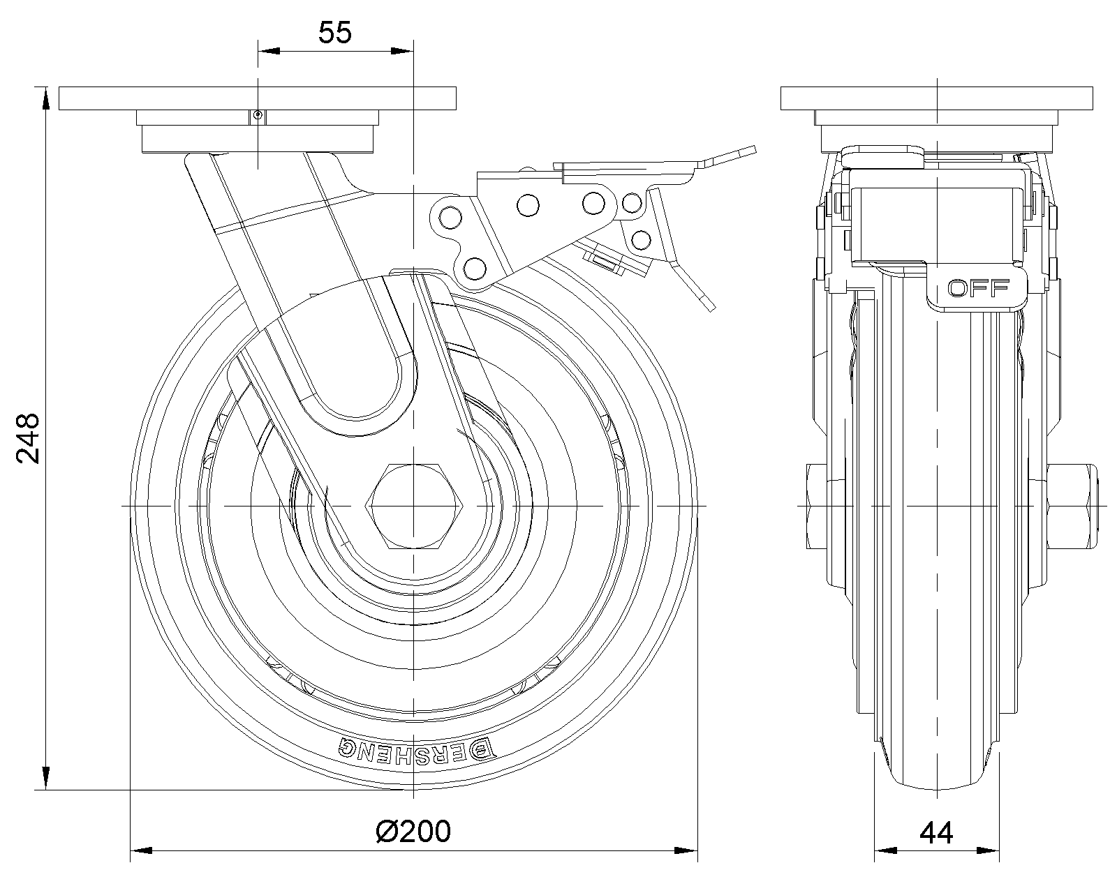
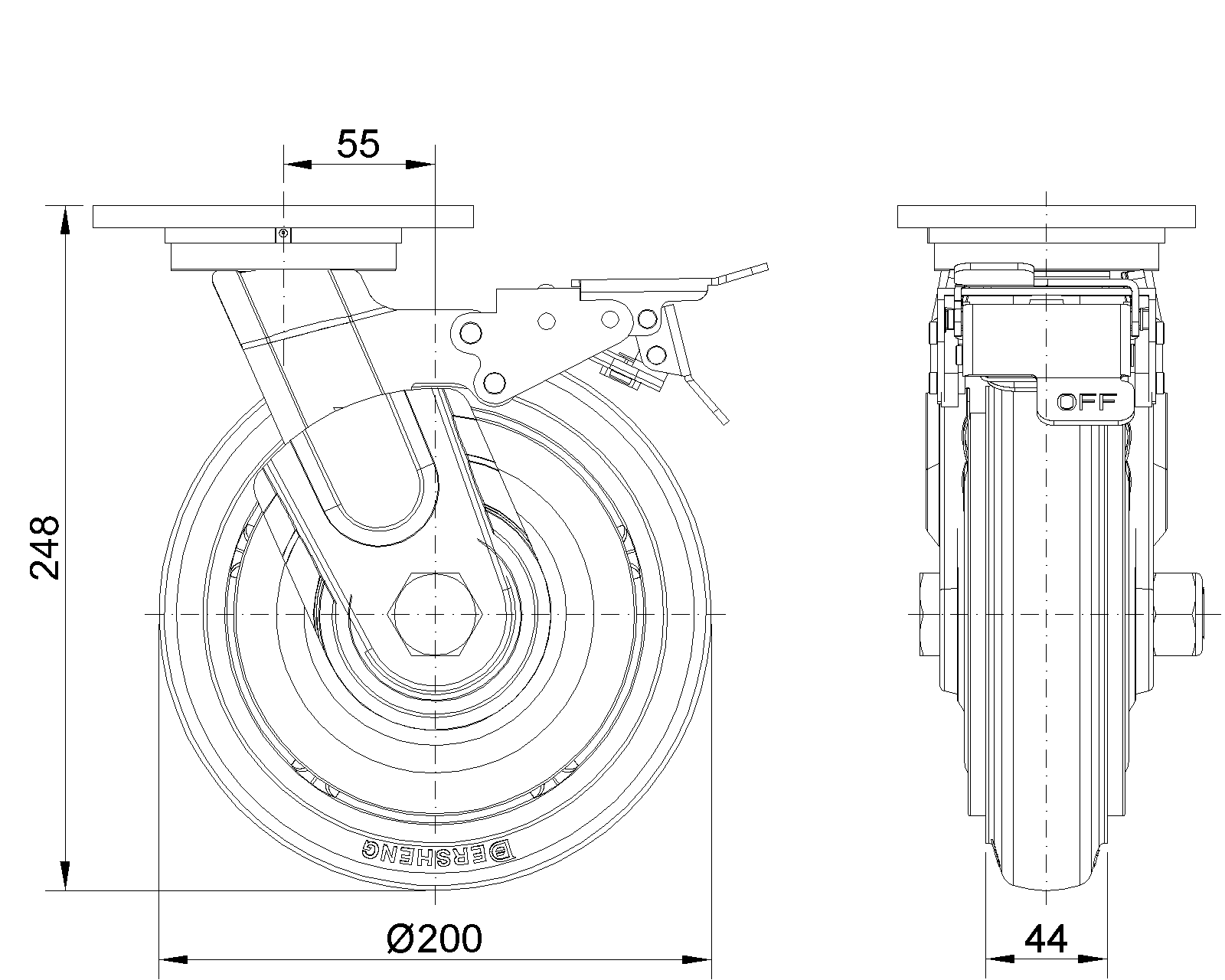
  Kéo NBR Wheel (Mill Raw) Đường kính bánh xe × Chiều rộng bánh xe 200 x 44mm
  EAN
      KS-11570800044041
         
Trang bị phanh trước, bánh xe có hệ thống khóa, khung thép hàn.
Sơn màu đỏ, lắp đặt trên tấm đế, khoảng cách lỗ 110x75mm.
Lõi bánh xe bằng gang, bề mặt bánh xe bằng cao su chất lượng cao, độ đàn hồi cao, được phay để giữ nguyên màu sắc ban đầu.
Vòng bi bánh xe—vòng bi cầu chính xác, với nắp bánh xe chống xoắn được thiết kế đặc biệt.
  Bề mặt bánh xe: Được làm từ cao su chất lượng cao, có độ đàn hồi cao.
  Lõi bánh xe: Lõi sắt / Lõi gang

    Mô tả sản phẩm chỉ mang tính chất tham khảo. Sản phẩm thực tế sẽ được ưu tiên.



     
      đơn vị mét đế quốc
  Đường kính bánh xe 200mm 

  Chiều rộng bánh xe 044mm 
  vòng bi bánh xe Bánh xe trang bị vòng bi bi
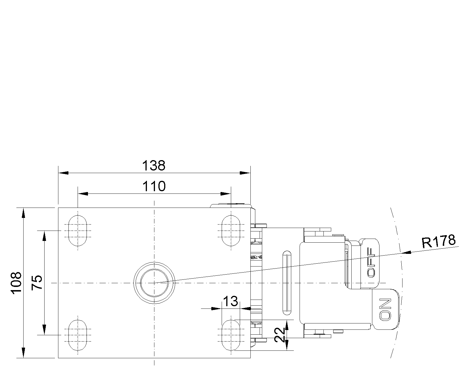
  Quy cách tấm lắp 138 x 108mm 
  khoảng cách các lỗ trên tấm nền 110x75mm 
  Khoảng cách các lỗ lắp 22 x 13mm 
  Độ lệch tâm 55mm 
  Sự can thiệp quay 356mm 
  Tổng chiều cao 248mm 
  Bán kính xoay 178mm 
  Độ cứng 85±5° Shore A 
  Tải trọng (động) 350kgs 


  Độ di chuyển mượt mà 
    ● ● ● ○ ○

  Chế độ im lặng        ● ● ● ● ○

  Bảo vệ mặt sàn       ● ● ● ● ○

  Tải trọng (tĩnh) 525kgs 
  Nhiệt độ -20°C to +80°C 
  Càng bánh xe Khóa trước
  Thép không gỉ N/A
  Dẫn điện N/A 
  Chống tĩnh điện N/A 
  Trọng lượng bánh xe đẩy 5.63kgs 
  Tiêu chuẩn kiểm nghiệm ISO22883
  
  
  © Bản quyền thuộc về 2026 DershengInternational www.dersheng.com
Sản phẩm liên quan
1157 Series — SERIES 57
Kéo NBR Wheel (Mill Raw) Đường kính bánh xe × Chiều rộng bánh xe 200 x 44mm
KS-11570800041031
200 mm 350 Kgs 248 mm
Bánh xe cố định, khung thép hàn
Bề mặt phun sơn đỏ, thiết bị lắp đặt tấm đáy, khoảng cách lỗ 110x75
Lõi bánh xe bằng gang, bề mặt bánh xe bằng cao su đàn hồi cao và chất lượng cao, phay nguyên bản
Vòng bi bánh xe—vòng bi bi chính xác
1157 Series — SERIES 57
Kéo NBR Wheel (Mill Raw) Đường kính bánh xe × Chiều rộng bánh xe 200 x 44mm
KS-11570800041041
200 mm 350 Kgs 248 mm
Bánh xe cố định, khung thép hàn
Bề mặt phun sơn đỏ, thiết bị lắp đặt tấm đáy, khoảng cách lỗ 110x75
Lõi bánh xe bằng gang, bề mặt bánh xe bằng cao su đàn hồi cao và chất lượng cao, phay nguyên bản
Vòng bi bánh xe—vòng bi chính xác với nắp bánh xe chống cuộn đặc biệt
1157 Series — SERIES 57
Kéo NBR Wheel (Mill Raw) Đường kính bánh xe × Chiều rộng bánh xe 200 x 44mm
KS-11570800044031
200 mm 350 Kgs 248 mm
Trang bị phanh trước, bánh xe có hệ thống khóa, khung thép hàn.
Sơn màu đỏ, lắp đặt trên tấm đế, khoảng cách lỗ 110x75mm.
Lõi bánh xe bằng gang, vành cao su chất lượng cao, độ đàn hồi cao, được gia công lại màu gốc.
Vòng bi bánh xe—vòng bi cầu chính xác.
1157 Series — SERIES 57
Kéo NBR Wheel (Mill Raw) Đường kính bánh xe × Chiều rộng bánh xe 200 x 44mm
KS-11570800042031
200 mm 350 Kgs 248 mm
Bánh xe di động, khung thép hàn, sơn màu đỏ
Thiết bị gắn đế, khoảng cách lỗ 110 x 75
Lõi bánh xe bằng gang, bề mặt bánh xe bằng cao su chất lượng cao, độ đàn hồi cao, được gia công lại màu gốc
Vòng bi bánh xe—vòng bi cầu chính xác
1157 Series — SERIES 57
Kéo NBR Wheel (Mill Raw) Đường kính bánh xe × Chiều rộng bánh xe 200 x 44mm
KS-11570800042041
200 mm 350 Kgs 248 mm
Bánh xe di động, khung thép hàn, sơn màu đỏ.
Thiết bị lắp đặt tấm đế, khoảng cách lỗ 110x75mm.
Lõi bánh xe bằng gang, bề mặt bánh xe bằng cao su chất lượng cao, độ đàn hồi cao, được phay lại màu gốc.
Vòng bi bánh xe—vòng bi cầu chính xác, được trang bị nắp chống xoắn đặc biệt.