Bảng dữ liệu sản phẩm
1157 Series — SERIES 57
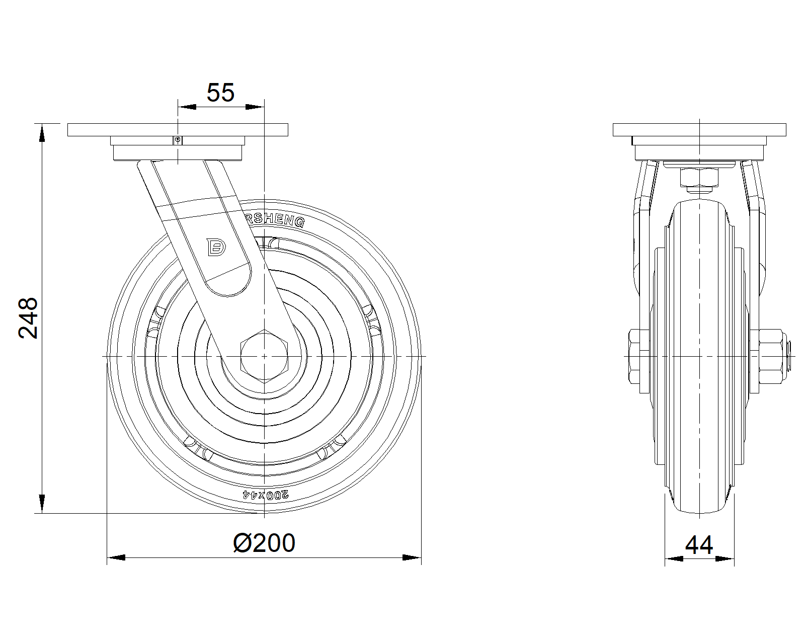
  Kéo NBR Wheel (Mill Raw) Đường kính bánh xe × Chiều rộng bánh xe 200 x 44mm
  EAN
      KS-11570800042031
         
Bánh xe xoay với khung thép hàn, sơn phủ màu đỏ.
Lắp đế, khoảng cách lỗ 110 x 75.
Lõi gang, mặt cao su đàn hồi cao chất lượng cao, được phay hoàn thiện tự nhiên.
Vòng bi bánh xe—vòng bi cầu chính xác.
  Bề mặt bánh xe: bề mặt bánh xe bằng cao su chất lượng cao và có độ đàn hồi cao
  Lõi bánh xe: lõi sắt/lõi gang

    Mô tả sản phẩm chỉ mang tính chất tham khảo. Sản phẩm thực tế sẽ được ưu tiên.



     
      đơn vị mét đế quốc
  Đường kính bánh xe 200mm 
  Chiều rộng bánh xe 44mm 
  vòng bi bánh xe Bánh xe trang bị vòng bi bi
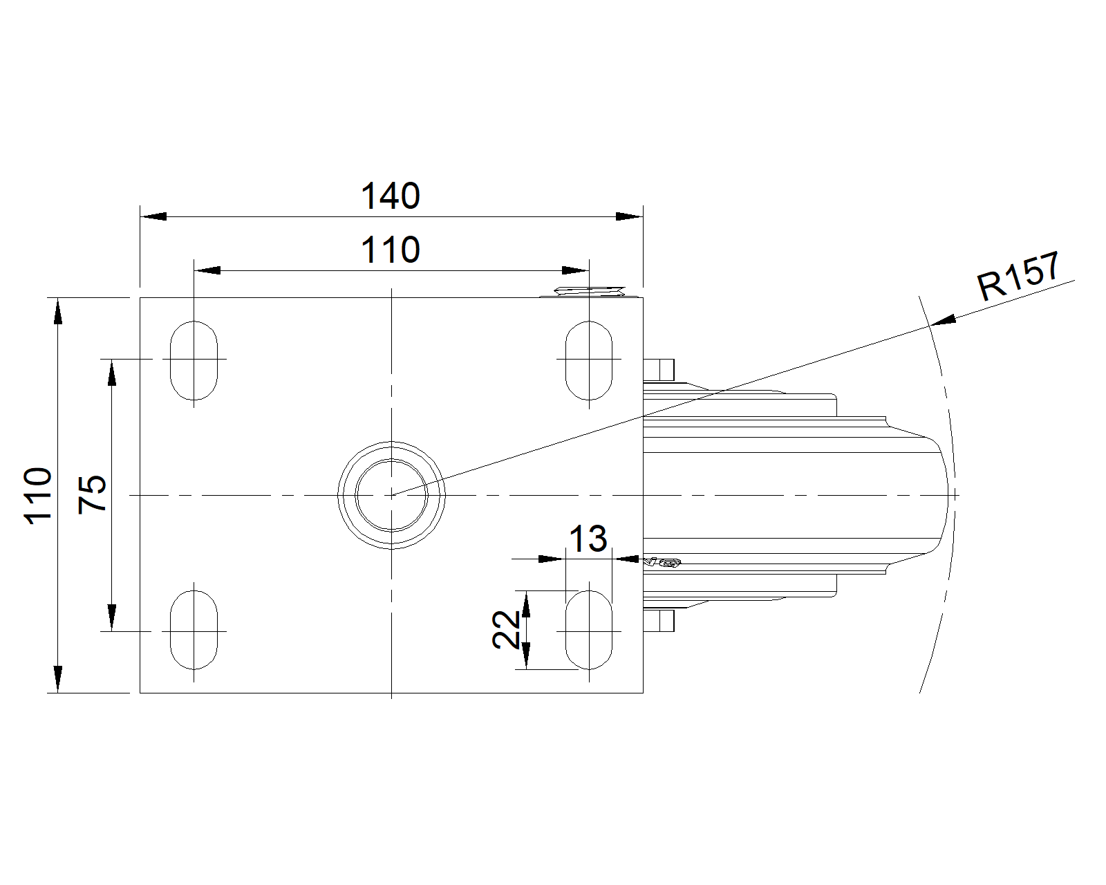
  Quy cách tấm lắp 140 x 110mm 
  khoảng cách các lỗ trên tấm nền 110x75mm 
  Khoảng cách các lỗ lắp 22 x 13mm 
  Độ lệch tâm 55mm 
  Sự can thiệp quay 314mm 
  Tổng chiều cao 248mm 
  Bán kính xoay 157mm 
  Độ cứng 85±5° Shore A 
  Tải trọng (động) 350kgs 


  Độ di chuyển mượt mà 
    ● ● ● ○ ○

  Chế độ im lặng        ● ● ● ● ○

  Bảo vệ mặt sàn       ● ● ● ● ○

  Tải trọng (tĩnh) 525kgs 
  Nhiệt độ -20°C to +80°C 
  Càng bánh xe Xoay 
  Thép không gỉ N/A
  Dẫn điện N/A 
  Chống tĩnh điện N/A 
  Trọng lượng bánh xe đẩy 5.18kgs 
  Tiêu chuẩn kiểm nghiệm ISO22883
  
  
  © Bản quyền thuộc về 2025 DershengInternational www.dersheng.com


            關  聯  產  品



  1157 Series — SERIES 57
   Kéo NBR Wheel (Mill Raw) Đường kính bánh xe × Chiều rộng bánh xe 200 x 44mm

     KS-11570800041031
       

         200 mm         350 Kgs         248 mm    

Bánh xe cố định, khung thép hàn
Bề mặt phun sơn đỏ, thiết bị lắp đặt tấm đáy, khoảng cách lỗ 110x75
Lõi bánh xe bằng gang, bề mặt bánh xe bằng cao su đàn hồi cao và chất lượng cao, phay nguyên bản
Vòng bi bánh xe—vòng bi bi chính xác




  1157 Series — SERIES 57
   Kéo NBR Wheel (Mill Raw) Đường kính bánh xe × Chiều rộng bánh xe 200 x 44mm

     KS-11570800041041
       

         200 mm         350 Kgs         248 mm    

Bánh xe cố định, khung thép hàn
Bề mặt phun sơn đỏ, thiết bị lắp đặt tấm đáy, khoảng cách lỗ 110x75
Lõi bánh xe bằng gang, bề mặt bánh xe bằng cao su đàn hồi cao và chất lượng cao, phay nguyên bản
Vòng bi bánh xe—vòng bi chính xác với nắp bánh xe chống cuộn đặc biệt




  1157 Series — SERIES 57
   Kéo NBR Wheel (Mill Raw) Đường kính bánh xe × Chiều rộng bánh xe 200 x 44mm

     KS-11570800044031
       

         200 mm         350 Kgs         248 mm    

Bánh xe có phanh trước và hệ thống khóa, khung thép hàn
Hoàn thiện sơn đỏ, lắp đế, khoảng cách lỗ 110x75
Lõi bánh xe bằng gang, gai cao su đàn hồi cao chất lượng cao, phay màu tự nhiên
Vòng bi bánh xe—vòng bi cầu chính xác




  1157 Series — SERIES 57
   Kéo NBR Wheel (Mill Raw) Đường kính bánh xe × Chiều rộng bánh xe 200 x 44mm

     KS-11570800044041
       

         200 mm         350 Kgs         248 mm    

Phanh trước, bánh xe khóa, khung thép hàn
Hoàn thiện sơn đỏ, lắp đế, khoảng cách lỗ 110x75
Lõi bánh xe bằng gang, gai cao su đàn hồi cao chất lượng cao, phay màu tự nhiên
Vòng bi bánh xe—vòng bi chính xác với nắp bánh xe chống quấn đặc biệt




  1157 Series — SERIES 57
   Kéo NBR Wheel (Mill Raw) Đường kính bánh xe × Chiều rộng bánh xe 200 x 44mm

     KS-11570800042041
       

         200 mm         350 Kgs         248 mm    

Bánh xe xoay với khung thép hàn, sơn phủ màu đỏ.
Lắp đế, khoảng cách lỗ 110x75
Lõi bánh xe bằng gang, gai cao su đàn hồi cao chất lượng cao, được phay màu tự nhiên
Vòng bi bánh xe—vòng bi chính xác với nắp bánh xe chống quấn đặc biệt