Tờ thông tin sản phẩm
1162 Series — BÁNH XE SIÊU TẢI (Một bánh)
  VQPU Bánh xe (hồ quang nâu) Đường kính bánh xe × Chiều rộng bánh xe 300 x 90mm
  A
      KS-11621200544111
         
Bánh xe có phanh sau, khung thép hàn, sơn màu xanh dương.
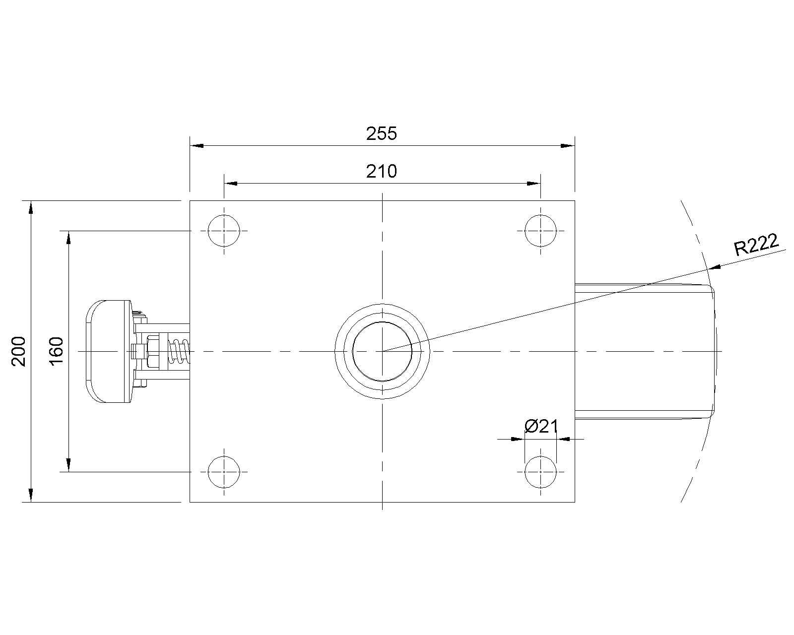
Thiết bị lắp đặt tấm đế, khoảng cách lỗ 210x160mm.
Trục bánh xe bằng gang, bề mặt bánh xe bằng polyurethane chất lượng cao, màu nâu phay.
Vòng bi bánh xe—vòng bi cầu xiên.
  Bề mặt bánh xe: Được làm từ polyurethane chất lượng cao.
  Lõi bánh xe: Lõi sắt / Lõi gang

    Mô tả sản phẩm chỉ mang tính chất tham khảo. Sản phẩm thực tế sẽ được ưu tiên.



     
      đơn vị mét đế quốc
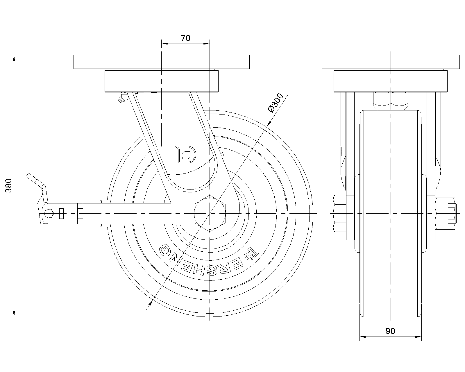
  Đường kính bánh xe 300mm 

  Chiều rộng bánh xe 90mm 
  vòng bi bánh xe Bánh xe trang bị vòng bi cầu góc
  Quy cách tấm lắp 255 x 200mm 
  khoảng cách các lỗ trên tấm nền 210 x 160mm 
  Khoảng cách các lỗ lắp 21mm 
  Độ lệch tâm 70mm 
  Sự can thiệp quay 444mm 
  Tổng chiều cao 380mm 
  Bán kính xoay 222mm 
  Độ cứng 92±5° Shore A 
  Tải trọng (động) 2700kgs 


  Độ di chuyển mượt mà 
    ● ● ● ● ●

  Chế độ im lặng        ● ● ● ● ●

  Bảo vệ mặt sàn       ● ● ● ● ●

  Tải trọng (tĩnh) 4050kgs 
  Nhiệt độ -20°C to +70°C 
  Càng bánh xe Khóa sau
  Thép không gỉ N/A
  Dẫn điện N/A 
  Chống tĩnh điện N/A 
  Trọng lượng bánh xe đẩy 37.08kgs 
  Tiêu chuẩn kiểm nghiệm ISO22883
  
  
  © Bản quyền thuộc về 2026 DershengInternational www.dersheng.com
Sản phẩm liên quan
1162 Series — BÁNH XE SIÊU TẢI (Một bánh)
VQPU Bánh xe (hồ quang nâu) Đường kính bánh xe × Chiều rộng bánh xe 300 x 90mm
KS-11621200542111
300 mm 2700 Kgs 380 mm
Bánh xe di động, khung thép hàn, sơn màu xanh dương.
Thiết bị gắn đế, khoảng cách lỗ 210x160mm.
Lõi bánh xe bằng gang, bề mặt bánh xe bằng polyurethane chất lượng cao, màu nâu phay.
Vòng bi bánh xe—vòng bi cầu xiên.
1162 Series — BÁNH XE SIÊU TẢI (Một bánh)
VQPU Bánh xe (hồ quang nâu) Đường kính bánh xe × Chiều rộng bánh xe 300 x 90mm
KS-11621200541111
300 mm 2700 Kgs 380 mm
Bánh xe cố định, khung thép hàn, sơn màu xanh dương.
Thiết bị lắp đặt tấm đế, khoảng cách lỗ 210x160mm.
Lõi bánh xe bằng gang, bề mặt bánh xe bằng polyurethane chất lượng cao, màu nâu phay.
Vòng bi bánh xe—vòng bi cầu xiên.