Product Data Sheet
1168 Levelling Caster Series
  MRC (Black) Wheel Diameter × Wheel Width 100×36mm
  EAN
         
  YJ-11680400072053    
Height Adjustable Leveling Caster, Top Plate with Riveted, Fork 44.5 x 30mm (1-3/4" x 1-1/8") Bolt Hole Spacing, Long Pedal Zine-Plated, Mounting Type - Top Plate, Height Adjustable Stand Reinforced Polypropylene and tread Black, Bearing with Ball Bearing.
  Wheel Tread: Thermoplastic (PA6)
  Wheel Center: Thermoplastic (PA6)

    Drawings are for reference only and may differ from the product



     
      Metric Imperial
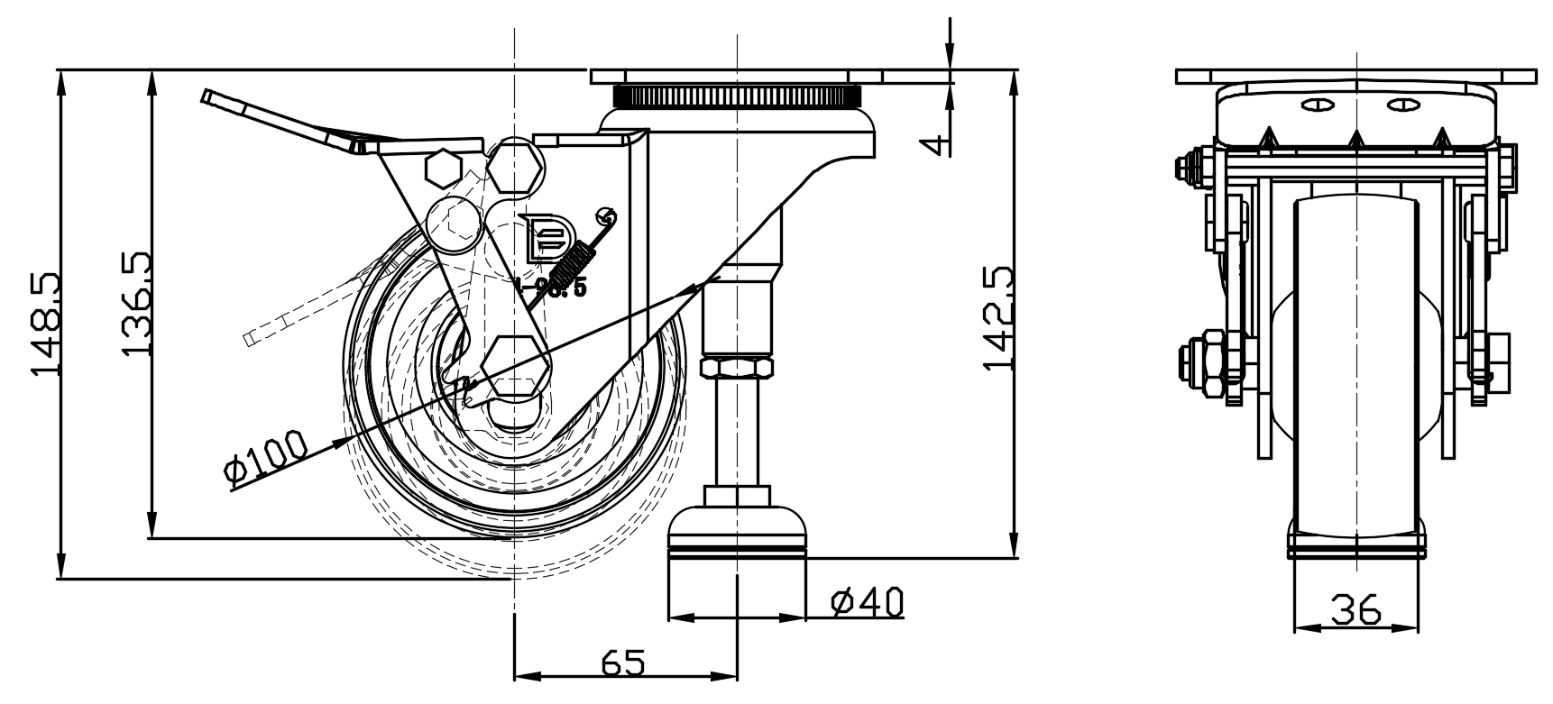
  Wheel Diameter 100mm 

  Wheel Width 36mm 
  Wheel Bearing Wheels With Ball Bearings
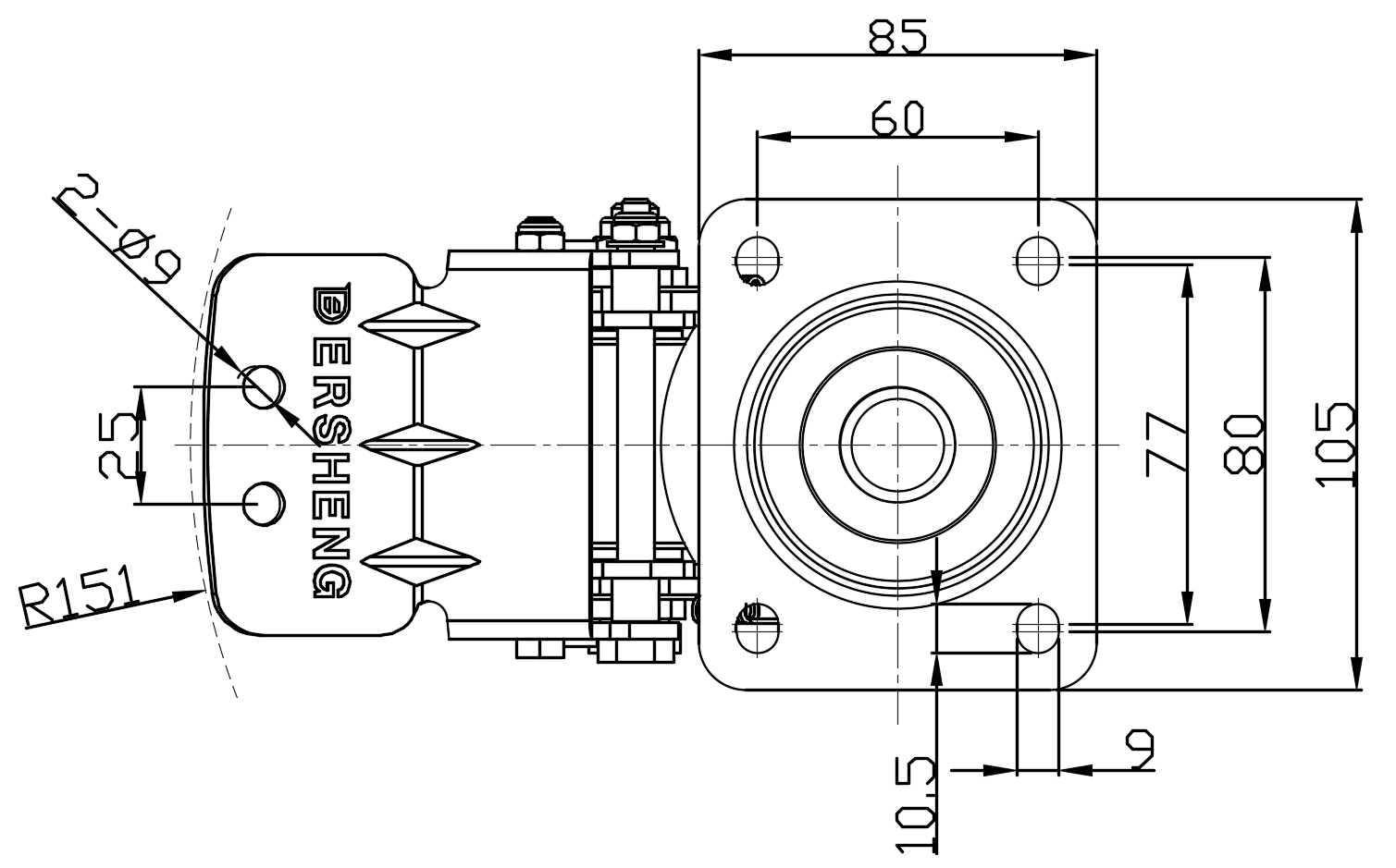
  Plate Size 105 x 85mm 
  Bolt Hole Spacing 80 x 60mm 
  Plate Hole 10.5 x 9mm 
  Offset 65mm 
  Swivel Interference 302mm 
  Overall Height 142.5mm 
  Swivel Radius 151mm 
  Hardness Of Tread 75±5° Shore D 
  Load Capacity (Dynamic) 250kgs 


  Rolling Resistance
        ● ● ● ● ●

  Operating Noise        ● ● ○ ○ ○

  Floor Surface Preservation  ● ● ○ ○ ○

  Load Capacity (Static) 1000kgs 
  Temperature -20°C to +80°C 
  Fork Type Swivel Caster 
  Stainless N/A
  Electrical Conductivity N/A 
  Anti-Static N/A 
  Weight 1.88kgs 
  Standard ISO22883
  
  
  © Copyright 2026 DershengInternational www.dersheng.com
Related  Products  
1168 Levelling Caster Series
MRC (Black) Wheel Diameter × Wheel Width 100×36mm
YJ-11680400071033
100 mm 250 Kgs 142.5 mm
Rigid castor, Stamping Fabricated Caster Fork - European standard holes Extended control lever surface, Mounting Type - Top Plate Reinforced Polypropylene and Wheel Tread Black, Bearing - Ball Bearing.
1168 Levelling Caster Series
MRC (Black) Wheel Diameter × Wheel Width 100×36mm
YJ-11680400072123
100 mm 250 Kgs 142.5 mm
Swivel Caster with Riveted Fork and Stamping bracket—European standard holes Zine-Plated, Mounting Type - Top Plate Reinforced Polypropylene and tread Black, Bearing—Ball Bearing.
1168 Levelling Caster Series
MRC (Black) Wheel Diameter × Wheel Width 100×36mm
YJ-11680400072143
100 mm 250 Kgs 142.5 mm
Swivel Caster with Riveted Fork and Stamping bracket—European standard holes. Zine-Plated, Mounting Type - Top Plate, Height Adjustable Stand. Reinforced Polypropylene and tread. Black, Bearing—Ball Bearing.
1168 Levelling Caster Series
MRC (Black) Wheel Diameter × Wheel Width 100×36mm
YJ-11680400072063
100 mm 250 Kgs 142.5 mm
Height Adjustable Leveling Caster, Top Plate with Riveted, Fork and European standard holes, Short Pedal Zine-Plated, Mounting Type - Top Plate, Height Adjustable Stand Reinforced Polypropylene and tread Black, Bearing with Ball Bearing.