Product Data Sheet
1168 Levelling Caster Series
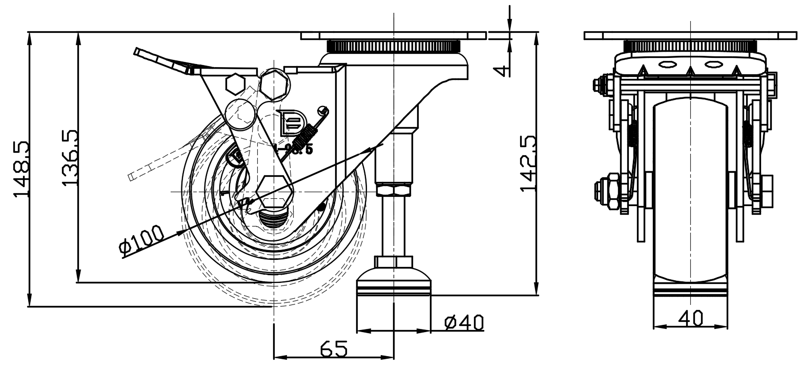
  AQPU (brown round) Wheel Diameter × Wheel Width 100 x 40mm
  EAN
         
  YJ-11680400602043    
Height Adjustable Leveling Caster, Top Plate with Riveted Fork and 85 x 70mm (3-3/8" x 2-3/4") Bolt Hole Spacing, Short Pedal Zine-Plated, Mounting Type - Top Plate, Height Adjustable Stand Aluminum Wheel Center with High Quality Polyurethane tread Brown, Bearing with Ball Bearing.
  Wheel Tread: high quality polyurethane
  Wheel Center: aluminum core

    Drawings are for reference only and may differ from the product



     
      Metric Imperial
  Wheel Diameter 100mm 

  Wheel Width 40mm 
  Wheel Bearing Wheels With Ball Bearings
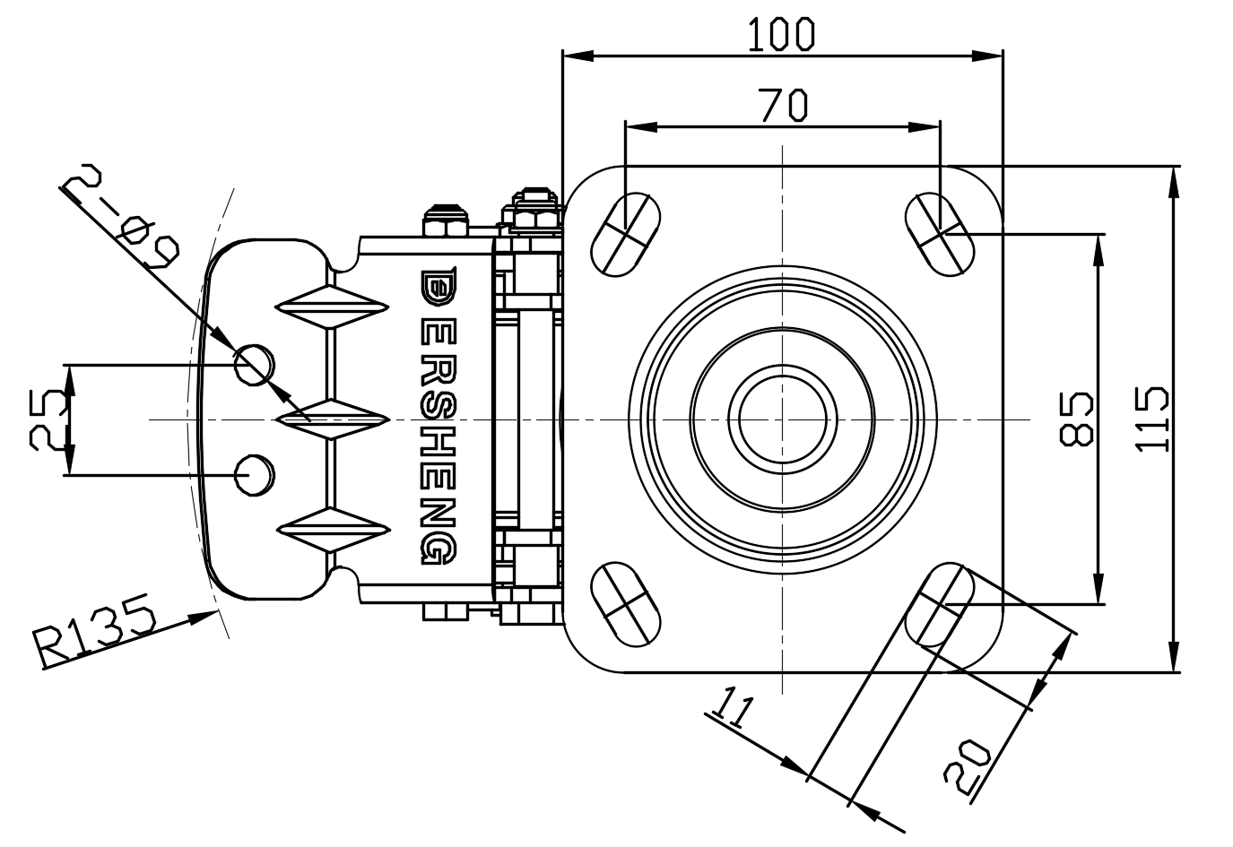
  Plate Size 115 x 100mm 
  Bolt Hole Spacing 85 x 70mm 
  Plate Hole 20 x 11mm 
  Offset 65mm 
  Swivel Interference 270mm 
  Overall Height 142.5mm 
  Swivel Radius 135mm 
  Hardness Of Tread 77±5° Shore A 
  Load Capacity (Dynamic) 320kgs 


  Rolling Resistance
        ● ● ● ● ●

  Operating Noise        ● ● ● ● ●

  Floor Surface Preservation  ● ● ● ● ●

  Load Capacity (Static) 1000kgs 
  Temperature -20°C to +70°C 
  Fork Type Swivel Caster 
  Stainless N/A
  Electrical Conductivity N/A 
  Anti-Static N/A 
  Weight 2.32kgs 
  Standard ISO22883
  
  
  © Copyright 2026 DershengInternational www.dersheng.com
Related  Products  
1168 Levelling Caster Series
AQPU (brown round) Wheel Diameter × Wheel Width 100 x 40mm
YJ-11680400601023
100 mm 320 Kgs 142.5 mm
Rigid castor, Stamping Fabricated Caster Fork - D-type hole Extended control lever surface, Mounting Type - Top Plate Aluminum Wheel Center, High Quality Polyurethane Wheel Tread Brown, Bearing - Ball Bearing.
1168 Levelling Caster Series
AQPU (brown round) Wheel Diameter × Wheel Width 100 x 40mm
YJ-11680400602063
100 mm 320 Kgs 142.5 mm
Swivel Caster with Riveted Fork and Stamping Fork with 85 x 70mm (3-3/8" x 2-3/4") Bolt Hole Spacing. Zine-Plated, Fork-mount Mounting Type. Aluminum core with High Quality Polyurethane tread. Brown color, Bearing with Ball Bearing.
1168 Levelling Caster Series
AQPU (brown round) Wheel Diameter × Wheel Width 100 x 40mm
YJ-11680400602083
100 mm 250 Kgs 142.5 mm
Swivel Caster with Riveted Fork and Stamping Fork with D-shaped hole. Zine-Plated, Fork-mounted Mounting Type with Height Adjustable Stand. Aluminum Wheel Center with High Quality Polyurethane tread. Brown color, Bearing with Ball Bearing.
1168 Levelling Caster Series
AQPU (brown round) Wheel Diameter × Wheel Width 100 x 40mm
YJ-11680400602033
100 mm 320 Kgs 142.5 mm
Height Adjustable Leveling Caster, Top Plate with Riveted Fork and 85 x 70mm (3-3/8" x 2-3/4") Bolt Hole Spacings, Long Pedal Zine-Plated, Mounting Type - Top Plate, Height Adjustable Stand Aluminum Wheel Center with High Quality Polyurethane tread Brown, Bearing with Ball Bearing.