Product Data Sheet
1168 Levelling Caster Series
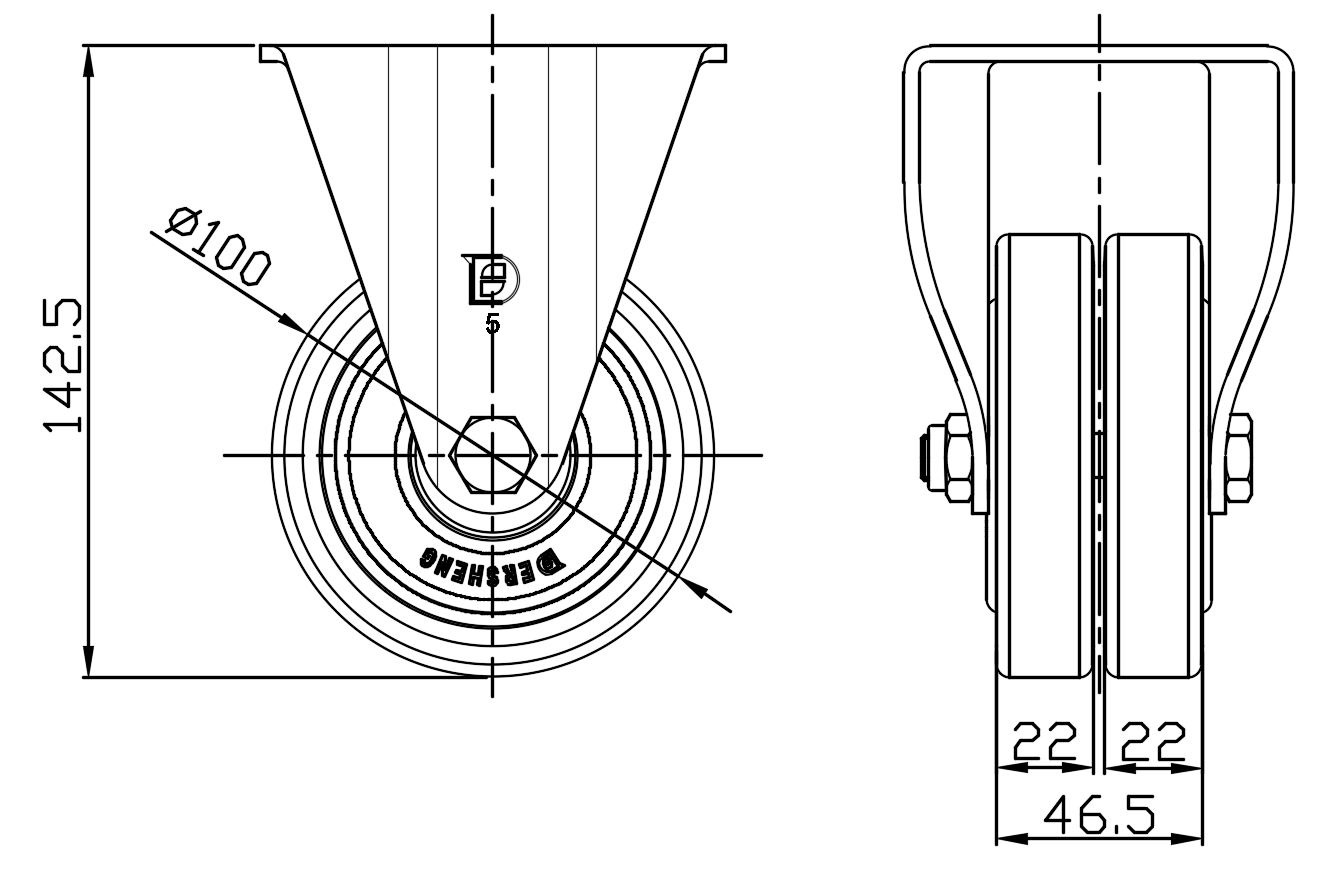
  ZQPU (brown round) Wheel Diameter x Wheel Width 100 x 22 (46.5) mm
  EAN
         
  YJ-11680400801013    
Rigid Caster with Stamping Fabricated Caster Fork 44.5 x 30mm (1-3/4" x 1-1/8") Bolt Hole Spacing. Zine-Plated, Mounting Type - Top Plate. Cast Iron Wheel Center with High Quality Polyurethane tread. Brown color, Bearing with Ball Bearing.
  Wheel Tread: high quality polyurethane
  Wheel Center: cast iron core

    Drawings are for reference only and may differ from the product



     
      Metric Imperial
  Wheel Diameter 100mm 

  Wheel Width 46.5mm 
  Wheel Bearing Wheels With Ball Bearings
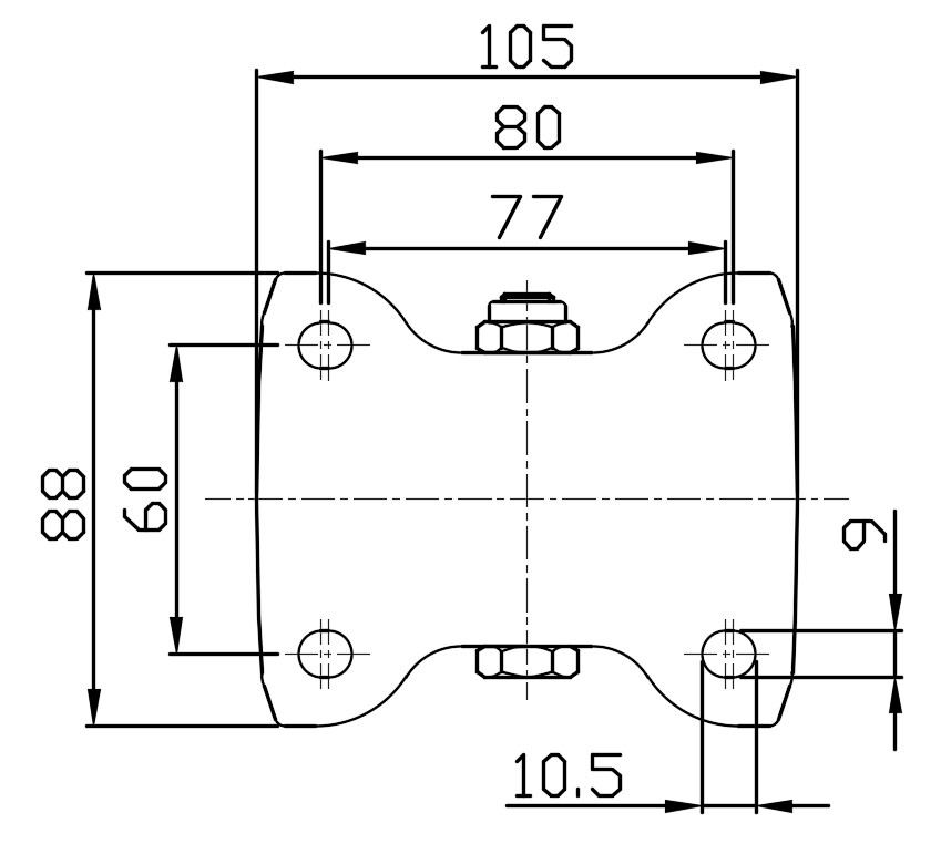
  Plate Size 105 x 88mm 
  Bolt Hole Spacing 80 x 60mm 
  Plate Hole 10.5 x 9mm 
  Overall Height 142.5mm 
  Hardness Of Tread 92±5° Shore A 
  Load Capacity (Dynamic) 320kgs 


  Rolling Resistance
        ● ● ● ● ●

  Operating Noise        ● ● ● ● ●

  Floor Surface Preservation  ● ● ● ● ●

  Load Capacity (Static) 480kgs 
  Temperature -20°C to +70°C 
  Fork Type Rigid Caster 
  Stainless N/A
  Electrical Conductivity N/A 
  Anti-Static N/A 
  Weight 2.16kgs 
  Standard ISO22883
  
  
  © Copyright 2026 DershengInternational www.dersheng.com
Related  Products  
1168 Levelling Caster Series
ZQPU (brown round) Wheel Diameter x Wheel Width 100 x 22 (46.5) mm
YJ-11680400802053
100 mm 320 Kgs 142.5 mm
Swivel Caster with Riveted Fork and Stamping bracket - European standard holes Zine-Plated, Mounting Type - Top Plate Cast Iron Wheel Center, High Quality Polyurethane tread Brown, Bearing - Ball Bearing.
1168 Levelling Caster Series
ZQPU (brown round) Wheel Diameter x Wheel Width 100 x 22 (46.5) mm
YJ-11680400802073
100 mm 250 Kgs 142.5 mm
Swivel Caster with Riveted Fork and Stamping bracket—European standard holes. Zine-Plated, Mounting Type - Top Plate, Height Adjustable Stand. Cast Iron Wheel Center, High Quality Polyurethane tread. Brown color, Bearing—Ball Bearing.
1168 Levelling Caster Series
ZQPU (brown round) Wheel Diameter x Wheel Width 100 x 22 (46.5) mm
YJ-11680400802013
100 mm 320 Kgs 142.5 mm
Height Adjustable Leveling Caster, Top Plate with Riveted Fork and European standard holes, Long Pedal Zine-Plated, Mounting Type - Top Plate, Height Adjustable Stand Cast Iron Wheel Center with High Quality Polyurethane tread Brown, Bearing with Ball Bearing.
1168 Levelling Caster Series
ZQPU (brown round) Wheel Diameter x Wheel Width 100 x 22 (46.5) mm
YJ-11680400802023
100 mm 320 Kgs 142.5 mm
Height Adjustable Leveling Caster, Top Plate with Riveted Fork and European standard holes, Short Pedal Zine-Plated, Mounting Type - Top Plate, Height Adjustable Stand Cast Iron Wheel Center with High Quality Polyurethane tread Brown, Bearing with Ball Bearing.