Product Data Sheet
1168 Levelling Caster Series
  ZQPU (brown round) Wheel Diameter x Wheel Width 100 x 22 (46.5) mm
  EAN
         
  YJ-11680400802033    
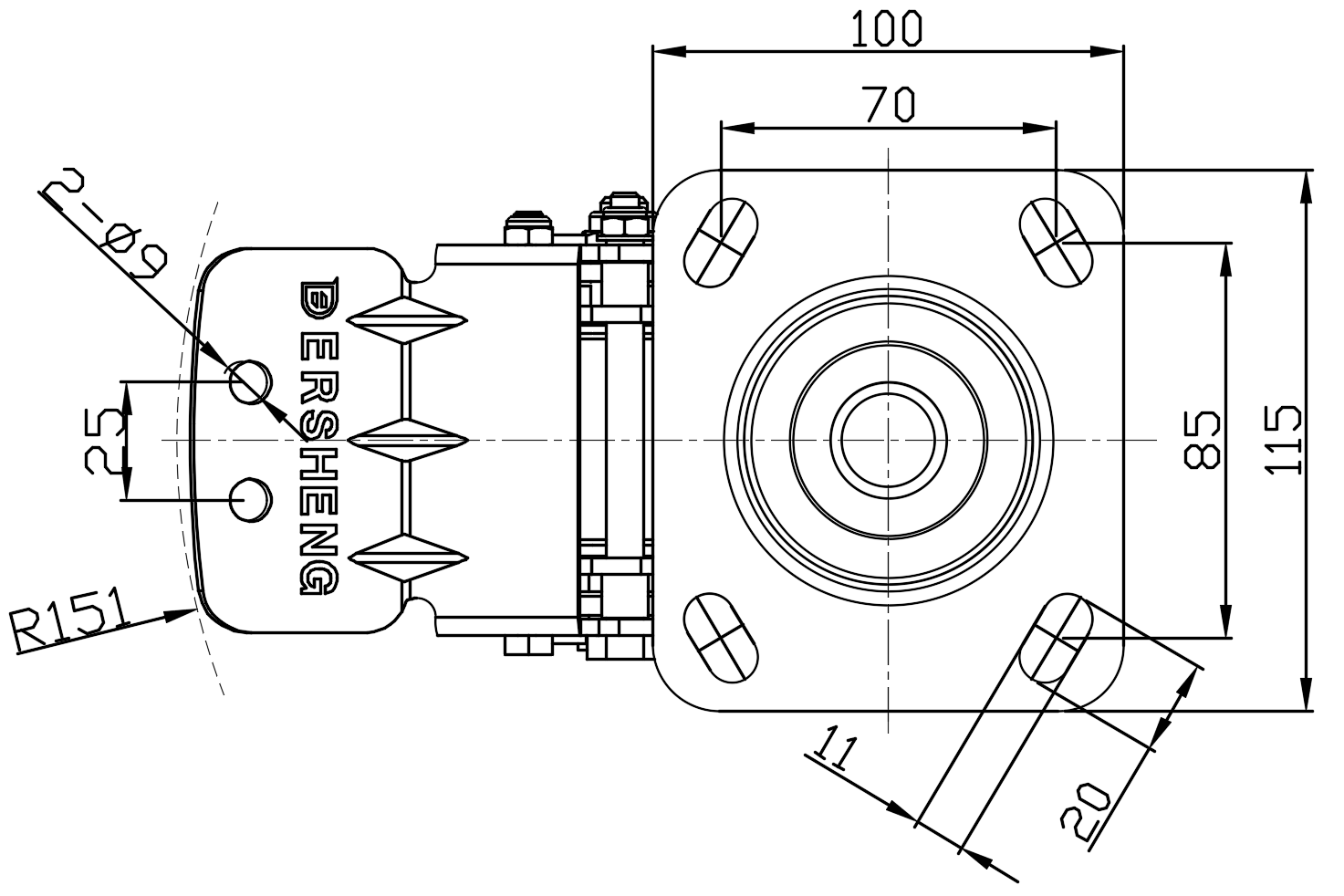
Height Adjustable Leveling Caster, Top Plate with Riveted Fork and 85 x 70mm (3-3/8" x 2-3/4") Bolt Hole Spacings, Long Pedal Zine-Plated, Mounting Type - Top Plate, Height Adjustable Stand Cast Iron Wheel Center with High Quality Polyurethane tread Brown, Bearing with Ball Bearing.
  Wheel Tread: high quality polyurethane
  Wheel Center: cast iron core

    Drawings are for reference only and may differ from the product



     
      Metric Imperial
  Wheel Diameter 100mm 

  Wheel Width 46.5mm 
  Wheel Bearing Wheels With Ball Bearings
  Plate Size 115 x 100mm 
  Bolt Hole Spacing 85 x 70mm 
  Plate Hole 20 x 11mm 
  Offset 65mm 
  Swivel Interference 302mm 
  Overall Height 142.5mm 
  Swivel Radius 151mm 
  Hardness Of Tread 92±5° Shore A 
  Load Capacity (Dynamic) 320kgs 


  Rolling Resistance
        ● ● ● ● ●

  Operating Noise        ● ● ● ● ●

  Floor Surface Preservation  ● ● ● ● ●

  Load Capacity (Static) 1000kgs 
  Temperature -20°C to +70°C 
  Fork Type Swivel Caster 
  Stainless N/A
  Electrical Conductivity N/A 
  Anti-Static N/A 
  Weight 3.34kgs 
  Standard ISO22883
  
  
  © Copyright 2026 DershengInternational www.dersheng.com
Related  Products  
1168 Levelling Caster Series
ZQPU (brown round) Wheel Diameter x Wheel Width 100 x 22 (46.5) mm
YJ-11680400801023
100 mm 320 Kgs 142.5 mm
Rigid castor, Stamping Fabricated Caster Fork - D-type hole Extended control lever surface, Mounting Type - Top Plate Aluminum Wheel Center, High Quality Polyurethane Wheel Tread Brown, Bearing - Ball Bearing.
1168 Levelling Caster Series
ZQPU (brown round) Wheel Diameter x Wheel Width 100 x 22 (46.5) mm
YJ-11680400802063
100 mm 320 Kgs 142.5 mm
Swivel Caster with Riveted Fork and Stamping Fork with 85 x 70mm (3-3/8" x 2-3/4") Bolt Hole Spacing. Zine-Plated, Mounting Type - Top Plate. Cast Iron Wheel Center with High Quality Polyurethane tread. Brown color, Bearing with Ball Bearing.
1168 Levelling Caster Series
ZQPU (brown round) Wheel Diameter x Wheel Width 100 x 22 (46.5) mm
YJ-11680400802083
100 mm 250 Kgs 142.5 mm
Swivel Caster with Riveted Fork and Stamping Fork with D-shaped hole. Zine-Plated, Fork-mounted Mounting Type with Height Adjustable Stand. Cast Iron Wheel Center with High Quality Polyurethane tread. Brown color, Bearing with Ball Bearing.
1168 Levelling Caster Series
ZQPU (brown round) Wheel Diameter x Wheel Width 100 x 22 (46.5) mm
YJ-11680400802043
100 mm 320 Kgs 142.5 mm
Height Adjustable Leveling Caster, Top Plate with Riveted Fork and 85 x 70mm (3-3/8" x 2-3/4") Bolt Hole Spacing, Short Pedal Zine-Plated, Mounting Type - Top Plate, Height Adjustable Stand Cast Iron Wheel Center with High Quality Polyurethane tread Brown, Bearing with Ball Bearing.